Hi Joe,
Thanks for your support.Much appreciated.
It's not the same vehicle, it's a Mazda 3 sport, 2010, 2.0l MZR Disi naturally aspirated petrol. Asked in here as mine had the same symptom. After the crankshaft sensor replacement it would start after a day and run for 1 minute or so and stall with P0340 ( before timing chain replacement).
There is fuel making it's way to the cylinders as it smells pretty much like a petrol station after cranking a few times, I have good pressure ( at least indicated by obd scanner ) on the rail.
There is RPM feedback indicated by the live data.
It will only give one spark from what I've read and if there's anything out of order the PCM will inhibit spark to prevent engine damage. I do have that one brief increase in rpm on some of the crank attempts, indicating that the PCM actually tries to start the engine but because it's probably not receiving the correct response from Cam sensor, inhibits spark and throws P0340.
Here's two videos of the crank attempts, one with live data for sparkadvance, rpm and batt voltage, the other one with the oscilloscope hooked to the feedback wires from CKP ( blue ) and CMP ( yellow ). The 2 channels are not synced properly ( my bad there ) but the signals seem to be consistent with what we should see. Tracing the wires back to PCM today and get a reading there as well to confirm there is no distortion or noise reaching the PCM.
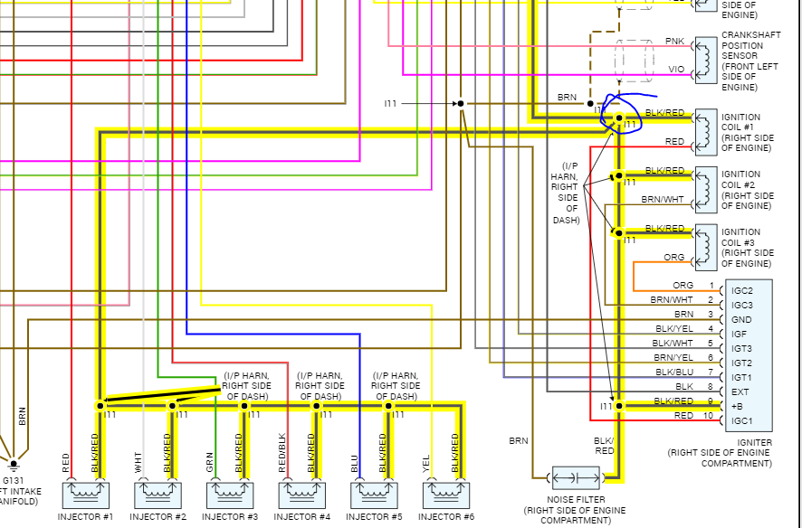
At this point I suspect the feedback from Cam sensor is weak and does not meet the amplitude needed for clear "read" by PCM.
I have 3 sensors testing ( original from the vehicle, after market and second hand OEM ), all 3 behave in the same way, with same low amplitude signal. I'm testing them on the bench today to see if they behave differently when not connected to PCM. I'm at my witts end with this one, after several mechanics tried to fix it it's in a worse situation than initially as now it won't start after a day sitting.
Thanks again for your support, much appreciated !
Nov 18, 2023 at 10:17 PM