Engine cranking issue?

2007 DODGE GRAND CARAVAN
178 MILES
Avatar
MARYMCANALLEN
  • MEMBER
  • 1 POST
The engine has been experiencing cranking problems. I got a new battery, and about 30 days after, I turned the key and nothing! But it would start if I tapped the starter. This went on about 4-5 no. Then cleaned wires, no stare again. Changed big wire, a week later no start. Changed the starter, started 7-10 days, went to start today and nothing again. I opened the hood, and noticed my left/first plug wire has got a blueish color/ powder on it!
Nov 26, 2024 at 2:18 AM
Advertisement
Avatar
STRAILER
  • CERTIFIED EXPERT
  • 53,854 POSTS
This sounds like a bad connection or a defective starter motor. I would see if the starter is a getting voltage to the trigger wire of the solenoid when the starter will not work, this can tell you for sure what's going on, this video will help:


https://www.youtube.com/watch?v=6YRW8fyNudY&t

Please go over this guide as well which will show you how to do the test.

https://www.2carpros.com/articles/starter-not-working-repair

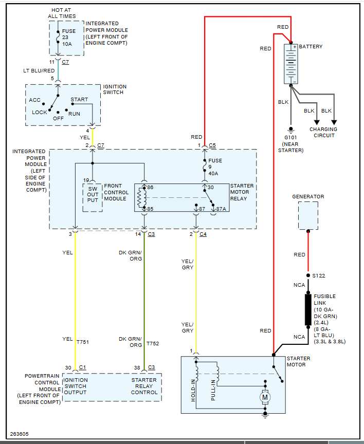
I would swap out the starter relay in the amin fuse panel as well. Here is the location and the starter wiring diagrams so you can see how the system works. Check out the images (below). Please upload pictures or videos in your response of any problems so we can see what to help you with.
Nov 27, 2024 at 1:15 PM