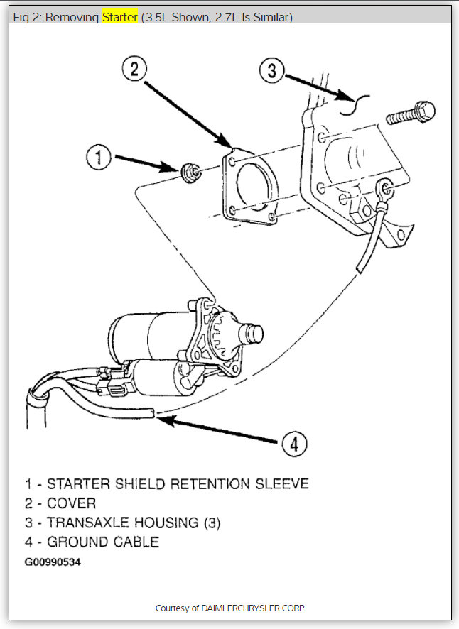
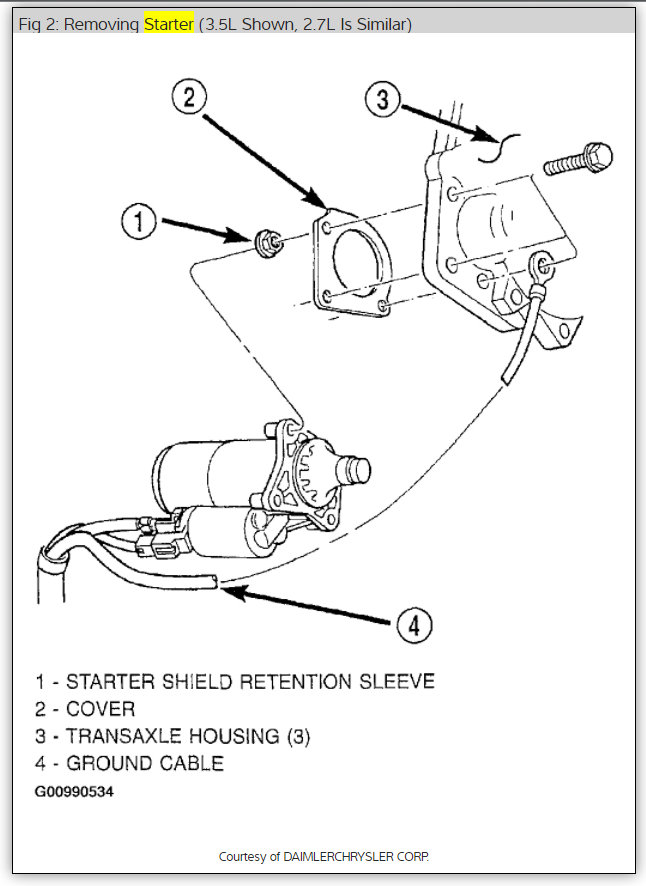
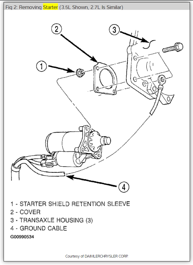
My car will start and after driving it to the store and back and shut off the engine then it will not start. I leave it overnight and in the morning it will start. purchased a new battery because was having this problem before and this worked for awhile and now the problem is acting up again.
The dash lights are on, but when I turn the key there is no contact actually no noise at all.
The dash lights are on, but when I turn the key there is no contact actually no noise at all.
Oct 18, 2017 at 2:44 PM





