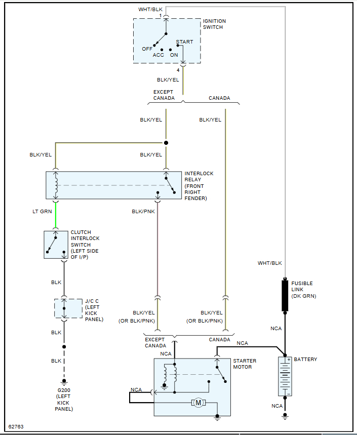
I turn the key, and I can hear the relays click and nothing. bought a new battery and fired up one time is all. Now i changed the safety switch in the clutch down under the dashboard by the fire wall. Fired right up the first one time and that was that no more starting with key now I just push start it. point me in the right direction I feel like just throwing it away and get another one.
Jan 12, 2025 at 9:38 AM
