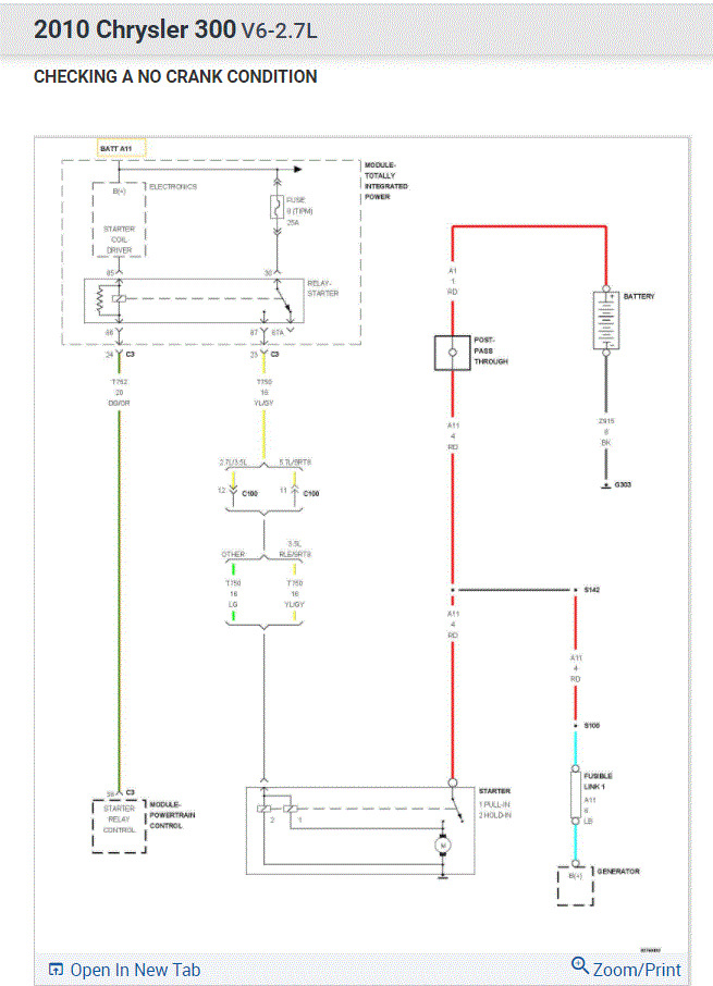
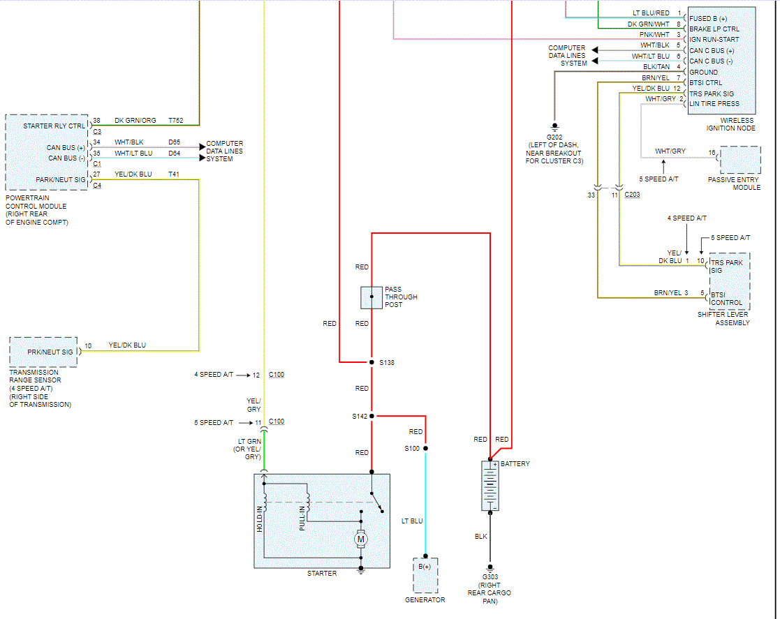
Okay, I have the car listed above touring model. When I replace the starter about a week ago it started up just fine well the next day it won't start again. so I replaced all the relays, the battery made sure all the connections were good and it won't start, it goes to engage the starter for a split second and then as soon as as soon as the starter engages it doesn't get it cuts out goes nothing kind of like a click but not a click. I disconnected the battery last night let it sit overnight come out this morning and it started right up but then I shut it off and it started doing the same thing it would engage the starter for like a split second and that's all it'll do.
Apr 14, 2021 at 10:48 PM



























