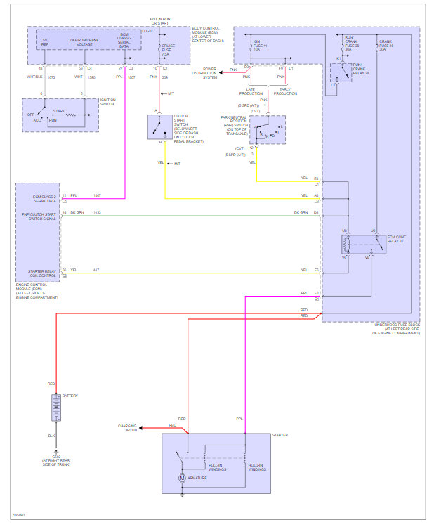
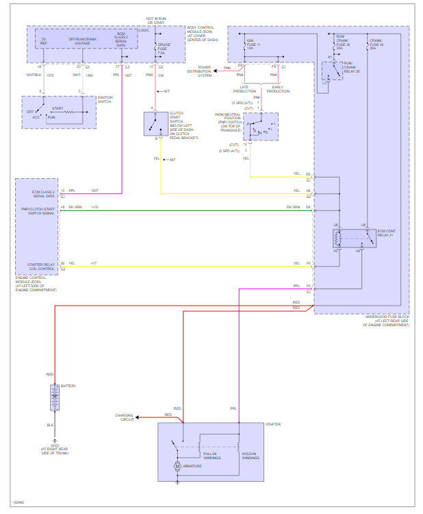
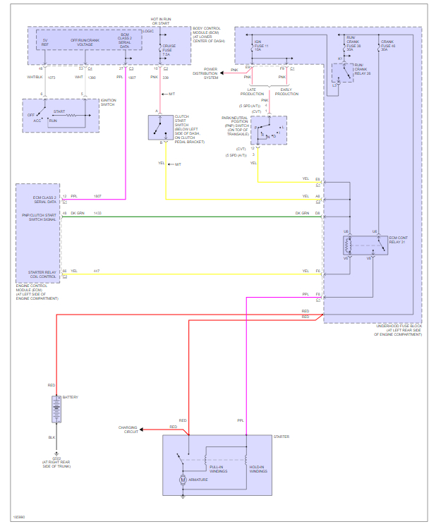
Periodically it will not start nor attempt to turn over like the battery is dead. wait ten minutes roughly and it will start right up. i have had battery checked it's good thought maybe it was the solenoid on the starter. so I put new starter in being the one that was in there looked like it was in bad shape. thought ignition switch but buddy said it looked fine, I do not know. Any ideas?
Feb 12, 2019 at 9:45 AM











