no engine starter operation - not working?

2014 HONDA ACCORD
78,000 MILES • 2.4L • 4 CYL • 2WD
Avatar
STATONE52
  • MEMBER
  • 8 POSTS
When starting sometimes won't start just click. Sometimes after 3-4 tries it starts. Replaced starter and battery sensor. Worked for a couple of months now have the same problem. Battery good alternator good. Had original starter tested and it passed. Don't know what's wrong with it.
Apr 24, 2020 at 8:09 PM
Advertisement
Avatar
JACOBANDNICKOLAS
  • CERTIFIED EXPERT
  • 110,175 POSTS
Hi,

Since both the new and original starter do the same thing, it sounds like it is a connection issue.

Do me a favor. Check and make sure the battery terminals are clean and tight. Also, follow the ground wire from the battery to the engine block and make sure it is tight, free of corrosion, and undamaged.

https://www.2carpros.com/articles/everything-goes-dead-when-engine-is-cranked

Since you are getting a clicking from the starter, that tells me the circuit itself is good but there is a loss of power at some point. Usually (and don't laugh) it is at the battery itself.

Check those few things and let me know what you find.

Take care,
Joe
Apr 24, 2020 at 9:56 PM
Avatar
STATONE52
  • MEMBER
  • 8 POSTS
Okay thanks, that was one of the first things I checked and the battery posts are good and clean. checked the ground cable that seems to be good and tight,no visible damage. Note that when trying to start and it clicks all lights stay illuminated.
Apr 25, 2020 at 10:47 AM
Advertisement
Avatar
STATONE52
  • MEMBER
  • 8 POSTS
Is it possible that the ground wire connected to the starter is defaulted?
Apr 25, 2020 at 11:30 AM
Avatar
JACOBANDNICKOLAS
  • CERTIFIED EXPERT
  • 110,175 POSTS
Hi,

There is no ground wire on the starter. You should have two wires. Once (larger in diameter) runs from the battery direct to the starter and should have 12v all the time. The other is smaller in diameter and should only have 12v when the key is in the start position. As far as ground, it is done by the engine block when the starter is bolted on.
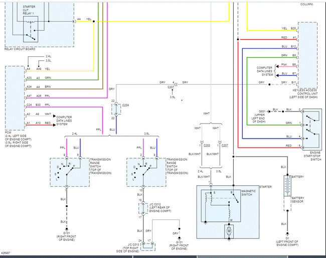
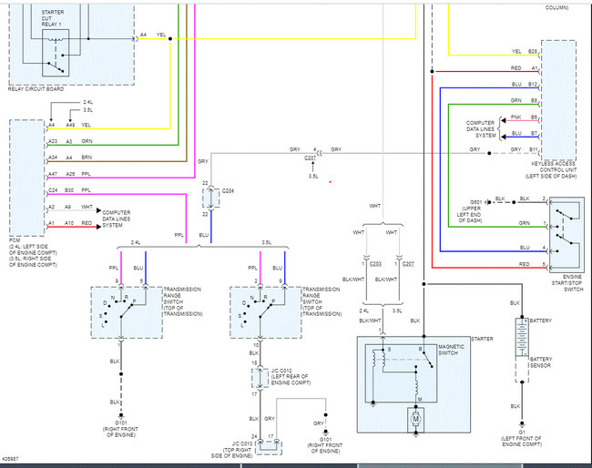
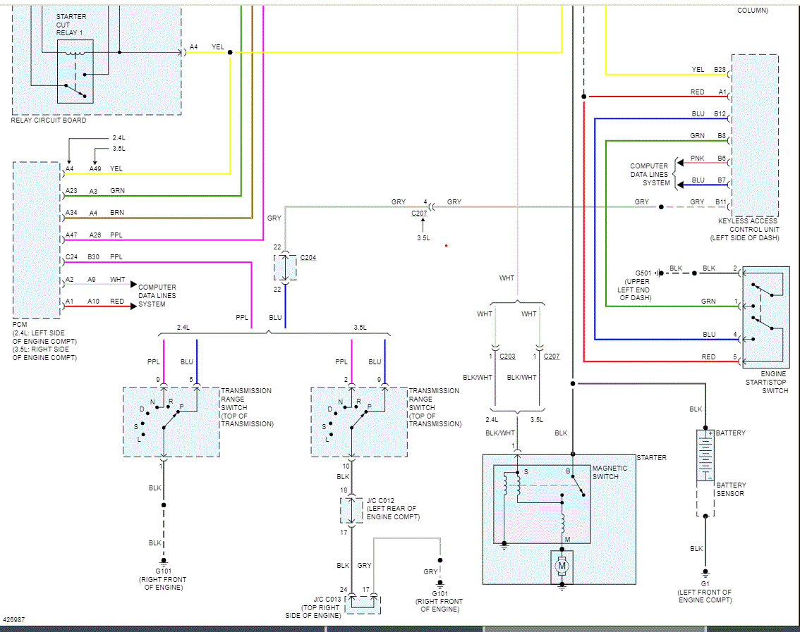
I attached two pics below for you to see the wiring to the starter system. I overlapped them so you could follow easier.

Do me a favor. If you follow the negative battery terminal from the battery, it will go to the engine block. Unbolt it from the engine block, clean and inspect it. Make sure where it mounts on the engine is also clean.

Let me know if that helps.

Joe
Apr 25, 2020 at 11:01 PM
Avatar
STATONE52
  • MEMBER
  • 8 POSTS
Good afternoon. I've been trying to locate the ground that's mounted to the engine block and I just can't seem to locate it. I've looked at the diagrams you sent and I just can't seem to find it. I have attached a video of the only ground that I saw. Is it another one. Please show me. Thanks.
Apr 27, 2020 at 11:20 AM
Avatar
STATONE52
  • MEMBER
  • 8 POSTS
This ground is grounded to the body of the car.
Apr 27, 2020 at 11:21 AM
Avatar
JACOBANDNICKOLAS
  • CERTIFIED EXPERT
  • 110,175 POSTS
Hi,

I looked through schematics and I see no ground to the engine block which is very odd. If you follow the wire from the negative of the battery, does it only lead to the body?

If that is the case, for certain the starter is grounded via the engine block. So make sure the starter itself hasn't come slightly loose from the engine. If loose, it can cause a problem.

If it is tight, then we need to check the starter cut relay 2 in the relay panel.


Let me know.
Joe
Apr 27, 2020 at 11:42 AM
Avatar
STATONE52
  • MEMBER
  • 8 POSTS
Okay, checked starter it's good and tight.
Apr 28, 2020 at 7:44 AM
Avatar
JACOBANDNICKOLAS
  • CERTIFIED EXPERT
  • 110,175 POSTS
Okay, If everything is tight, then it must have to do with the starter cut relays. They relay circuit board is under the hood in the fuse/relay box. It may not even be serviceable. First, locate it and let me know if it one that can be removed.

See pic 1 for location.

Joe
Apr 28, 2020 at 8:38 PM
Avatar
STATONE52
  • MEMBER
  • 8 POSTS
Found the relay. It doesn't look like it's serviceable but it looks like it can be replaced. I haven't been able to see how to remove it. Was able to pull it about 9/10 of the way out. Does it plug in?
Apr 29, 2020 at 4:11 PM
Avatar
JACOBANDNICKOLAS
  • CERTIFIED EXPERT
  • 110,175 POSTS
Hi,

Last night, I sent directions and tests. I see now they didn't go through. I tried again with no luck. There should be connectors under the unit that need disconnected. Let me know if you got it.

Joe
May 1, 2020 at 8:04 AM
Avatar
STATONE52
  • MEMBER
  • 8 POSTS
Yeah I pulled the unit up but not enough to reach the connectors. I didn't want to use to much force with being afraid of damage or even breaking. Could you give some advice on proper procedure. I attached a video for you to see my concerns.
May 3, 2020 at 8:15 AM
Avatar
JACOBANDNICKOLAS
  • CERTIFIED EXPERT
  • 110,175 POSTS
Hi,

Unfortunately, every time I attach the directions, it will not send. All I can tell you is it indicates to disconnect the connectors. Because of location, it won't be easy. I wish I could help more.

Joe
May 4, 2020 at 8:21 PM
Avatar
SHAWNALFREY
  • MEMBER
  • 19 POSTS
car just makes a click noise until it starts, would that be a starter or relay? how can you tell? the clicking comes from the starter area. it was put on a tester and came back as alternator is that possible?
Sep 30, 2020 at 12:13 PM (Merged)
Avatar
STRAILER
  • CERTIFIED EXPERT
  • 53,854 POSTS
Hello,

This sounds like a classic starter that has gone bad, here is a guide and some diagrams (below) that will show you what you are in for when changing and testing the starter.

https://www.2carpros.com/articles/how-to-replace-a-starter-motor

You will need to jack the car up

https://www.2carpros.com/articles/jack-up-and-lift-your-car-safely


Please let us know what happens.

Cheers, Ken
Sep 30, 2020 at 12:13 PM (Merged)
Avatar
EVANSSMITH
  • MEMBER
  • 1 POST
My car was working fine and just stopped running. I tried to start it up again but it sounded like nothing was cranking only my starter. Sounded like nothing was attached to the starter, no rur, rur, rur, or nothing, just the straight sound of the starter. Could that be a timing chain or belt? I have no clue as to what happened, it went from working fine to dead, but I do have juice. Someone please help me out here.
Sep 30, 2020 at 12:13 PM (Merged)
Avatar
BRUCE HUNT
  • CERTIFIED EXPERT
  • 3,754 POSTS
I suggest that you start simple. Note whether when you turn the starter on if there is belt movement of the alternator, etc. This guide can help us fix it

https://www.2carpros.com/articles/starter-not-working-repair

Please run down this guide and report back.

If these are not moving, this means that the engine is not being engaged by the starter. Now you get to think back about the last few times the car started. Did you hear any extra noise as the starter engaged? It really sounds as though the starter is not engaging on the flywheel. That would mean that you need to pull the starter and see if the starter is bad. The starter could turn without the solenoid pushing out the drive gear. No solenoid, no starter engagement and no engine turnover. I highly doubt that the gearing of the flywheel or the starter have been broken. On old tractors sometimes a cog gets knocked off the flywheel or the starter and by just nudging it is gear the bad spot is moved away from the starter and it will go. Look at the starter. Have it tested.
Sep 30, 2020 at 12:13 PM (Merged)
Avatar
SSCHULTE
  • MEMBER
  • 1 POST
Car won't start consistently. Battery is new. When key is inserted into ignition it looks as though the immobilizer system is not reading the key code. I repeat, this doesn't happen all the time. Can someone please tell me how to fix this issue?
Sep 30, 2020 at 12:13 PM (Merged)
Avatar
BRUCE HUNT
  • CERTIFIED EXPERT
  • 3,754 POSTS
First thing that comes to mind is the possibility of a bad switch. I might check with Honda about the switch replacement and see if they have a recall on it.
Sep 30, 2020 at 12:13 PM (Merged)
Avatar
CARLACAR
  • MEMBER
  • 1 POST
I started my car this morning and backed up a few feet. Noticed it was a bit reluctant to turn over, but it did. Thirty minutes later, it will not start. The starter clicks, and the battery should be working (car serviced and battery tested just two weeks ago). Then I noticed droppings around the battery (which is not corroded, and seems well attached with connections tight) and then found a chewed wire (pictured). It thankfully seems to be the only one. It is red in color, and it is mostly severed, though I did try squishing it together and starting again (did not work). Could it be just this?
Sep 30, 2020 at 12:13 PM (Merged)
Avatar
KHLOW2008
  • CERTIFIED EXPERT
  • 41,814 POSTS
Hi Carlacar,

The wire pictured in your post is for one of the injector and would most probably not cause the non starting.

You mentioned the engine reluctant to turn over and later the starter just clicks, that would mean a weak battery or its connection. Try a jump start to see if it works.
Sep 30, 2020 at 12:13 PM (Merged)
Avatar
EVERARDO CHAVARIN
  • MEMBER
  • 1 POST
The car does not start, you just hear a click noise.
Sep 30, 2020 at 12:13 PM (Merged)
Avatar
MHPAUTOS
  • CERTIFIED EXPERT
  • 31,937 POSTS
This click will be the starter solenoid engaging. this is the starter motors internal switch. either there is a low voltage problem, such as a bad battery or dirty or loose main battery terminal or a bad earth terminal. if these are okay it will be a faulty starter.
Sep 30, 2020 at 12:13 PM (Merged)
Avatar
XJSHEN
  • MEMBER
  • 245 POSTS
My car listed above LP-X, recently have twice could not startup when park in the small ascending slop at home. When parking in side plain level place it was okay. So, l started with jump wire with my another car. And l tested the voltage of my battery was 11.58 V when L could not start up. Battery was replaced in May 2017. At that time it was cranking but could not start up, and l tried jump start but it was impossible, and no more cranking. I was tried to replace new battery but didn’t start up. And when l install new battery have had a shot on the cathode and anode with a a extension wrench, fire clacked on the anode terminal.
Ignition switch looked okay. Dash light all turned on, radio and CD player works. And when put head light on and turn key to start position, all lights dimmed. I tested all fuses in hood box and interior box in driver’s side and no abnormal fuse including battery fuse, and all other fuses. And starter relay also looks okay. When l replace new relay it still doesn’t start up. Do you have perfect view and methods to figure out whether starter or solenoid problem without reach starter or solenoid on my car? Thanks for your help!
Sep 30, 2020 at 12:13 PM (Merged)
Avatar
JACOBANDNICKOLAS
  • CERTIFIED EXPERT
  • 110,175 POSTS
Hi,

You indicated that the lights dim when you try to start it. This sounds like the starter itself may be bad. What I need you to do is check power at the starter. Here is a link that explains how it is done. Do this and let me know what you find.

https://www.2carpros.com/articles/starter-not-working-repair

Let me know what you find.

Joe
Sep 30, 2020 at 12:13 PM (Merged)
Avatar
XJSHEN
  • MEMBER
  • 245 POSTS
Hi Joe,
Thanks a lot for your help with right diagnosis and instruction. Yes. my starter was problem. I removed and checked it in a Autoworker, and found that starter drive gear does not extend. That may be the cause when I park on the slop it did not startup, and if park on the garaza at plain position, it start up. At last time it was cranking but not startup, and I tried two more time, and no more cranking sound. If my solenoid also was bad? But there was no solenoid on Honda accord 2009, only have relay.

I want to order a new starter. Battery was okay if fully recharged. There was refurnished Honda starter, and a new starter from DB electrical, SMU0498. Both have similar prices around $70.00 to $80.00. I do not know which one is more reliable?

I found somebody in repair shop replaced my original Honda starter with an old Mitsuka starter. And all nuts on the were released and became round. Terrible thing have happened.
Again thanks!
Sep 30, 2020 at 12:13 PM (Merged)
Avatar
JACOBANDNICKOLAS
  • CERTIFIED EXPERT
  • 110,175 POSTS
Hi,

I had a feeling it was the starter. As far as your choices, I personally like to buy new parts. As far as the refurbished OEM starter, remember it is now a re-manufactured part and will only be a good as the person that rebuilt it. If I had to choose between the two, I would get the new one.

If you want to try doing it yourself, here is a link that shows in general how it's done. It really isn't hard to do. Just make sure the battery is disconnected before you start working on it.

https://www.2carpros.com/articles/how-to-replace-a-starter-motor

______________________________________________

Here are the directions specific to your vehicle. The attached pictures correlate with the directions.

2009 Honda Accord L4-2.4L
Removal and Replacement
Vehicle Starting and Charging Starting System Starter Motor Service and Repair Removal and Replacement
REMOVAL AND REPLACEMENT
Starter Removal and Installation

Removal

1. Do the battery removal procedure. See: Battery > Removal and Replacement

2. Remove the intake manifold.

3. Disconnect the positive starter cable (A) and the S terminal connector (B).

4. Remove the harness clamp (C).


pic 1



5. Remove the two bolts (A) securing the starter, then remove the starter.


pic 2



Installation

1. Install the starter, then tighten the two bolts.


pic 3



2. Install the harness clamp (A).


pic 4



3. Connect the positive starter cable (B) and the S terminal connector (C). Make sure the crimped side of the ring terminal faces away from the starter when you connect it.

4. Install the intake manifold.

5. Do the battery installation procedure. See: Battery > Removal and Replacement

6. Start the engine to make sure the starter works properly.


_______________

If you do it yourself, I'm here if you have questions or need help.

Take care,
Joe
Sep 30, 2020 at 12:13 PM (Merged)
Avatar
XJSHEN
  • MEMBER
  • 245 POSTS
Thanks a lot Joe.
Following your kindly provided documents and instruction I replaced starter and was able to fix problems, and let my car recovered function.
Again thanks!!
Sep 30, 2020 at 12:13 PM (Merged)
Avatar
JACOBANDNICKOLAS
  • CERTIFIED EXPERT
  • 110,175 POSTS
You are very welcome. I'm glad to hear it's taken care of. Please feel free to come back in the future if you need anything.

Take care,
Joe
Sep 30, 2020 at 12:14 PM (Merged)
Avatar
SKINNYL1ZARD
  • MEMBER
  • 1 POST
The wife came out work one night. She said when she put the key in the ignition she thought she heard a spark. Turned the key and nothing happened. She had the car towed home.
First thing I checked was the Battery. All lights are good. The battery tested at 12.69.
So I immediately assumed it was the starter. I pulled it, had it tested. The bend ix kicked out 1 of about 6 times.
I bought a starter, put it on, got every thing back together, turned the key, same results. Nothing. All lights are good.
Next I tracked down the starter relay. Which is more of a 8 part fuse. It does not look to be blown.
Next I pulled a plug and turned the motor counter clockwise just make sure it was not locked up.
Finally I changed the ignition starter switch. Still nothing.
I tested the ignition wire to the starter and get nothing. I am lost.
I do all my work myself because I can't afford mechanics. Can you help?
Thanks for your time.

Sep 30, 2020 at 12:14 PM (Merged)
Avatar
CAR-MAN145
  • CERTIFIED EXPERT
  • 321 POSTS
First of all check to see if it starts in neutral and turn the key while moving the shifter back and forth. If that doesn't work then you need to check the yellow wire out of the ignition switch to see if you have power when cranking if so that is the wire going to the starter solinid if you have power at the switch and not at the starter you have a bad wire or relay. You can also put power to the wire on the starter and with the key on it should start.
Sep 30, 2020 at 12:14 PM (Merged)
Avatar
JBROWN20
  • MEMBER
  • 1 POST
Car won’t start nothing when turning the key. VSA and ABS lights are on and when turning key the lights get brighter and the brake light comes on.
Sep 30, 2020 at 12:14 PM (Merged)
Avatar
94 TRANSAM
  • CERTIFIED EXPERT
  • 680 POSTS
Hi, welcome to 2CarPros.

When you say the "car wont start, nothing" do you mean it wont crank either?

Here is a guide that may help until I get more information:

https://www.2carpros.com/articles/car-cranks-but-wont-start

Rich
Sep 30, 2020 at 12:14 PM (Merged)
Avatar
SVGANDHI
  • MEMBER
  • 1 POST
We had some very cold weather a while back and I had to get my car jump started. It happened again a week later and the battery got replaced since it was on warranty. I drove it a couple times and it won't start again. When I turn the ignition there is no sound and the headlights don't come on when I press the button.
Sep 30, 2020 at 12:14 PM (Merged)
Avatar
SCGRANTURISMO
  • CERTIFIED EXPERT
  • 4,897 POSTS
Hello,

This could be a problem with the Powertrain Control Module (PCM) AKA, "computer" needs to relearn what was lost when the battery was replaced. I have included a link to a guide for you to go to.

https://www.2carpros.com/articles/engine-stalls-idles-too-high-low-after-dead-or-replaced-battery

Please go through this guide and get back to us with what you find out.

Thanks,
Alex
2CarPros
Sep 30, 2020 at 12:14 PM (Merged)