Starting issue

1995 MITSUBISHI MIGHTY MAX
105,000 MILES • 2.4L • 4 CYL • 2WD • MANUAL
Avatar
RONALD C ADAMS
  • MEMBER
  • 15 POSTS
Starter is fried again after a year. Does a corroded ground strap or a internally bad starter cable cause a starter to overheat and go bad? I have tried to replace the starter from Auto Zone and it would only crank half turn with a brand new battery and stop. My technician replaced the starter from O'Reilly's two months later with their starter and it did the same thing. We ended up putting the original back in. It would click on the relays while playing with the ignition switch but it would catch and start. Now the starter is totally fried because we used a heavy cable from the new battery directly to the starter and it would not start. Frustrated!
Jun 29, 2017 at 12:14 PM
Advertisement
Avatar
STRAILER
  • CERTIFIED EXPERT
  • 53,854 POSTS
Hello,

Yep sometimes those starters are not rebuilt very well. Try this one

https://www.amazon.com/gp/product/B007QBTNOA/ref=as_li_qf_sp_asin_il_tl?ie=UTF8&tag=2carprcom-20&camp=1789&creative=9325&linkCode=as2&creativeASIN=B007QBTNOA&linkId=cf5915bfcdb1212177ff165200ace374

There more money but the starter will work

https://www.2carpros.com/articles/how-to-replace-a-starter-motor

Please let us know what happens.

Cheers, Ken
Jun 30, 2017 at 1:48 PM
Avatar
RONALD C ADAMS
  • MEMBER
  • 15 POSTS
Thanks for all your help! I found the problem or it found me! It wasn't visible because it was burned off down inside the starter and when we tried to hook up directly from the battery to the starter the starter wouldn't turn. In the position that it was you could look the starter all over and not see it, you have to take it apart and mess with it to find it. The starter was fried but we were able to get an aftermarket one that worked so it starts every time now . Again thanks for all your help.
Jun 30, 2017 at 5:54 PM
Advertisement
Avatar
RONALD C ADAMS
  • MEMBER
  • 15 POSTS
Well, I thought I found the problem. The new starter worked fine the first day and right back to the same issue. Click click click with the new relay, new starter, new battery, and I have to roll start it again. Unreal. Only thing I haven't replaced are the 3 heavy gauge ground wires. Now I'm more determined than ever. I can play with the position of the clutch and the neutral switch and right at the sweet spot on that switch it will catch. I bypassed the switch with a wire loop and nothing. At wits end and nobody has a clue. Probably have to bypass ignition start switch and use a wire from the battery to a relay and a Spring loaded push button switch to the starter. Don't know what else to do. Signed Lost in Texas! Ron
Jul 1, 2017 at 10:36 PM
Avatar
RONALD C ADAMS
  • MEMBER
  • 15 POSTS
Simple question. Can a bad or rusted connection cause this starting issue. My technician like I said is ASE certified and said he tried starting it 10-12 times repeatedly after he installed this new starter and without fail it started every time. I take it home from his shop, park it and come out 4 hours later to use the truck and CLICK CLICK CLICK won't start! Battery is brand new!
Jul 2, 2017 at 5:20 AM
Avatar
RONALD C ADAMS
  • MEMBER
  • 15 POSTS
Here is the image of those rusted ground wires that would not post in the previous message!
Jul 2, 2017 at 5:22 AM
Avatar
HMAC300
  • CERTIFIED EXPERT
  • 48,601 POSTS
try cleaning them and see if it starts it cold cause the problem as well as dirty corroded battery terminals.
Jul 2, 2017 at 8:52 AM
Avatar
STRAILER
  • CERTIFIED EXPERT
  • 53,854 POSTS
Nice work finding the problem, clean that ground for sure.

Please let us know what happens.

Cheers, Ken
Jul 2, 2017 at 7:00 PM
Avatar
RONALD C ADAMS
  • MEMBER
  • 15 POSTS
Ken, I stated the battery was brand new so I know that isn't the problem. I've had ground cables rusted before living in NY State where they use salt and I've never, repeat never had this kind of issue! In 57 cars and trucks, this has never happened after everything has been replaced or bypassed such as clutch neutral switch which did nothing to solve it. I will replace ALL ground cables today and see what that does. Thanks
Jul 3, 2017 at 5:17 AM
Avatar
STRAILER
  • CERTIFIED EXPERT
  • 53,854 POSTS
Clean the contact points on the frame as well. Please let us know what happens.

Cheers, Ken
Jul 3, 2017 at 11:32 AM
Avatar
RONALD C ADAMS
  • MEMBER
  • 15 POSTS
Well I installed all brand-new cables, made sure everything was clean put everything back together and started one time like it should and then it would click on the start and then it would start another time. The next item I'm going to check and trace out is the feed wire going to the contact spade connector on the solenoid that engages it and the starter. I replaced everything else
Jul 3, 2017 at 9:34 PM
Avatar
HMAC300
  • CERTIFIED EXPERT
  • 48,601 POSTS
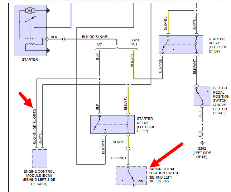
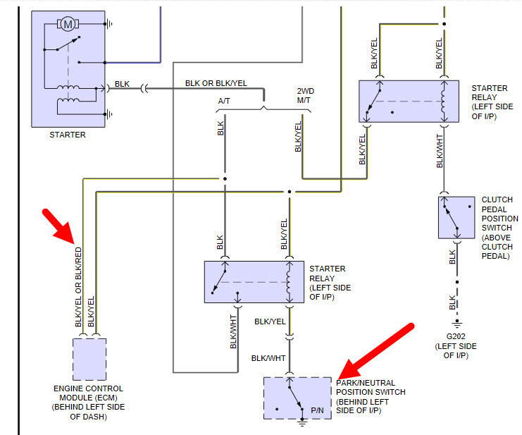
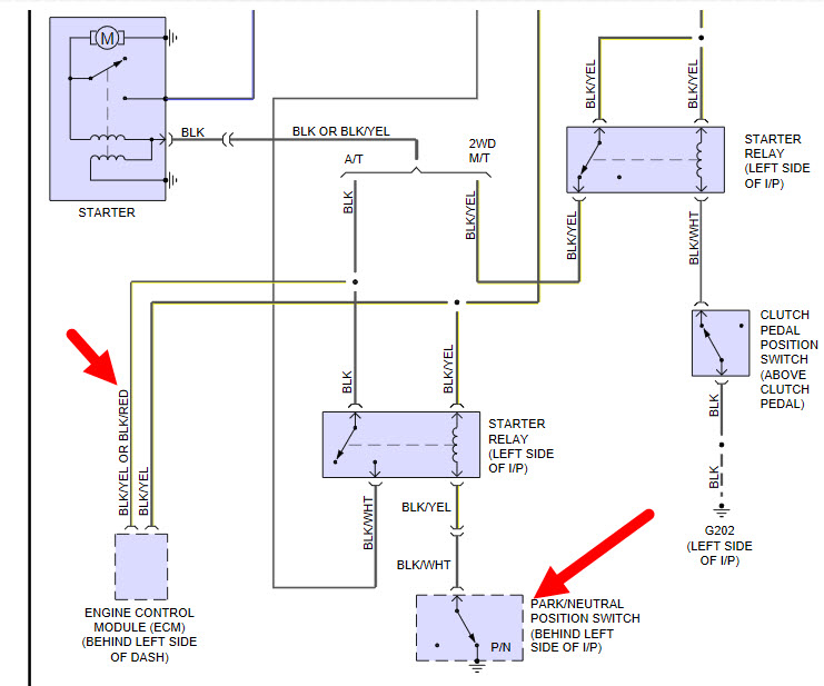
check the blk/yell wire leading from ignition switch it may not be sending to relay also check the wires in ppic
Jul 4, 2017 at 4:32 AM
Avatar
RONALD C ADAMS
  • MEMBER
  • 15 POSTS
Thanks for the wiring diagram. I'll study it and try and locate physically where things are. What is interesting is the truck started 4 times in a row and then just went click then it started again normally. Someone on FB said it might be the ECM/ECU. Is that possible the ECM could be causing that. I tried jumping the clutch neutral switch and that did nothing, so it's after that. I'll get it here soon I hope. Thanks happy fourth
Jul 4, 2017 at 6:11 PM
Avatar
HMAC300
  • CERTIFIED EXPERT
  • 48,601 POSTS
don't think it's the pcm more than likely a bad connection at relay like corrosion etc. or dirty battery terminal ends.
Jul 5, 2017 at 6:06 AM
Avatar
RONALD C ADAMS
  • MEMBER
  • 15 POSTS
Thank you but it is a brand-new battery with brand new shiny cables brand-new negative ground cables to the body in 2 places and to the block or motor in two places. The relay or start relay is brand-new. Has to be from the start relay on the black and yellow wire to the solenoid terminal. Since that black and yellow wire coming out of the start relay goes to the solenoid on the starter according to the wiring diagram CAN I cut that black and yellow wire several inches away from the new start relay and run a separate wire to the solenoid of the starter?? There must be something wrong with the wire in between those 2 items in the harness? Everything has been replaced and is new. Here are some images of all the new components I don't have a picture of the starter relay behind the passenger kick panel cover. I don't see any components like I said between the start relay and the solenoid terminal on the starter solenoid so I was wondering if I could replace that with a new wire all the way to the starter solenoid
Jul 5, 2017 at 7:08 PM
Avatar
HMAC300
  • CERTIFIED EXPERT
  • 48,601 POSTS
i really don't think it's a wire unless it's pinched someplace have you checked the ignition switch as of yet as that can do it as well.
Jul 5, 2017 at 7:36 PM
Avatar
STRAILER
  • CERTIFIED EXPERT
  • 53,854 POSTS
Hello,

Use a test light and check to see if the small trigger wire at the starter is getting power when you turn the key

https://www.2carpros.com/articles/how-to-use-a-test-light-circuit-tester

and

https://www.2carpros.com/articles/car-engine-will-not-crank-over

See how it is done near the bottom of the guide. If you are getting power then the starter motor is defective.

Please let us know what happens, we are interested to see what it is.

Cheers, Ken

Jul 6, 2017 at 4:55 PM