That sounds like the Bendix is bad. That is the part that forces the gear in the starter to extend and engage with the flywheel. If you hear the starter motor spinning really fast but the engine itself (look at the engine belt) isn't turning, replace the starter. There was a time when people would replace the solenoid/Bendix, but it really isn't cost effective anymore. Actually, I don't even know if you can still purchase individual parts like that.
Take a look through this link. It explains how a starter works. In the link, it discusses the Bendix.
https://www.2carpros.com/articles/how-a-starter-and-solenoid-works
Here is a link that shows in general how one is replaced:
https://www.2carpros.com/articles/how-to-replace-a-starter-motor
_____________________________
Here are directions specific to replacement on your vehicle. The attached pictures correlate with the directions.
2002 Chevrolet Impala V6-3.4L VIN E
Procedures
Vehicle Starting and Charging Starting System Starter Motor Service and Repair Procedures
PROCEDURES
REMOVAL PROCEDURE
IMPORTANT: The starter motor on this vehicle is NOT serviceable and must be replaced as a complete unit.
pic 1
1. Disconnect the negative battery cable.
2. Raise and support the vehicle. Refer to Lifting and Jacking the Vehicle.
3. Remove the lower air deflector.
4. Remove the torque converter covers.
5. Remove the starter solenoid BAT terminal nut (8) and remove the positive battery cable (9) from the starter motor.
6. Remove the starter solenoid S terminal nut (7) and remove the starter solenoid wire (6) from the starter motor.
pic 2
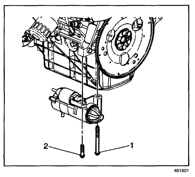
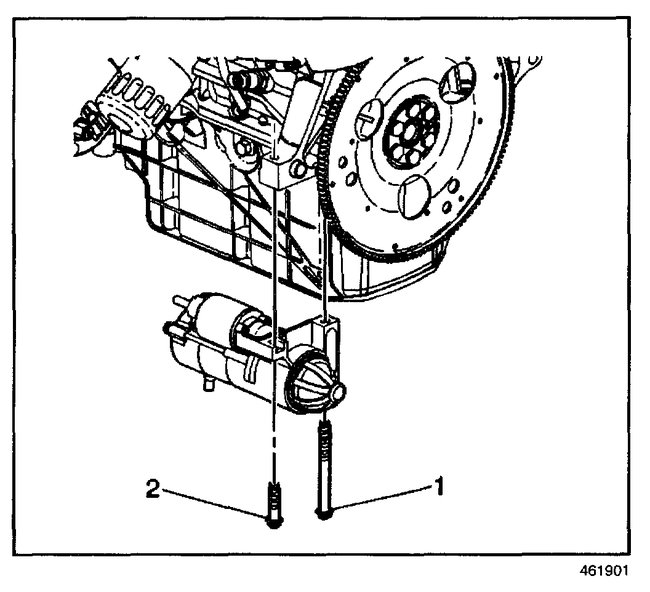
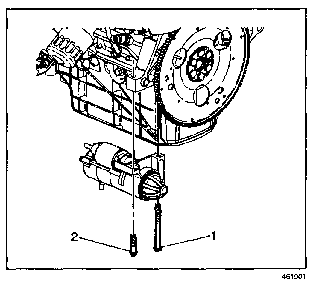
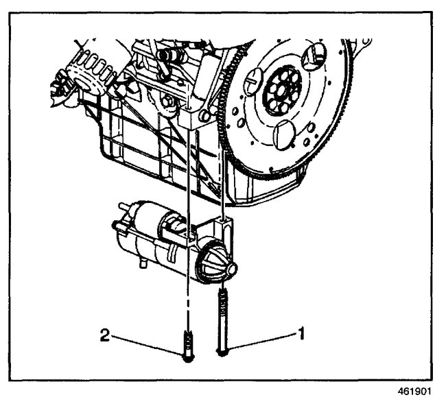
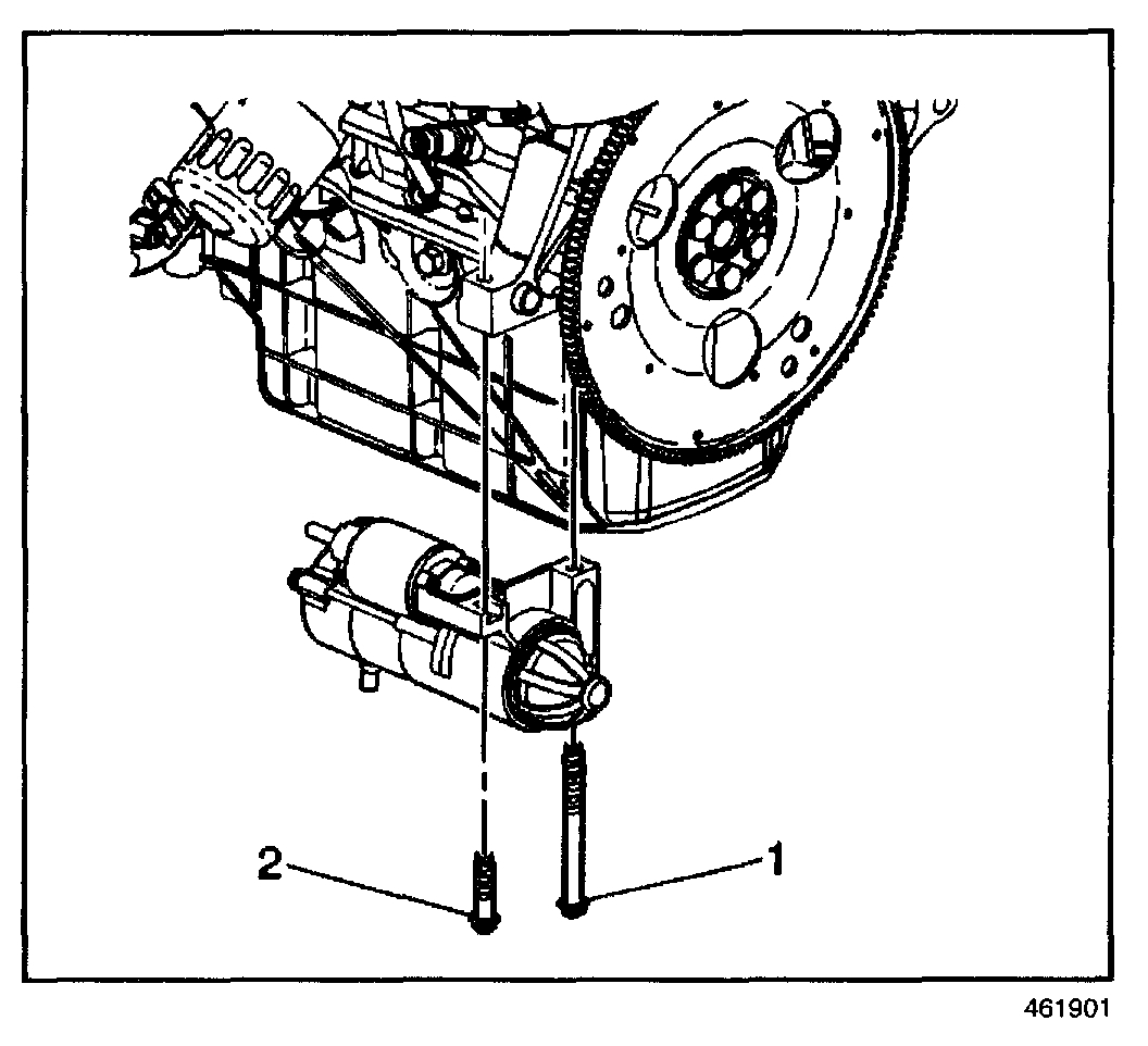
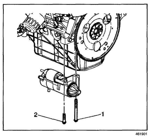
7. Remove the starter bolts (1,2) and remove the starter motor. Remove the shims, if necessary.
INSTALLATION PROCEDURE
pic 3
1. The 3.4L uses a PG260 F1 starter motor. Verify that the correct starter motor is being installed.
pic 4
2. Align the starter motor to the engine. Install any shims, if removed.
NOTE: Refer to Fastener Notice in Service Precautions.
3. Install the starter bolts (1,2) finger tight until seated.
Tighten
Tighten the starter bolts to 43 N.m (32 lb ft).
pic 5
4. Install the positive battery cable (9) and install the solenoid BAT terminal nut (8) finger tight to the starter motor.
Install the starter solenoid wire (6) and install the starter solenoid S terminal nut (7) finger tight to the starter motor.
Tighten
^ Tighten the solenoid BAT terminal nut (8) to 10 N.m (89 lb in).
^ Tighten the starter solenoid S terminal nut (7) to 2.3 N.m (20.5 lb in).
5. Install the torque converter covers.
6. Install the lower air deflector.
7. Lower the vehicle.
8. Connect the negative battery cable.
______________________________________
Please feel free to let me know if you have other questions. Also, if you get the chance, let me know if this takes care of the issue.
Take care and have a great holiday.
Joe
Images (Click to enlarge)
Dec 18, 2019 at 5:47 PM