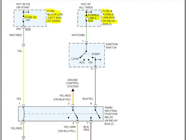
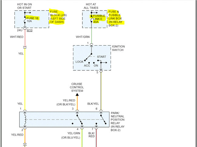
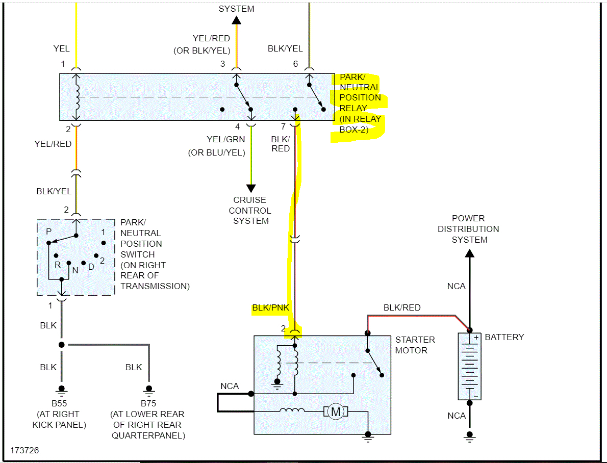
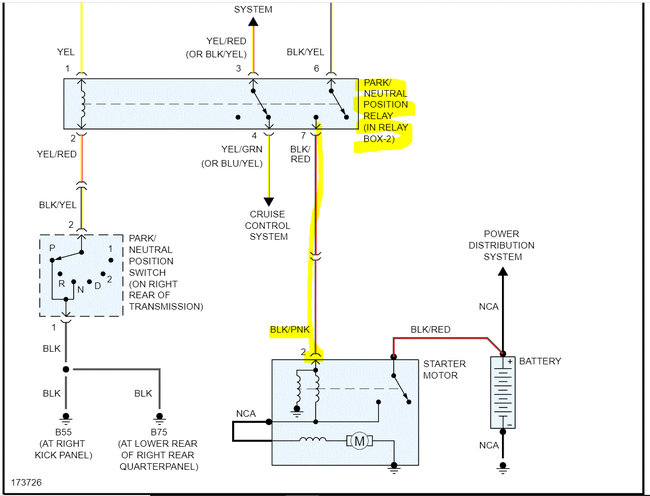
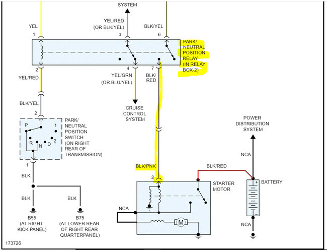
It will not crank after the installation of a new starter. It would click once when the key is turned. It started over twelve times immediately after the new starter was installed, then i shifted the drive train into 4-wheel high to check the front drive shaft and it won't crank again. I have checked the voltage under the starter relay and the contacts at the bottom right location that has no power. All five other contacts read 12.5 volts.
Jul 11, 2022 at 9:48 AM

