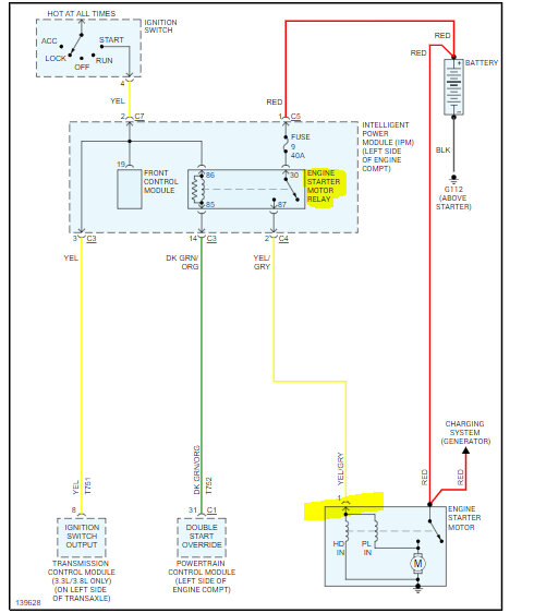
This whole thing started about a week ago, it felt like my starter was sticking, like something was slowing it down. Then i would turn the key and nothing would happen besides a loud click. But if I turned the key again a couple times it would start up. This went on for 2 days and on day 3, it wouldn't turn on for what felt like 100 turns of the key and then on 101when I was giving up, it started. For the next day it was really hard to get the starter to turn until I stopped to get gas and couldn't get it going at all, people who thought they knew stuff about cars was saying it was this, no it was that, but in the end I ended up getting a new starter. Well i struggled getting the old one off because for some reason both bolts had already been stripped. Now with the new ignition in, nothing changed except there wasn't the same click as before. Well, this "car guy" told me to jump the power of the solenoid for the starter which will cause the car to turn on if the ignition is in the on position... So, I did that...
The starter did indeed turn over for a split second but instantly after that I lost all power inside the car.
NOW... When I have the battery connected, ignition off, the ASD Relay repeatedly clicks loudly, and the eatx safety shutdown Relay clicks once every time the battery gets connected.
The starter did indeed turn over for a split second but instantly after that I lost all power inside the car.
NOW... When I have the battery connected, ignition off, the ASD Relay repeatedly clicks loudly, and the eatx safety shutdown Relay clicks once every time the battery gets connected.
Mar 2, 2024 at 7:38 AM
