Will not crank

2003 GMC SIERRA
177,000 MILES • 0.5L • V8 • 4WD • AUTOMATIC
Avatar
PAULWCOSBY
  • MEMBER
  • 4 POSTS
I just replaced my crank shaft positioning sensor and my camshaft sensor. When I first put the truck back together it cranked but wouldn't fire, I took it apart again (starter out of the truck) to check everything put it back together and now it won't even crank! Checked all the fuses checked the relay everything's fine I can make the starter turnover at the back of the starter, but it still won't start. Or turnover by key.
Apr 14, 2022 at 10:05 PM
Advertisement
Avatar
KASEKENNY
  • CERTIFIED EXPERT
  • 18,907 POSTS
Couple questions. Does this truck have dual batteries? Some 1500s have dual batteries so we need to confirm this.

Next here is a guide that will help with this issue in general because this will get us some more info on how to repair it:

https://www.2carpros.com/articles/starter-not-working-repair

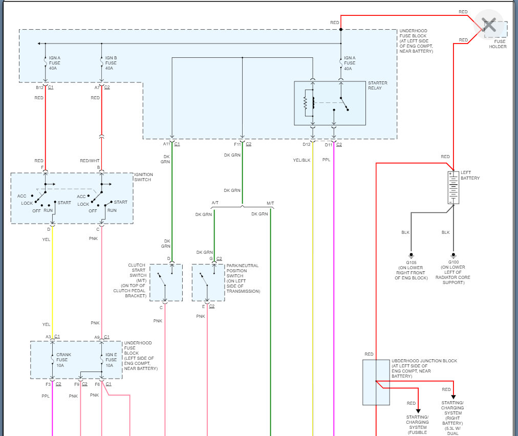
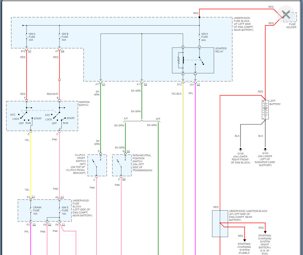
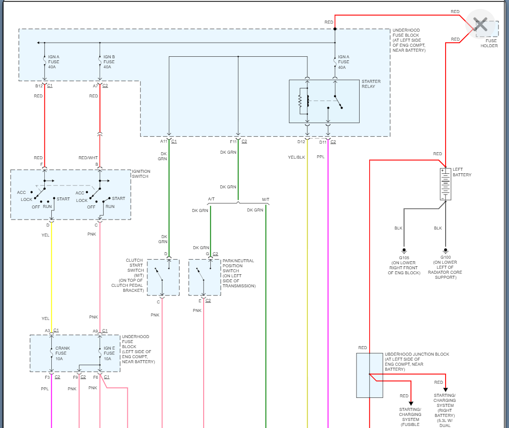
Next if you can jump the relay and it turns the starter then we need to find out why you are now not getting any power on the control side of the relay to engage the relay.

This could be a neutral switch or some other issue, but I am going to think that the relay itself is the issue so let's check the power coming from the neutral switch.

Then we need to check for ground to the PCM at the relay. You do this by putting your red meter lead on battery positive and the black on this terminal and then crank the engine. Your meter should read 12 volts.

If not, then the PCM is not grounding the relay.

Please see the wiring diagram below and let me know if you have questions.

Thanks
Apr 15, 2022 at 6:31 PM
Avatar
PAULWCOSBY
  • MEMBER
  • 4 POSTS
Just determined it's a bad or faulty new crankshaft sensor I guess it happens.
Apr 16, 2022 at 10:13 AM (Merged)
Advertisement
Avatar
SQM
  • CERTIFIED EXPERT
  • 6,383 POSTS
Hello,

Generally speaking, a faulty crank sensor can keep the engine from starting, however it will typically crank the engine but not start.
If the engine is not cranking over, you might have a different issue.

https://www.2carpros.com/articles/symptoms-of-a-bad-crankshaft-sensor

Typically, not cranking over is related to a faulty starter or ignition switch.
Let me know what you have been experiencing.

Keep in mind if it is the crank sensor, the new sensor will need to be programmed to work on the vehicle.

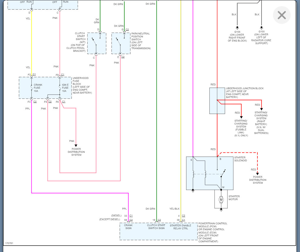
I have attached diagrams for your reference.

Please let me know of any questions.

Thank you.
Apr 16, 2022 at 10:13 AM (Merged)
Avatar
PAULWCOSBY
  • MEMBER
  • 4 POSTS
It was a combination of a bad ignition fuse and the crank shaft sensor. The fuse was my fault!
Apr 16, 2022 at 10:13 AM (Merged)
Avatar
SQM
  • CERTIFIED EXPERT
  • 6,383 POSTS
Got it. So you were able to get it taken care of?
Apr 16, 2022 at 10:13 AM (Merged)