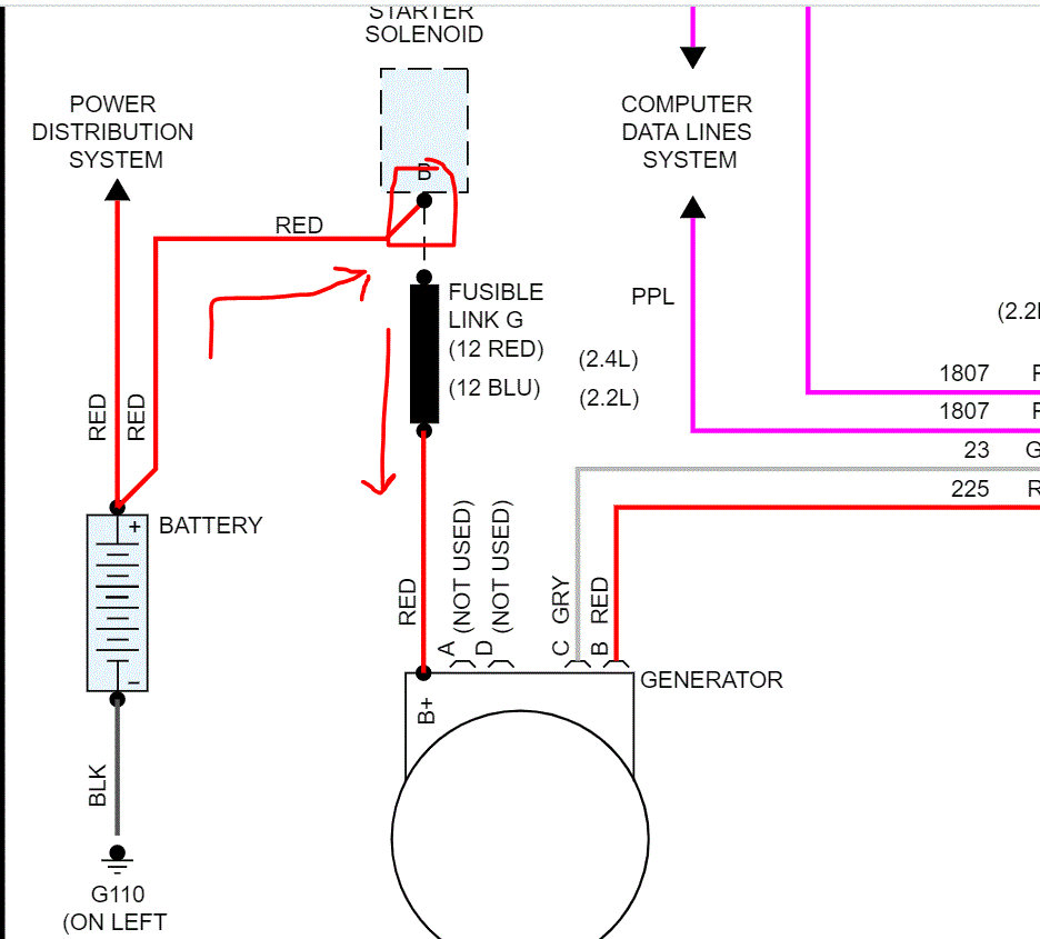
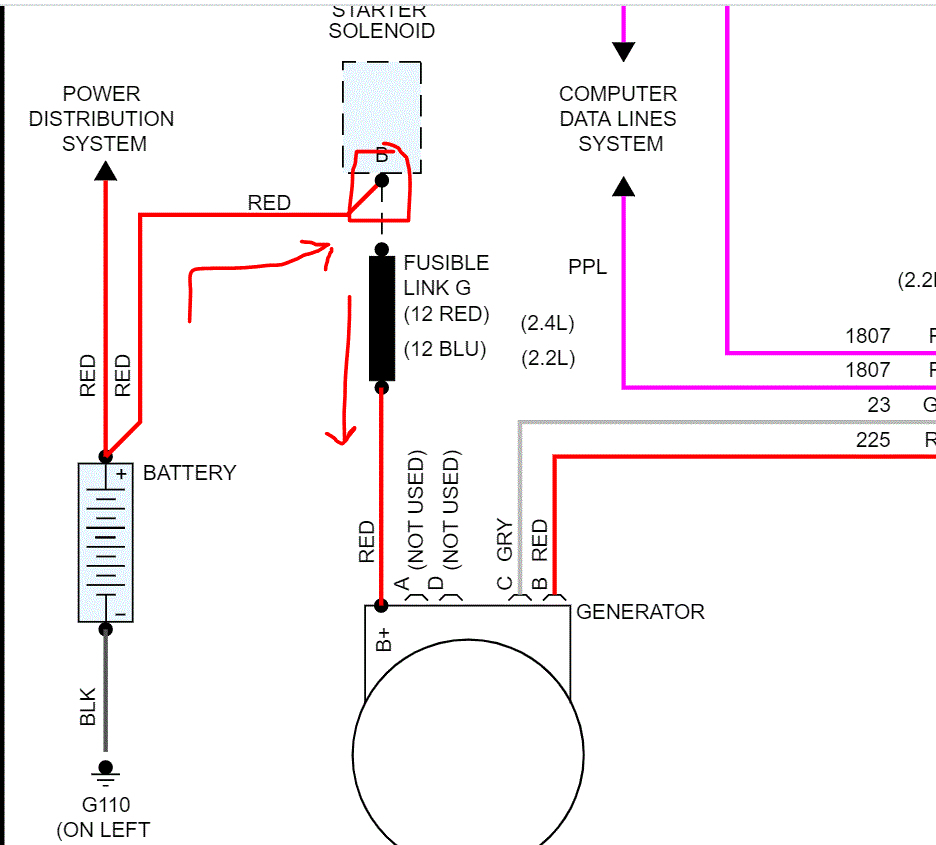
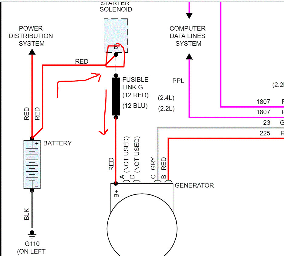
Hi, i recently put a new starter on my car and like an idiot i didn't mark my wires. anyway, i have a big red and a big green wire both have big eyelets and a small red and small purple both with small eyelets and i need help hooking them back. thanks for any help.
Mar 20, 2020 at 8:43 PM

