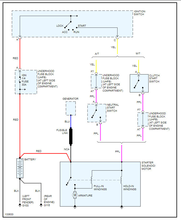
sometimes the car wont start i mean nothing turn to start nothing. i have to push it to start it luckily it a manual. a mechanic i know said it was my solenoid my starter is behind the engine. i had the the starter bench tested by Advance Auto and it came out good. Rick a mechanic said was the solenoid. so i really don't know. when turn key not even a click.
Aug 11, 2020 at 2:55 PM
