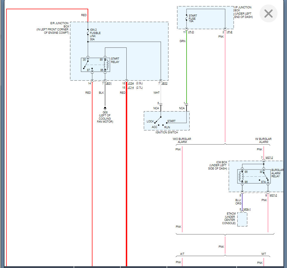
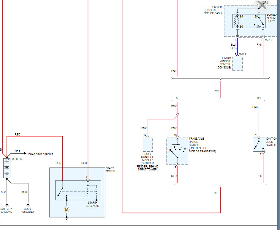
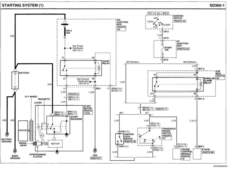
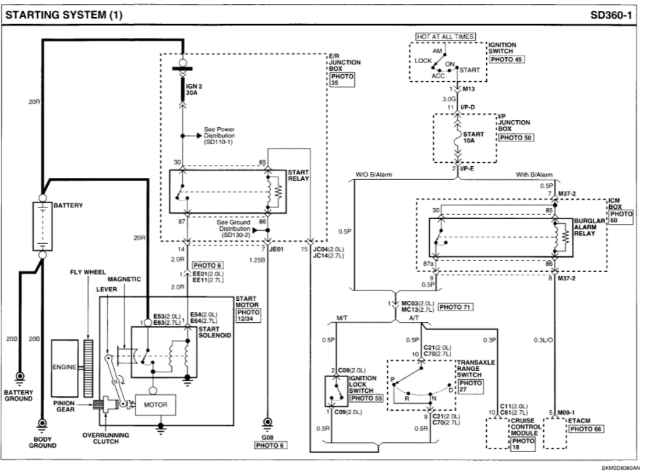
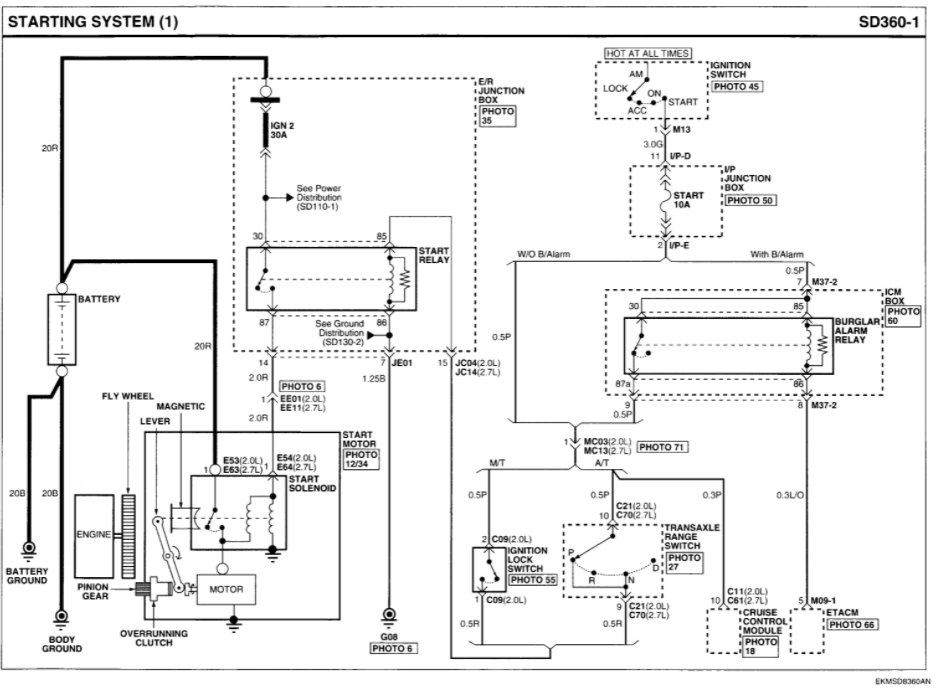
starter stays engaged after engine starts unless you place it in drive or reverse. Changed key switch and starter no difference.
As soon as you turn key to on position (not start) the engine cranks and starts.Never need to turn key to start position. If you shift into park,you hear the grinding of the starter drive turning against the flex plate/flywheel,only way to stop it is keep in drive or reverse. When shutting car off must leave in drive,turn off key, after engine shuts down,then to park,remove key. Anytime you are in park or neutral you'll hear the loud grinding noise. So,we turn key on and slap reverse asap.Then into drive asap to limit the grinding noise. I thought about cutting the wire and installing a toggle switch to start but starter wire is too short to get to and work with extending to inside car to a switch.I also removed the fuse box cover under the hood and took out the starter relay,and only then can I turn key on without engine cranking but downside is car won't start at all.Replaced with a new relay,same issue,no difference.
As soon as you turn key to on position (not start) the engine cranks and starts.Never need to turn key to start position. If you shift into park,you hear the grinding of the starter drive turning against the flex plate/flywheel,only way to stop it is keep in drive or reverse. When shutting car off must leave in drive,turn off key, after engine shuts down,then to park,remove key. Anytime you are in park or neutral you'll hear the loud grinding noise. So,we turn key on and slap reverse asap.Then into drive asap to limit the grinding noise. I thought about cutting the wire and installing a toggle switch to start but starter wire is too short to get to and work with extending to inside car to a switch.I also removed the fuse box cover under the hood and took out the starter relay,and only then can I turn key on without engine cranking but downside is car won't start at all.Replaced with a new relay,same issue,no difference.
Jun 25, 2021 at 9:04 AM





