Where is the starter located, how to replace the starter?

2005 SUZUKI AERIO
280,000 MILES • 2.3L • AUTOMATIC
Avatar
MELANIE HARRINGTON
  • MEMBER
  • 1 POST
I'd like to find a diagram of where the starter is located and if there is a way that I can start the car with a screwdriver on the solenoid. Also how to replace it on my car. I'm stranded.
Apr 24, 2024 at 12:37 PM
Advertisement
Avatar
STEVE W.
  • CERTIFIED EXPERT
  • 15,113 POSTS
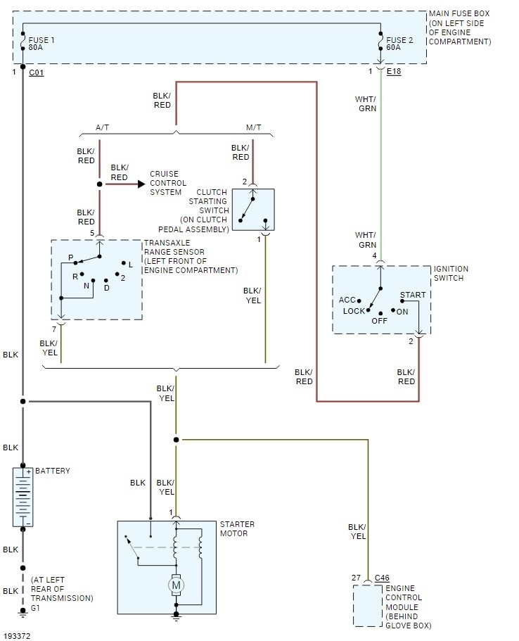
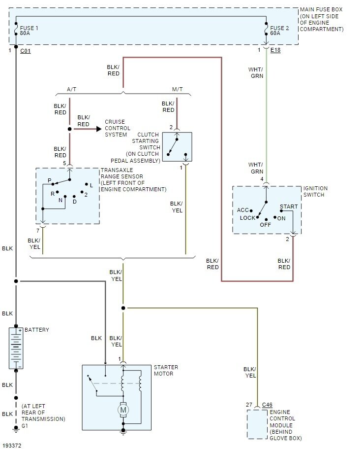
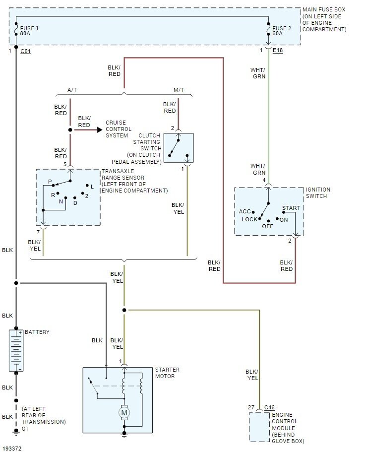
Could you tell me what it actually does when you turn the key? Clunk? Grind? Nothing? If you turn the lights on, do they dim when you try the key? Try this, First hold the brake down, now shift out of park and into neutral, try the key? Does it start or try to start? Most cars can start in both in the event you stall while moving, the neutral switch can fail in one position but still work in the other. Nothing? Check the fuse that powers the starter, which would be fuse 2 in the main fuse box under the hood. Next go find the starter motor, it's underneath the intake manifold and it can be hard to get to. However, if you unplug the black wire with a yellow stripe from the terminal on the solenoid, then use a simple test light connected to battery negative and to the connector in that wire, now with the car in park turn the key, does the light come on? If yes, the control circuit is OK. Now use the light on the large battery terminal on the starter, does it light there? What does it do when you turn the key to start? Ideally it should stay bright or dim very slightly. If, however it goes out, you have either a bad battery or bad battery cable. Clean the terminal connections for the battery cables and try again.
Apr 24, 2024 at 5:06 PM