Hi,
There are two things we can try. First, you can check the relay itself. You can simply switch it with a different relay in the box that has the same part number or here is a link that shows how it is checked:
https://www.2carpros.com/articles/how-to-check-an-electrical-relay-and-wiring-control-circuit
Or, at the starter, you will see a heavy gauge wire which has 12v at all times straight from the battery. There is also a smaller wire which attaches to the S solenoid and is a much smaller gauge wire. That wire only gets 12v when the key is in the start position. So, if it is getting power (you'll need a helper to check), the starter is bad.
Here is a link that explains how to test the starter itself:
https://www.2carpros.com/articles/starter-not-working-repair
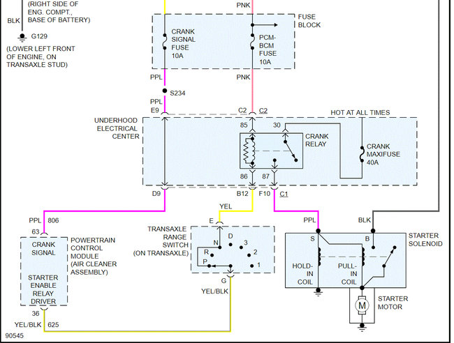
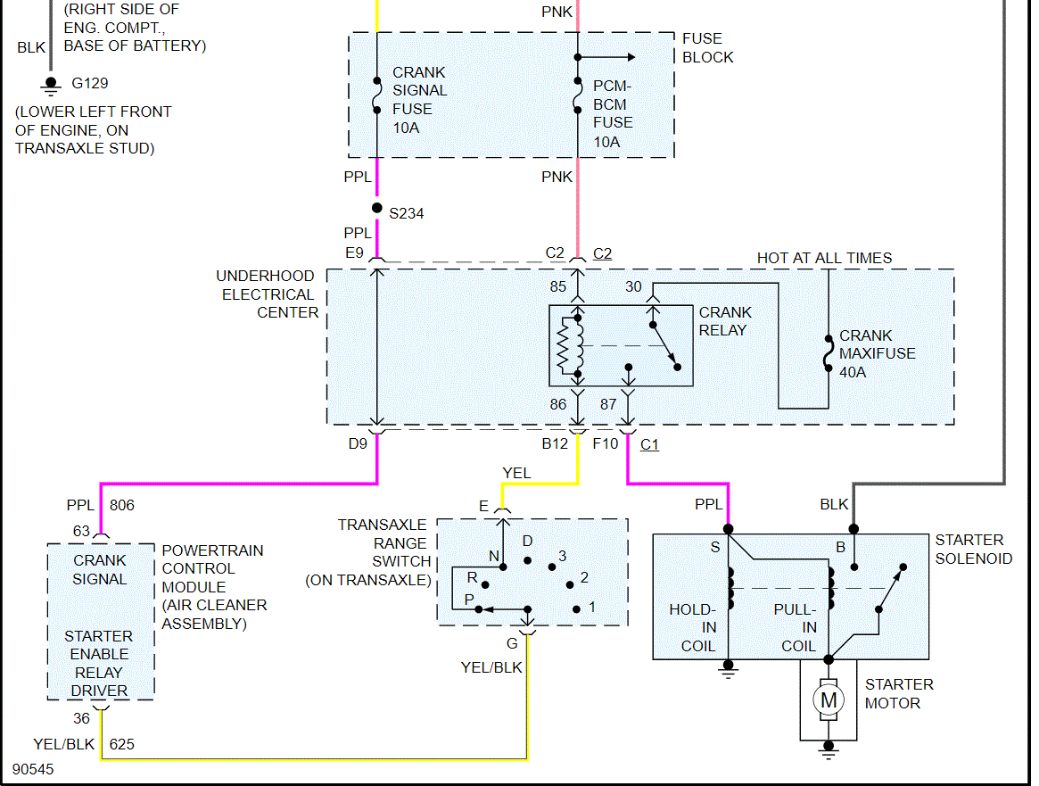
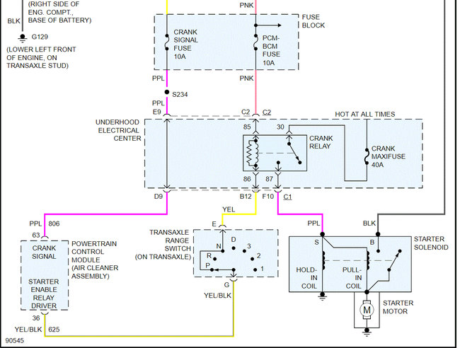
I attached the entire wiring schematic below for the starting system. At the starter, the wire to check is purple.
Two more things. Make sure the fuses are good and just for the heck of it, see if it starts in neutral. The park/neutral switch may be bad.
Let me know.
Joe
See pics below.
Images (Click to enlarge)
Apr 30, 2021 at 10:04 PM