Starter relay not receiving power from fuse box?

2014 ACURA ILX
105,633 MILES • 2.0L • 4 CYL • 2WD • AUTOMATIC
Avatar
SMWR
  • MEMBER
  • 3 POSTS
My starter relay fuse is not receiving power at all. I’ve checked all other fuses under the hood as they’re all receiving power. Only fuse that is not reviving any power is my starter relay fuse.
Feb 14, 2023 at 9:16 PM
Advertisement
Avatar
AL514
  • CERTIFIED EXPERT
  • 5,465 POSTS
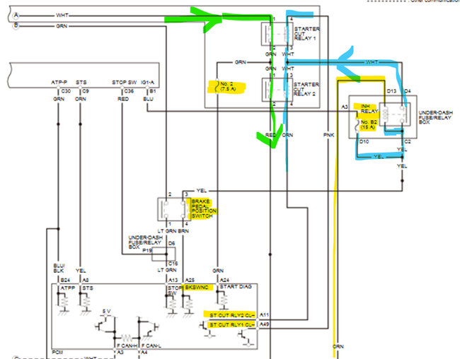
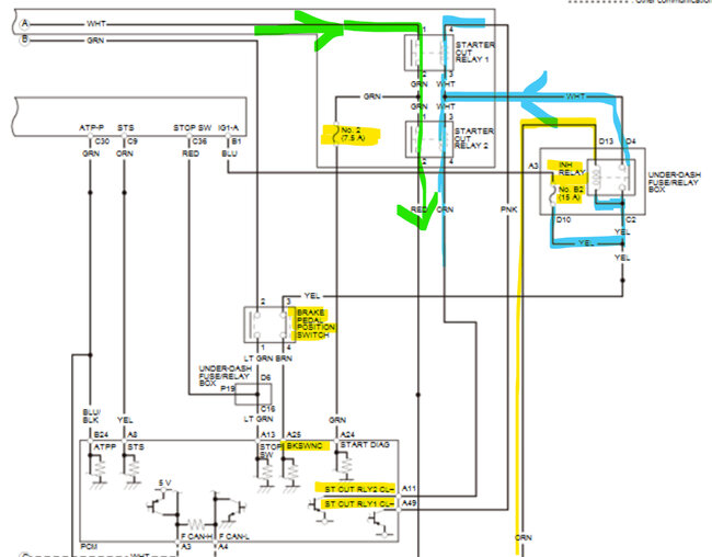
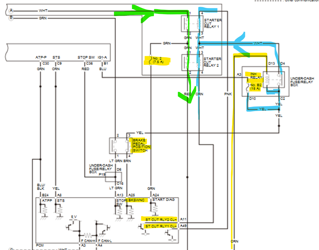
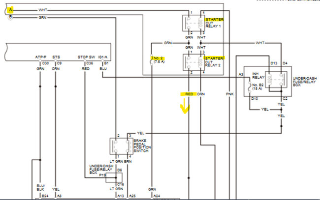
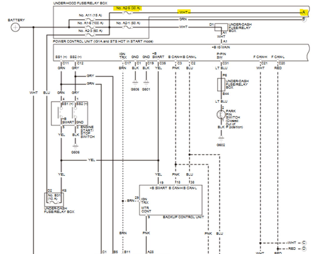
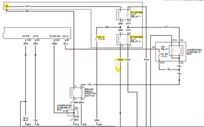
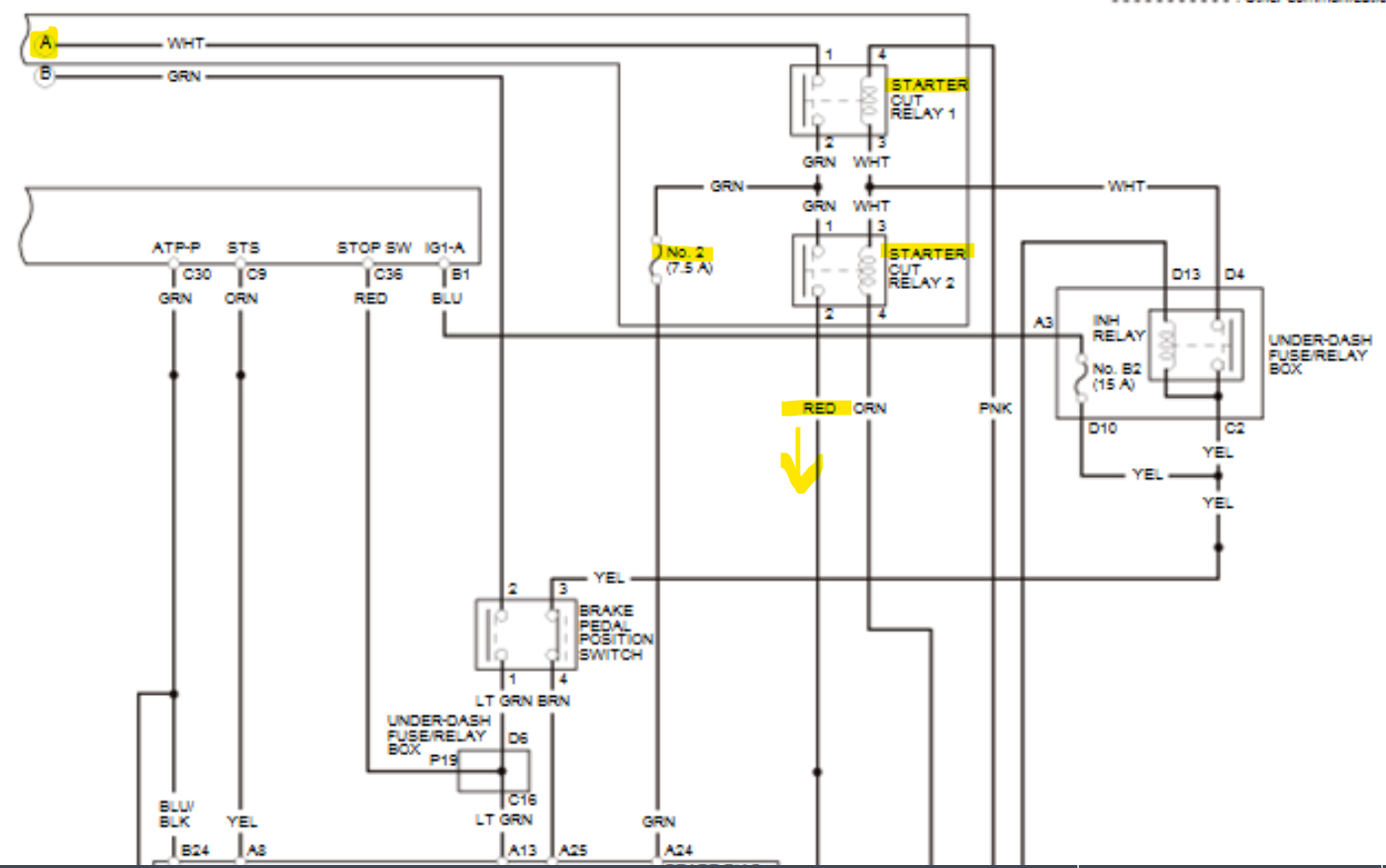
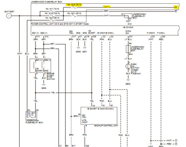
Hello, are you referring to the A2-5 (30amp) fuse that feeds power through the 2 Starter Cut Relays? The number 2 Starter Cut Relay is the relay that ends up feeding power to the Starter Motor. But there are a couple fuses involved in this circuit. There is also a Number 2 fuse 7.5amp that is a signal wire to the engine computer, it looks like that fuse is to verify power is coming through the Starter Cut Relay number 1. I'll post diagrams of all this so we can be sure of what fuse you are not receiving power at.
I believe some of these diagrams are mislabeled. Even in the OEM manufacturer diagrams, 5,6,7.
In the 4th diagram, which is an aftermarket diagram, fuse 2-5(30amp) feeds power to Starter Cut Relay number1, then to Starter Relay Cut number 2, which in turn feeds power to the Starter via the Red wire. But both relays need to be energized for this to happen. The fuse labelled 5(7.5amp) goes to the PCM on a green wire as a signal that Relay 1 has energized.

Then on the OEM diagram fuse 5 is labelled actually Fuse 2 (7.5amp) which you can see in the last diagram. I think they are both incorrect. But besides that, for now, if you can tell us which fuse you're missing power, we can figure out where it's supposed to come from. There are a number of reasons why it might be missing.

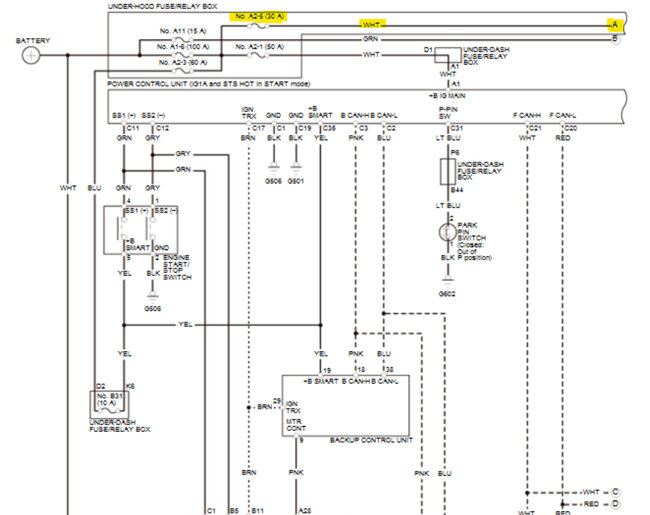
The 1st diagram is the under-hood fuse panel, M2 and M5 are the Starter Cut Relays marked in green, Fuse 2-5 is also marked in green.
Feb 15, 2023 at 5:30 AM
Avatar
SMWR
  • MEMBER
  • 3 POSTS
Fuse number 2 7.5 on the engine compartment.
Feb 15, 2023 at 7:03 AM
Advertisement
Avatar
AL514
  • CERTIFIED EXPERT
  • 5,465 POSTS
Okay, and you do have 12-volts on the 2-5 (30amp) fuse? If you do, that's good. But you won't have power on the Fuse 2 (7.5amp) until the Starter Cut Relay 1 is energized. You can see where that green wire runs down to the PCM and is labelled Start Diag. Thats where the PCM is monitoring that circuit. For the Start 1 Relay to energize it needs to be powered up from the INH Relay to the right. That Relay powers the control side of both the Starter Cut Relays and then is ground side controlled by the PCM once powered up. So, there can be any number of things happening here. The INH relay is grounded through the Transmission Range switch. But the PCM also needs to see the Brake pedal position switch activated. These are all safety protocols. There are many things that need to happen in this system before the vehicle starts. Its a pretty in-depth system. And if there is a failed transistor inside the PCM, that can't be checked with a regular test light. The control sides of all those relays are very low amperage circuits. They should be checked with and LED test light so none of the relay transistors are burned out. This is one of the more complicated starting systems I've seen, plus it's a push button start. Most of this will need to be monitored with a scan tool to see what live data pids are being activated and which are not. There may even be a code stored in the PCM if it is seeing a problem circuit.
So, it is possible that either one of those relays is not functioning or the control circuit for one of them is not working inside the PCM (engine computer).
There are some Technical Service Bulletins on updating control modules along with some safety Recalls for headlamp overheating and fires. So, you may want to bring this in to have these checked.
Feb 15, 2023 at 8:11 AM