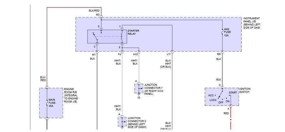
Replaced battery and starter. will not crank. checked all fuses, checked power at the ignition wire to starter. No power. Turn key, nothing. Everything is going back to the starter relay. Need location of starter relay. Am I on the right track?
Mar 4, 2018 at 7:14 PM


