starter relay location

1987 TOYOTA VAN
210,000 MILES • 2.2L • 4 CYL • 2WD • AUTOMATIC
Avatar
ED HERNANDEZ
  • MEMBER
  • 1 POST
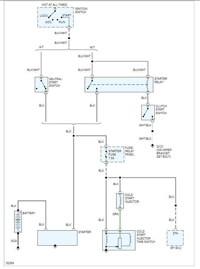
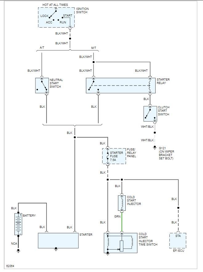
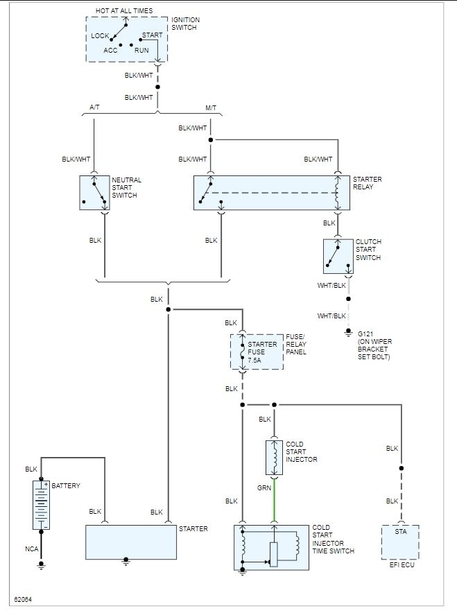
the factory service manual shows the starter relay to be in the engine compartment behind the air flow meter under the driver's seat, but it does not appear to be there. can you help me find it?
Aug 4, 2017 at 5:58 PM
Advertisement
Avatar
STRAILER
  • CERTIFIED EXPERT
  • 53,854 POSTS
Hello,

Yes this is what I have. Kind of the same thing of have. Might have to go old school and check the wire color at the starter solenoid and look for the same color at the relay.

Please let us know what happens.

Cheers, Ken

Attached below is the relay location and the wiring diagram
Aug 6, 2017 at 9:08 PM