starter relay fused

2004 MITSUBISHI ENDEAVOR
100,000 MILES
Avatar
JENNY HOWARD
  • MEMBER
  • 1 POST
battery is fine where is starter relay fuse?
Jan 13, 2020 at 10:14 AM
Advertisement
Avatar
KASEKENNY
  • CERTIFIED EXPERT
  • 18,907 POSTS
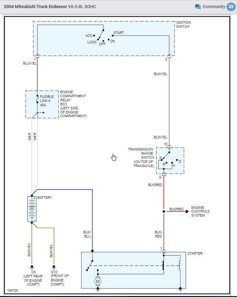
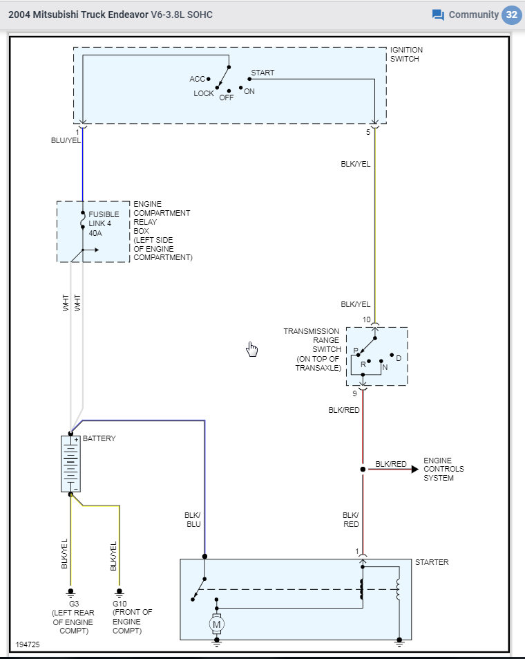
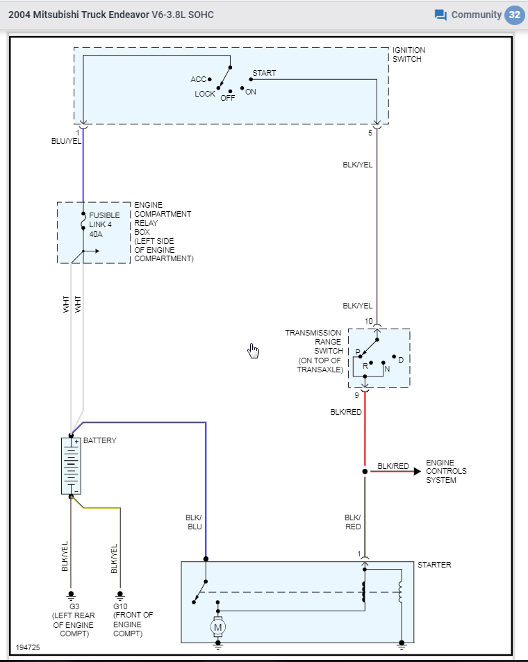
You don't have an actual relay. You have what is called a fusible link. It is a little different. Here are the diagrams and location. Let me know if you need more info. Thanks. Check out the diagrams (Below). Please let us know what happens.
Jan 14, 2020 at 2:51 PM