Engine does not crank over

2007 CADILLAC ESCALADE ESV
165,654 MILES • 6.2L • V8 • 4WD • AUTOMATIC
Avatar
CADDDY187EDDIE
  • MEMBER
  • 1 POST
no start or crank at key turn.. i replaced the starter twice, replaced the relay twice, and the ignition switch twice as well also replaced the harness along steering wheel column. i have took out security devices like drone mobile module and the passtime devices out and repair the purple wire back on with a wire connector. i have replaced and upgraded to AGM group 48 batteries as it's dual battery setup. it does crank at starter relay with one wire jumping 30 to 87, it does crank with remote starter switch on the starter but no fire up.. replaced the the crankshaft and camshaft, and spark plugs and wires. it sparks on all coils and shoots fuel out of the fuel rails. and last i have replaced ECM that's programmed to my VIN and did the relearn for 30 minutes and its passed the security but no crank at key turn. then now security light wont go off due code C0561-71, and i found the short on B+ circuits that melted into the right front seat heated/cooled module for code B1380-06. i have make sure all ground points were good as they are but code B2355-06 is short on ground and i don't see any problems with the ground. i have removed my radio head unit that had another short in it. i'm ripping this truck apart to search everywhere for the problem of low ref and voltages difference. how can i bypass this and get my truck on the road?
May 21, 2020 at 9:32 AM
Advertisement
Avatar
STRAILER
  • CERTIFIED EXPERT
  • 53,855 POSTS
Hello,

Lets concentrate on the engine not cranking over for this thread it might fix both problems you never know. Does the security light flash when your are turning the key to the crank position? If so let run down this guide:

https://www.2carpros.com/articles/how-to-reset-a-security-system

This guide can help as well:

https://www.2carpros.com/articles/starter-not-working-repair

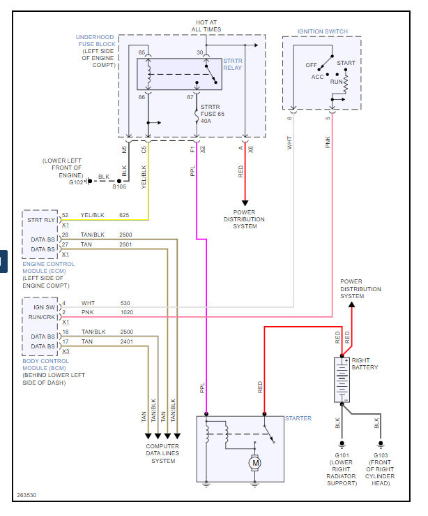
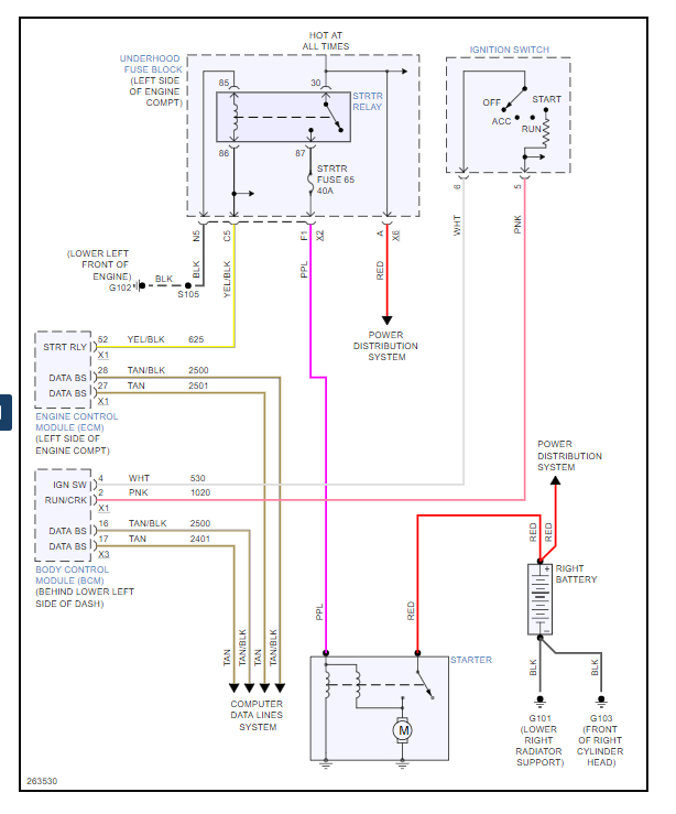
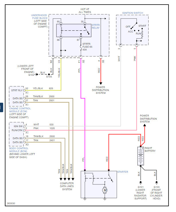
Here is the starter wiring diagram so you can see how the system works. Check out the diagrams (below). Please run this test and get back to us.
May 22, 2020 at 7:06 PM