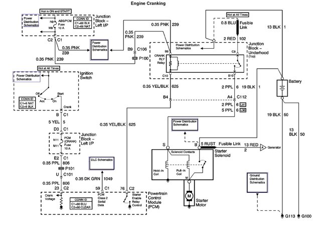
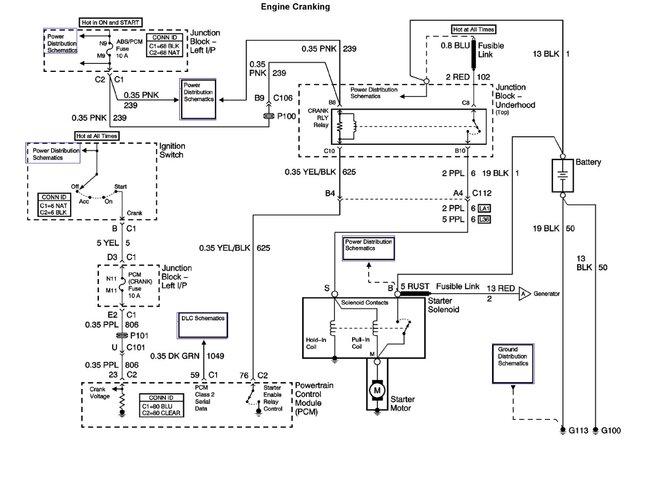
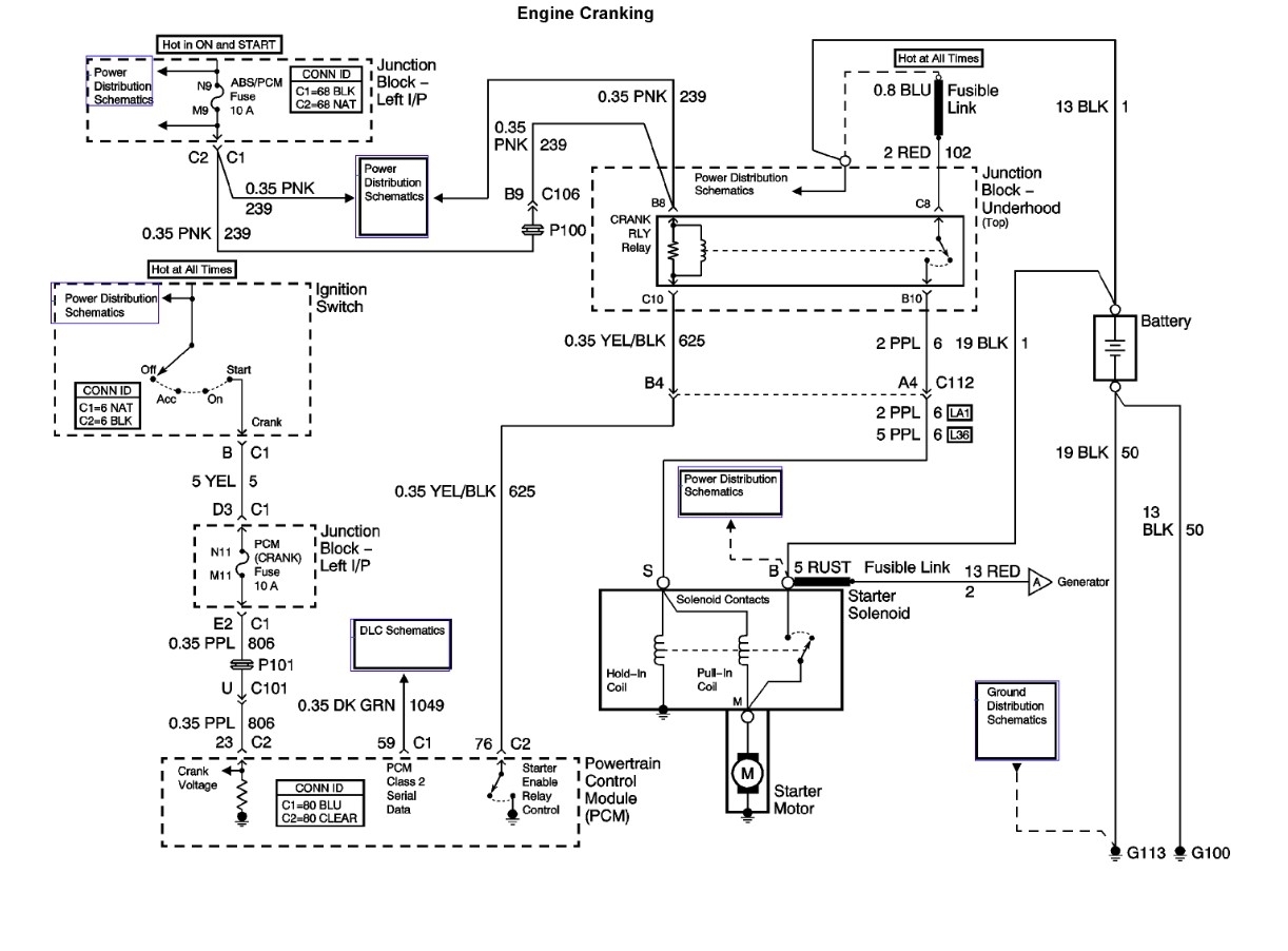
Looking for diagrams and routing for the starter relay to 86 pin out. I have no voltage at pin 86(abs/pCM) with key on. All the other pins are running like they should. Thanks
Oct 7, 2025 at 8:55 PM


