So you could shoot starting fluid in and it starts and runs fine? No CEL or misfires?
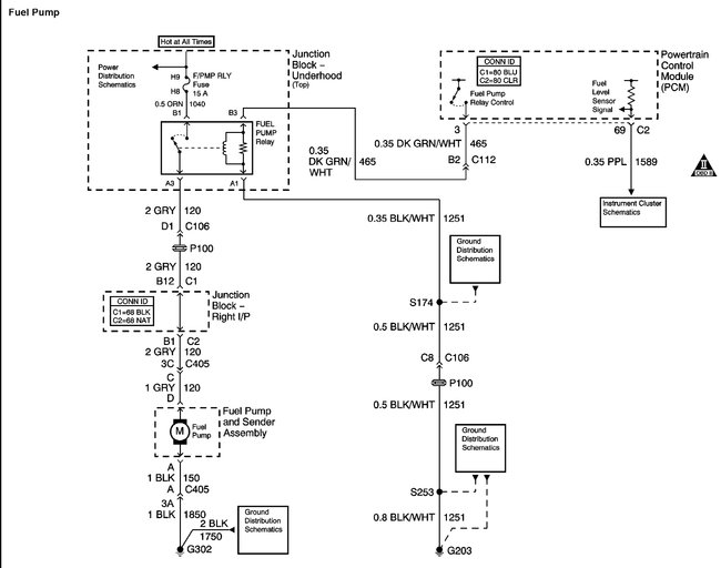
That sounds like the fuel pump isn't being turned on to prime the system, or a bad pump/regulator. You replaced the pump and pressure regulator so they should be OK.
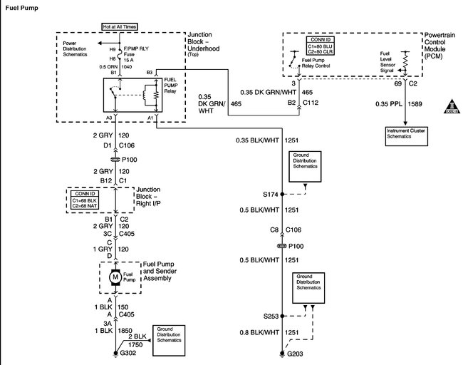
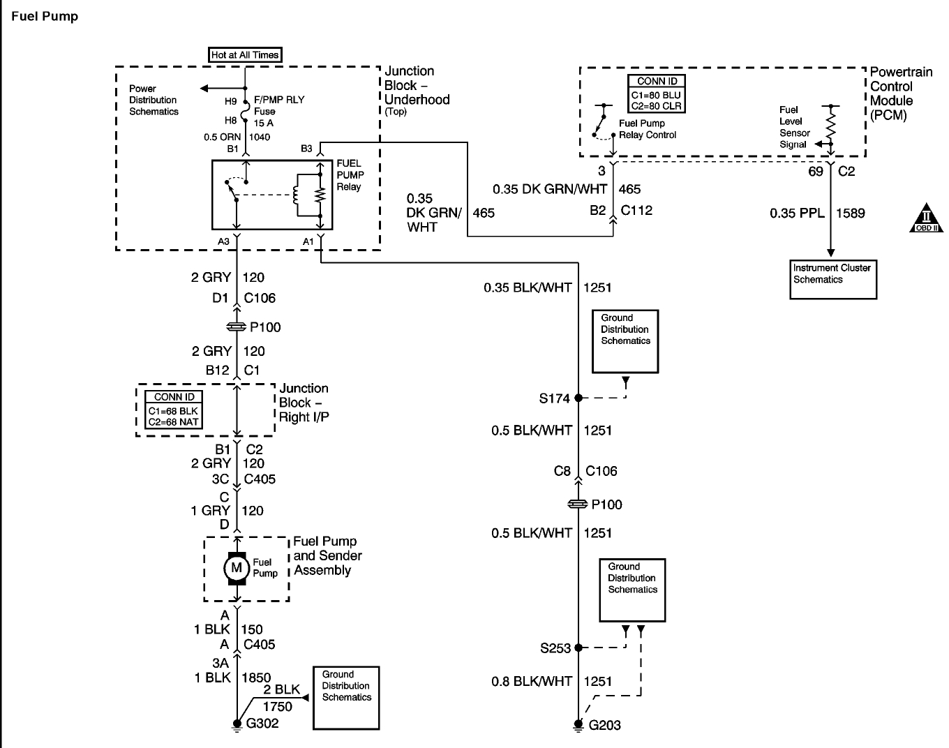
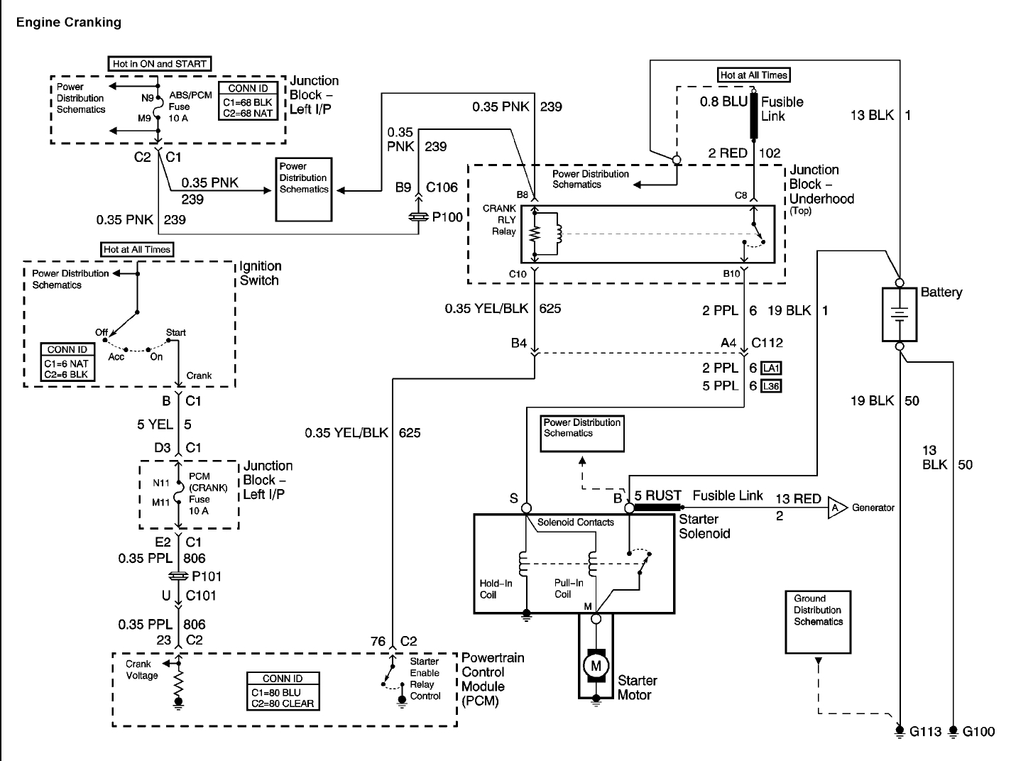
Can you hear the pump come on for a couple seconds when you turn the switch to the ON position? If you put a fuel pressure gauge on it the gauge should jump up to pressure and stay there, if it doesn't and bleeds down fast it may be the check valve in the pump is bad. If it doesn't turn on at all then pull the relay and test for a 2-3 second power pulse on the Dark Green/White wire. If you don't see that power on signal then you will need a scan tool to test the PCM.
If the pump doesn't come on when you turn the key to ON but the dash lights and the rest all work I would suspect a bad PCM. The pump relay timer circuit may have fried.
I say that because the PCM uses a couple of inputs to tell it the engine is OK and it can supply fuel.
The initial prime brings the fuel pressure up so that the first cranking event should start the engine. The PCM looks at fuel level, crank, and cam signals as the engine first starts to turn, that tells it when to fire the injectors and ignition (Those are working or it wouldn't run on starter fluid). As it turns it looks at cranking rpm from the ignition module and oil pressure. If it registers both of those it fires the correct injectors and plugs in the firing order. It looks at the rpm signal at that point, if it starts to rise due to the engine starting it turns on the fuel pump through the relay. If it still sees oil pressure it continues to provide the fuel pump relay power to turn it on.
Jul 10, 2017 at 2:16 PM