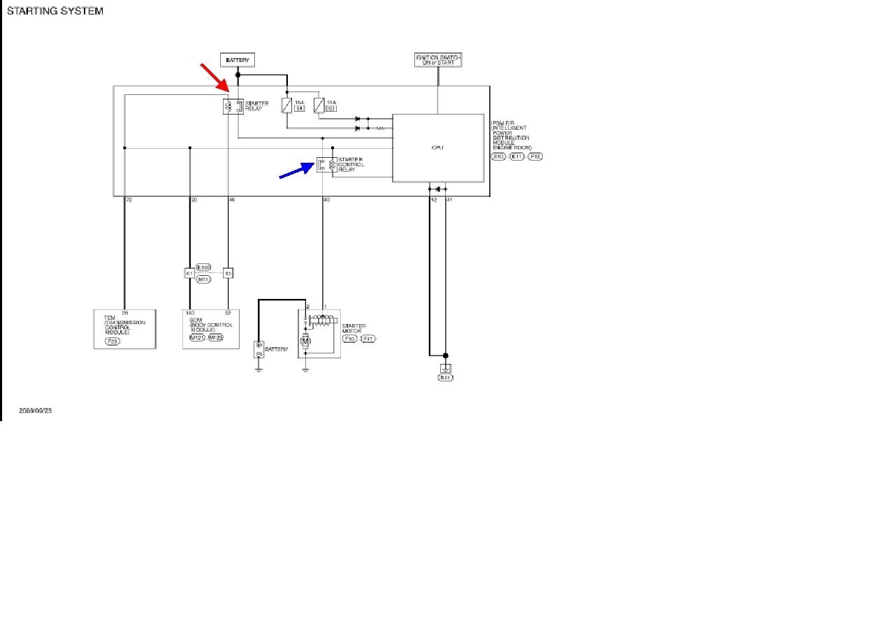
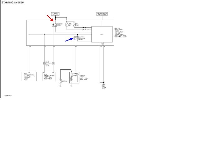
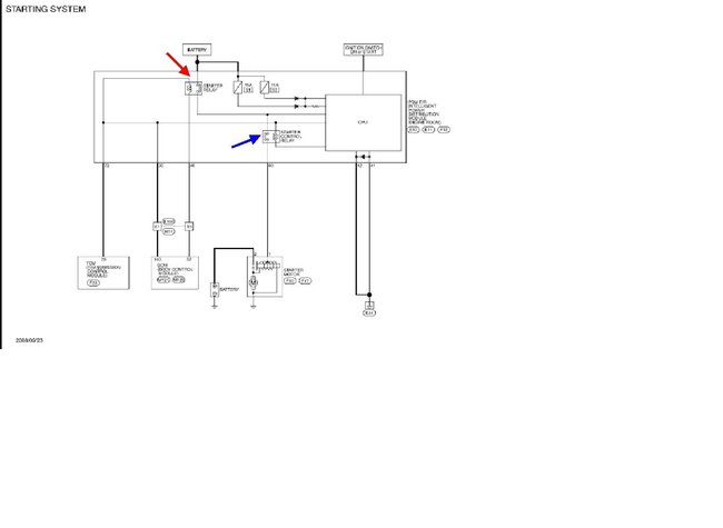
Starter relay location

2010 NISSAN MURANO
1,000 MILES • 3.6L • 6 CYL • 4WD • AUTOMATIC
Avatar
JOEFRESH99
  • MEMBER
  • 1 POST
Where is the location of the starter relay? It is not under the hood for sure!
May 26, 2018 at 2:56 PM
Advertisement
Avatar
CARADIODOC
  • CERTIFIED EXPERT
  • 34,306 POSTS
There are actually two of them in the circuit. Both are in the under-hood fuse box. Searches for their locations were fruitless at first, and no replacements are listed as available. That suggests they are inside the sealed computer module, however, I did find this drawing that shows the "starter control relay".
May 26, 2018 at 8:23 PM