Will not start and there is no clicking noise

1998 SUBARU FORESTER
304,000 MILES • 2.3L • 4 CYL • 4WD • MANUAL
Avatar
COREY GIBSON
  • MEMBER
  • 1 POST
My vehicle listed above won't start and makes no clicking noise, but also my lights and radio still work. What could be causing this and how do I fix it?
Aug 10, 2020 at 10:46 AM
Advertisement
Avatar
JACOBANDNICKOLAS
  • CERTIFIED EXPERT
  • 110,175 POSTS
Hi,

This can be a few things. A bad starter can cause it as well as a starter relay, wiring, or even a fuse.

First, see if the vehicle starts in neutral.

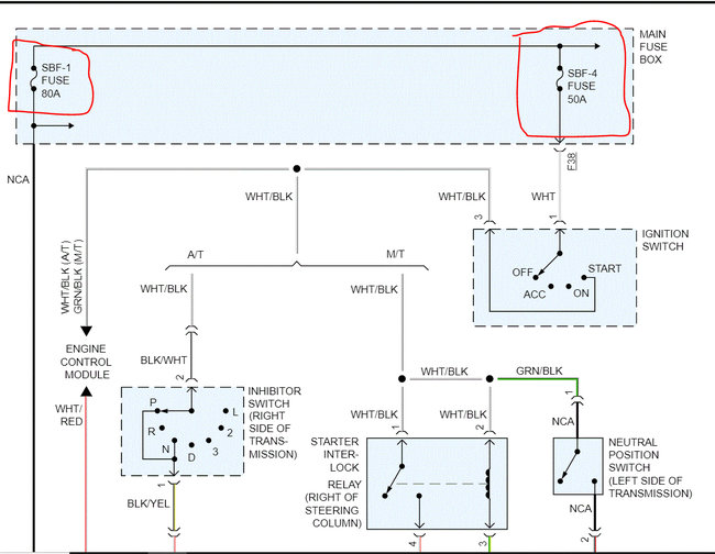
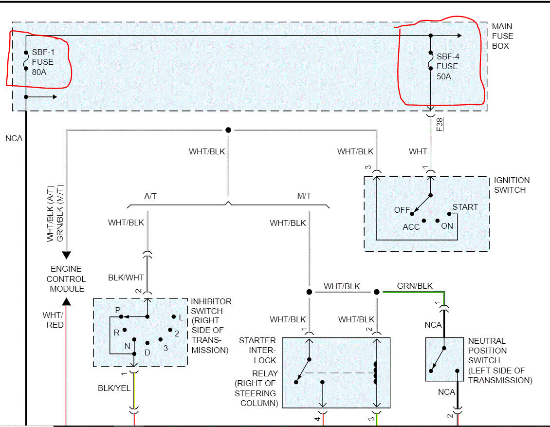
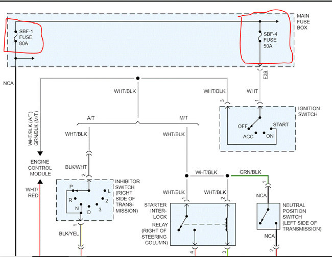
What I need you to do next is check a main fuse that are in the under hood fuse box. I attached a pic below of the wiring and circled the fuses. Pic 2 shows fuse location and pic 3 shows the fuse box location under the hood.

In addition to just checking the fuse, I need you to confirm there is power at that fuse. Here is a link you may find helpful:

https://www.2carpros.com/articles/how-to-check-a-car-fuse


Lets start with that and if you find everything is okay, we'll move on.

Take care,

Joe



Aug 10, 2020 at 8:26 PM