STARTER OR FLYWHEEL GRINDING AFTER TURNING ENGINE OFF

2006 FORD CROWN VICTORIA
131,000 MILES • 4.6L • V8 • RWD • AUTOMATIC
Avatar
ZOLATOY
  • MEMBER
  • 18 POSTS
When I turn the key to the second position (accessory), the starter automatically engages and car starts without getting to the third position (starter). Car then runs fine, but when I turn it off I can hear that the starter is still engaged with the flywheel (grinding noise). Is this an ignition switch problem, a relay problem or do I need to replace the starter/solenoid?
Sep 17, 2016 at 10:49 PM
Advertisement
Avatar
AL514
  • CERTIFIED EXPERT
  • 5,464 POSTS
you are at a good starting place, no pun intended. If the car is starting in the "on" position, then somehow power is getting down to the starter when it should not be yet, which points to an ignition switch issue. The car should not crank over in the "on" position. I am having trouble locating a wiring diagram for this car online, which would help to see where power goes and when. The starter relay should not receive power until the key is in the start position. Obviously it is at this point. But a wiring diagram of the starter circuit will help you to see where power goes in the "on" position and determine if there is any other modules or anything in the circuit that would cause this. But while driving your key is going to be in the "on" position, so that would mean that power is still going to the starter at this point also keeping it engaged while you are driving. This would cause all kinds of problems with the teeth on the flywheel and starter itself. Still pointing to some kind ignition switch problem unless there is something in the accessories/on circuit causing an issue.
Sep 18, 2016 at 5:17 AM
Avatar
CJ MEDEVAC
  • CERTIFIED EXPERT
  • 11,004 POSTS
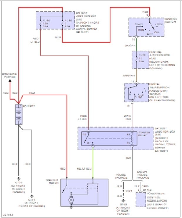
I got this diagram from "Prodemand".

Look it over AL514 (at the bottom).

My hypothesis is the hunk of plastic ignition switch itself.

If the relay were stuck, looks like it would run constantly key on or not (unless it gets a ground or hot that gets switched from elsewhere-which I doubt)

Other possibilities I could see is someone has monkeyed with the wiring recently or a wire has rubbed raw and is now shorted.

I am sticking with my first hypothesis.

I did get a link to the actual plastic switch.

http://shop.advanceautoparts.com/p/carquest-by-bwd-ignition-starter-switch-cs909/20972697-P?searchTerm=ignition+starter+switch#

Keep the ideas/ news/ situation reports coming!

The Medic
Sep 18, 2016 at 8:21 AM
Advertisement
Avatar
AL514
  • CERTIFIED EXPERT
  • 5,464 POSTS
I agree looks like a bad ignition switch to me also.. Good call
Sep 18, 2016 at 10:24 AM
Avatar
AL514
  • CERTIFIED EXPERT
  • 5,464 POSTS
I love this site, all us tech's work together to solve problems.
Sep 18, 2016 at 10:34 AM
Avatar
CARADIODOC
  • CERTIFIED EXPERT
  • 34,306 POSTS
Hi AL514, it's me again. Hi CJ. I just got done whining to my former instructor, (who I replaced when he retired), that everything comes in pairs. I won't do a pair of struts for a month, then I get two strut jobs in one day. Two camshaft position sensors in the same day, etc. This has gone on for over 20 years and has spilled over to this site. We were just discussing a friend's Ford with an ignition switch problem an hour ago, then I answered an almost identical problem here a few minutes ago, and now this is the third one today!

You're right about the ignition switch. I never had one of these apart, but the same design is used on the older miserable Ford-built Escorts from the '80s. A former student had one of those that had a circuit that was dead. He bypassed that to get the car home from many states away. Once in town, it developed a constant-crank problem, not exactly like is described here, but similar. A new ignition switch solved the problem, then when we autopsied the old one, what we found was the lock cylinder turned a round plastic disc, and that disc had four raised rings that each had some ramps, or raised areas, molded in. Above each ring was the head of what looked like a half-inch-long plastic nail. Those were spring-loaded to push the head up so it made constant contact with the ring.

The point-end of the nail pushed on a spring-metal contact. There were four nails, each with a corresponding ring and contact. As the key cylinder was turned, those rings rotated and when a raised area came along, it pushed the nail against spring pressure, and the nail pushed on the contact. This was many years ago so my memory might be fading, but it seems to me one or more contacts was on when it was relaxed, and the nail pushing on it turned it off, while the nails for the others pushed on them to turn them on.

Regardless, what had happened was two of the contacts had been overheated numerous times, something Ford owners know all about, and two of those nails melted. One melted in such a way that it was too short to push the contact and turn it on. The other one melted while it had its contact turned on, and couldn't release under its spring pressure.

I'm not sure if this is the same problem, but given the description of the symptoms, I'd go with your assessment of needing a new switch.
Sep 18, 2016 at 5:10 PM
Avatar
ZOLATOY
  • MEMBER
  • 18 POSTS
WOW !! YOU GUYS ARE GREAT AT SOLVING PROBLEMS...I DESCRIBED THE PROBLEM BUT, I DID NOT TELL YOU GUYS HOW IT ACTUALLY HAPPENED....

I JUST HAD BOUGHT THE CAR 2 WEEKS AGO AND HAD NO PROBLEMS WITH ANYTHING ON THE CAR.THE DASHBOARD WOULD LIGHT ALL CIRCUITS IN THE ON POSITION LIKE IT IS SUPPOSED TO... UNTIL...

I WENT TO SHOW THE CAR TO A FRIEND AND HE ASKED IF HE COULD DRIVE IT...(DON'T LET YOUR FRIENDS DRIVE YOUR CAR)...HE'S 70 YEARS OLD

SO I, LIKE A FOOL SAID OK...WE GOT INTO THE CAR AND HE STARTED THE CAR AND STEPPED ON THE GAS PEDAL AND BRAKE PEDAL AT THE SAME TIME BECAUSE OF HIS BIG FEET.... RAISING THE RPM'S AND THEN THREW IT INTO DRIVE FROM PARK VERY QUICKLY ...WHY? I DON'T KNOW BUT THAT'S WHEN THE PROBLEM STARTED.

THE CAR WHEELS SQUEALED AND LUNGED FORWARD ABOUT 5 INCHES... HE SAID IT WAS A ACCIDENT...
LETTING HIM DRIVE WAS THE ACCIDENT...HE COULD HAVE DAMAGED THE TRANSMISSION OR THE DRIVE SHAFT OR U JOINTS BY DOING THAT SUDDEN SHIFT FROM PARK TO DRIVE .... I WANTED TO RING HIS NECK BUT DECIDED JUST TO YELL....

I THINK HE WANTED TO BE "COOL" LIKE STARSKY AND HUTCH OR SOMETHING.....

LAST TIME HE OR ANYONE ELSE WILL EVER TOUCH ONE OF MY CARS...

THANKS AGAIN TO ALL YOU THAT HELPED ME FIGURE OUT HOW TO FIX THE PROBLEM.


Sep 19, 2016 at 1:27 AM
Avatar
STRAILER
  • CERTIFIED EXPERT
  • 53,854 POSTS
Glad we could get it fixed please use 2CarPros.com anytime we are here to help

Best, Ken
Sep 19, 2016 at 9:24 PM
Avatar
ZOLATOY
  • MEMBER
  • 18 POSTS
THANK YOU KEN
Sep 20, 2016 at 8:32 AM
Avatar
ZOLATOY
  • MEMBER
  • 18 POSTS
UNFORTUNATELY AFTER SPENDING $ 52.00 ON A NEW IGNITION SWITCH , IT STILL STARTING WHEN THE KEY IS IN THE ACCESSORIES POSITION ...LEADING ME TO SUSPECT IT MUST BE THE STARTER RELAY..DOES ANY ONE KNOW WHICH RELAY IN THE BOX BEHIND THE BATTERY IT COULD BE? WHAT NUMBER IS IT IN THE BOX?
Oct 1, 2016 at 5:16 PM
Avatar
CARADIODOC
  • CERTIFIED EXPERT
  • 34,306 POSTS
Hold on. If I understand you right, you're saying the starter does not crank the engine until you turn the ignition switch to the "run" position, (and it shouldn't be cranking until you hit the "crank" position). If that is right, the starter relay is off when the ignition switch is off, and that proves it is able to turn on and off properly when commanded to do so. It's getting the command at the wrong time. Changing the relay won't fix that.

What I would look for first is the wires and connector body that plug into the ignition switch. Ford has had a real lot of vehicle and house fires blamed on their ignition switches, and if they get hot enough to cause a fire when they're turned off, I suspect you're going to find some of those wires could be melted together. You may have a "crank" circuit shorted to a "run" circuit wire.
Oct 1, 2016 at 6:12 PM
Avatar
ZOLATOY
  • MEMBER
  • 18 POSTS
WOW NEVER THOUGHT OF THAT..... ILL CHECK ....THANK YOU
Oct 1, 2016 at 7:49 PM
Avatar
ZOLATOY
  • MEMBER
  • 18 POSTS
I DON'T SEE ANY WIRES MELTED OR ANYTHING ...BUT I DO KNOW THAT THE SOLENOID RECEIVES CONSTANT POWER AS IT SHOULDN'T ,AS I HEAR THE FLYWHEEL GRIND WHEN I TURN THE ENGINE OFF (ITS NOT DISENGAGING )
Oct 1, 2016 at 8:21 PM
Avatar
CARADIODOC
  • CERTIFIED EXPERT
  • 34,306 POSTS
Just to verify, your ignition switch is right behind the lock cylinder behind the steering wheel, right? I don't think yours is on the lower part of the steering column, under the dash. Those are adjustable.

I have to leave shortly as my 'puter just explained to me that its battery is running low. I'll be back tomorrow with a wiring diagram for your car.
Oct 1, 2016 at 8:38 PM
Avatar
ZOLATOY
  • MEMBER
  • 18 POSTS
IT UNDER THE DASH ,ON THE OTHER SIDE OF THE STEERING WHEEL COLUMN CLOSEST TO THE DRIVER DOOR
Oct 1, 2016 at 9:24 PM
Avatar
ZOLATOY
  • MEMBER
  • 18 POSTS
SO NO ONE KNOWS WHY I'M GETTING PRE- POWER TO THE STARTER AFTER REPLACING THE IGNITION SWITCH AND CONTINUOUS POWER TO THE SOLENOID SWITCH AS IT DOES NOT DISENGAGE FROM THE FLYWHEEL OR MAYBE ITS SHOOTING OUT THE TEETH INTO THE FLY WHEEL JUST AS I TURN OFF THE CAR ?
Oct 2, 2016 at 12:42 PM
Avatar
AL514
  • CERTIFIED EXPERT
  • 5,464 POSTS
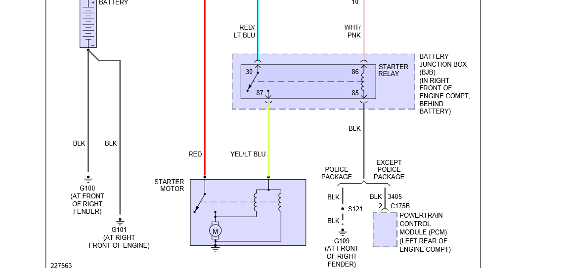
I think we need to start over here. Heres the diagram of the switch. So the car is starting is the ACC position correct? Which model Crown Vic do you own?
Oct 2, 2016 at 12:43 PM
Avatar
AL514
  • CERTIFIED EXPERT
  • 5,464 POSTS
The first issue to deal with is why you're getting starting power in the ACC position. You're grinding issue is because the starter is staying engaged all the time obviously and probably grinding everything to pieces down there.
Oct 2, 2016 at 12:47 PM
Avatar
AL514
  • CERTIFIED EXPERT
  • 5,464 POSTS
Is this an old police car????
Oct 2, 2016 at 1:07 PM
Avatar
AL514
  • CERTIFIED EXPERT
  • 5,464 POSTS
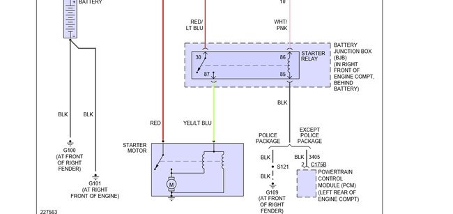
OK here we go, pull the starter relay, in the front of the engine compartment behind the battery and put the key in the ACC position...
Oct 2, 2016 at 1:11 PM
Avatar
AL514
  • CERTIFIED EXPERT
  • 5,464 POSTS
as you can see the pins on this relay are marked. With the relay out, and the key in ACC check for power at pin 86, this is coming from the ign switch. There shouldn't be any power there in ACC. Pin 85 is ground either threw the fender (on the police model) or threw the PCM (non police model). Pin 30 and 87 send power to the starter motor.
Oct 2, 2016 at 1:22 PM
Avatar
ZOLATOY
  • MEMBER
  • 18 POSTS
THE ONLY POWER I GET IS IN THE TOP POINT ,THE OTHER 3 POINTS HAVE NO POWER IN THE ACC KEY ON POSITION
Oct 2, 2016 at 2:05 PM
Avatar
AL514
  • CERTIFIED EXPERT
  • 5,464 POSTS
flip the relay upside down, the pins will be labelled with a number
Oct 2, 2016 at 2:23 PM
Avatar
ZOLATOY
  • MEMBER
  • 18 POSTS
OH....I GET POWER IN PIN 30 WEATHER IN ACC MODE (KEY IN) OR NO KEY...
Oct 2, 2016 at 2:31 PM
Avatar
AL514
  • CERTIFIED EXPERT
  • 5,464 POSTS
ok that's correct. Pin 30 should have power all the time. But you are not getting any power on pin 86 in ACC? pin 86 comes from the ignition switch and should only have power in START.
Oct 2, 2016 at 2:35 PM
Avatar
ZOLATOY
  • MEMBER
  • 18 POSTS
THE MODEL IS 2006 CROWN VIC LX.,,,NON POLICE
Oct 2, 2016 at 2:36 PM
Avatar
ZOLATOY
  • MEMBER
  • 18 POSTS
NONE IN 86
Oct 2, 2016 at 2:39 PM
Avatar
AL514
  • CERTIFIED EXPERT
  • 5,464 POSTS
can you swap the relay with one just like it in that fuse box? I'm assuming the car doesn't crank with that relay out
Oct 2, 2016 at 2:49 PM
Avatar
AL514
  • CERTIFIED EXPERT
  • 5,464 POSTS
Pin 30 to 87 give the starter solenoid its power
Oct 2, 2016 at 2:50 PM
Avatar
AL514
  • CERTIFIED EXPERT
  • 5,464 POSTS
pin 87 goes straight to the starter solenoid.
Oct 2, 2016 at 3:00 PM
Avatar
AL514
  • CERTIFIED EXPERT
  • 5,464 POSTS
https://www.2carpros.com/questions/key-is-stuck-in-the-ignition this looks interesting.............
Oct 2, 2016 at 3:32 PM
Avatar
ZOLATOY
  • MEMBER
  • 18 POSTS
THANK YOU AL514 YOUR INFORMATION AND KNOWLEDGE IS GREAT !!!! JUST GOT THE STARTER TO WORK CORRECTLY .....
Oct 2, 2016 at 6:02 PM
Avatar
ZOLATOY
  • MEMBER
  • 18 POSTS
COMMON SENSE ,PERSISTENCE AND PERSEVERANCE PAID OFF........THIS TIME....,. I WAS JUST ABOUT TO GIVE UP AND TAKE IT TOMORROW TO A CERTIFIED MECHANIC........BUT WAS HESITANT BECAUSE I KNOW IT'S AN ELECTRICAL PROBLEM.........BUT I SOLVED THE PROBLEM BY..............,........DISCONNECTING THE BATTERY ,,, REMOVING THE NEW IGNITION SWITCH , ,,SPINNING THE KEY IN THE IGNITION AS IF I WERE TRYING TO START IT AND THEN TURNING THE KEY BACK TO THE OFF POSITION A COUPLE OF TIMES ,,,,,THEN RE INSERTING THE NEW IGNITION SWITCH .....,,AND,,,,,,,PRESTO!!! THANKS AGAIN AS I WOULDN'T HAVE HAD THE PERSEVERANCE WITH OUT YOUR HELP,,,,,,(THE CAR HAS BEEN STUCK FOR OVER 2 WEEKS .....,,,,,
Oct 2, 2016 at 6:27 PM
Avatar
ZOLATOY
  • MEMBER
  • 18 POSTS
GOING FOR RIDE!!
Oct 2, 2016 at 6:29 PM
Avatar
AL514
  • CERTIFIED EXPERT
  • 5,464 POSTS
glad we could help, seems like your patience paid off the most. We would have figured it out eventually, I knew we were close. cheers!
Oct 2, 2016 at 11:11 PM
Avatar
ZOLATOY
  • MEMBER
  • 18 POSTS
WHAT IS THE DIFFERENCE BETWEEN NON PROJECTED SPARK PLUG AND PROJECTED TIP SPARK PLUG?
Oct 4, 2016 at 9:37 PM
Avatar
STRAILER
  • CERTIFIED EXPERT
  • 53,854 POSTS
Please start a new question for this subject
Oct 5, 2016 at 9:56 AM