Starter not engaging with key

2009 DODGE AVENGER
135,000 MILES • 2.4L • 4 CYL • 2WD • AUTOMATIC
Avatar
ROLLIE POLLIE
  • MEMBER
  • 1 POST
I tried running a wire to a fuse and now my starter won't engage with key.
Apr 7, 2021 at 2:05 PM
Advertisement
Avatar
KASEKENNY
  • CERTIFIED EXPERT
  • 18,907 POSTS
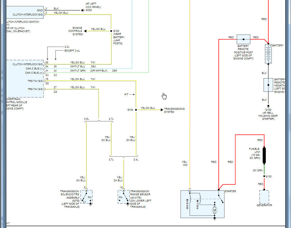
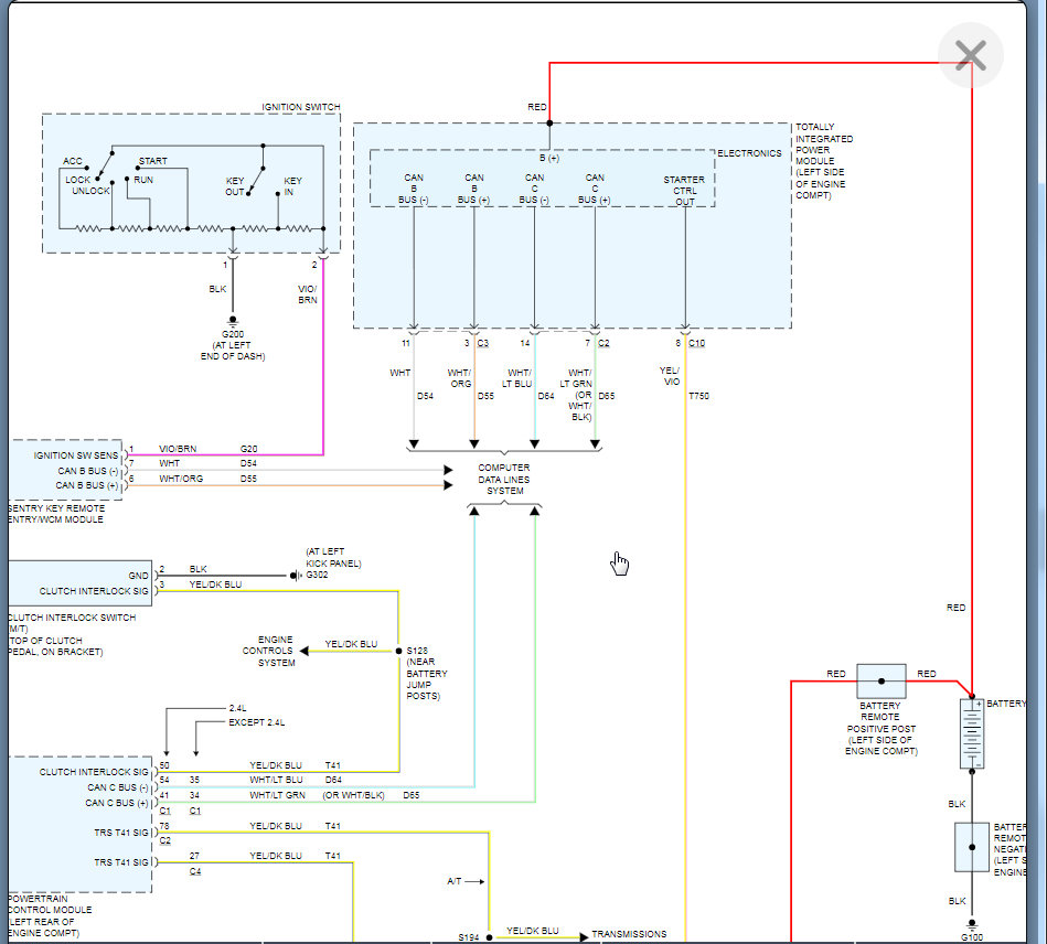
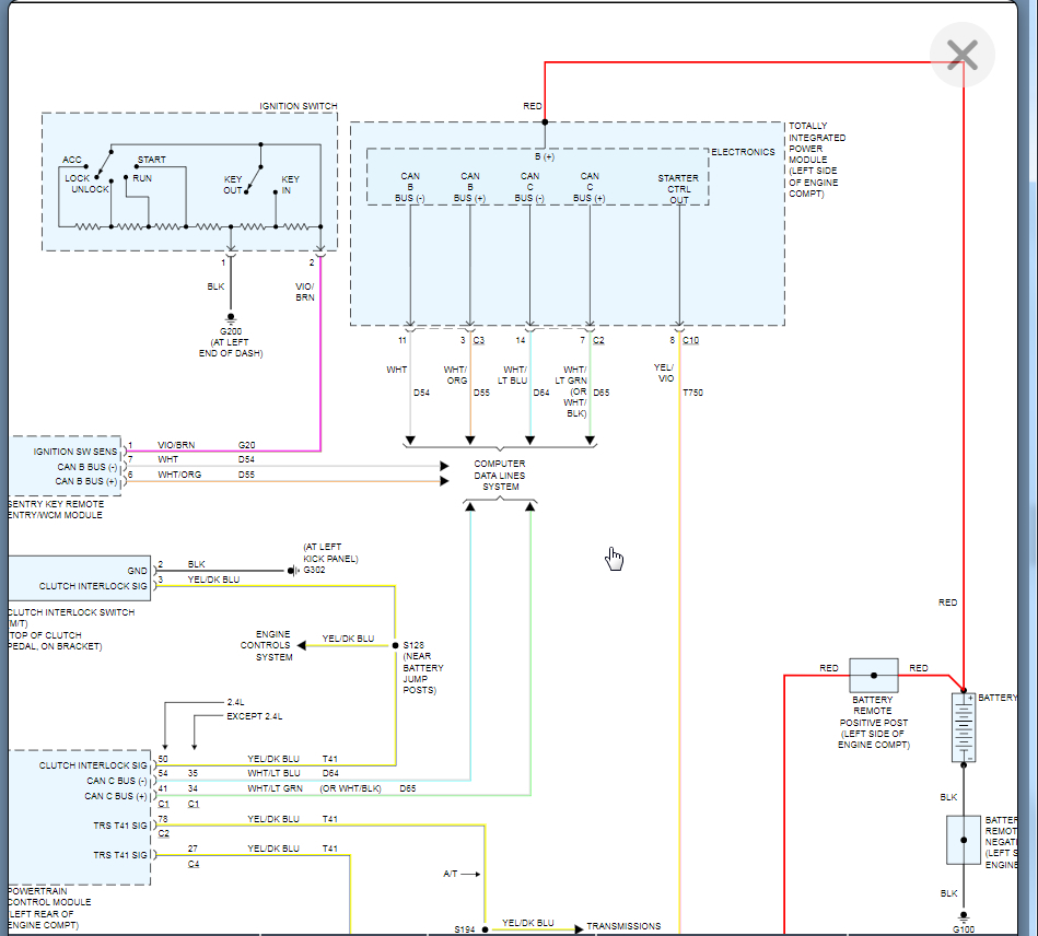
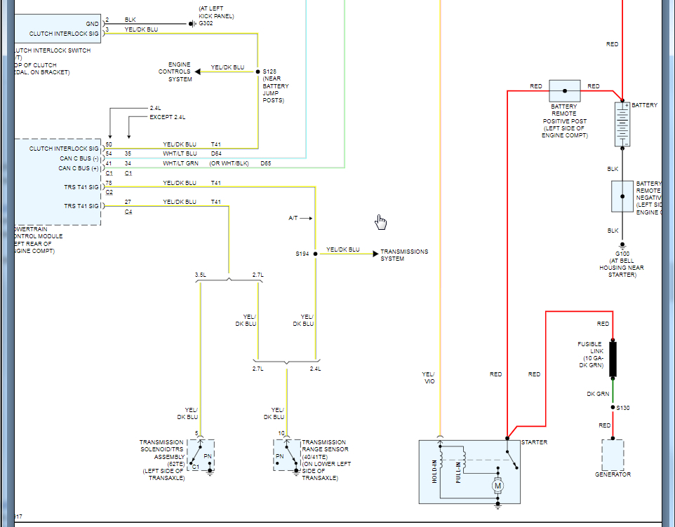
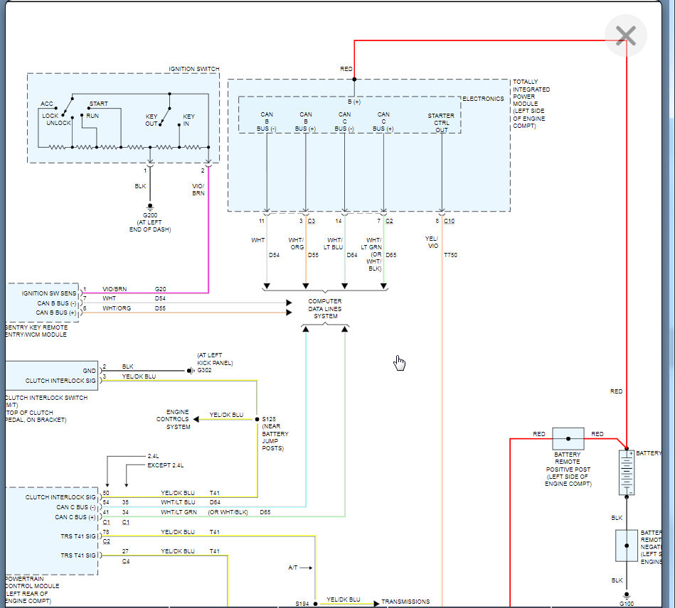
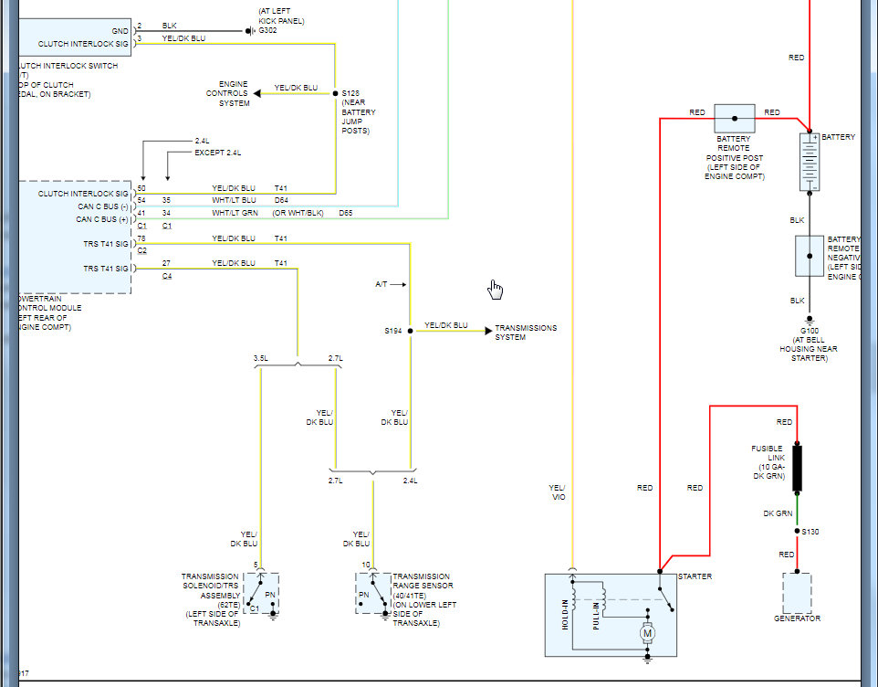
We need to start with checking voltage at the starter and then backwards until we find where the voltage is.

https://www.2carpros.com/articles/starter-not-working-repair

Based on what you are saying happened, I suspect we have an issue in the TIPM because there are no fuses for this system as they are internal to the TIPM.

https://www.2carpros.com/articles/how-to-check-wiring

Below is the wiring diagram. If you want to just jump right to the TIPM and check for voltage on the starter control output wire when cranking the engine.

Let me know if you have questions on this.
Apr 8, 2021 at 6:56 PM