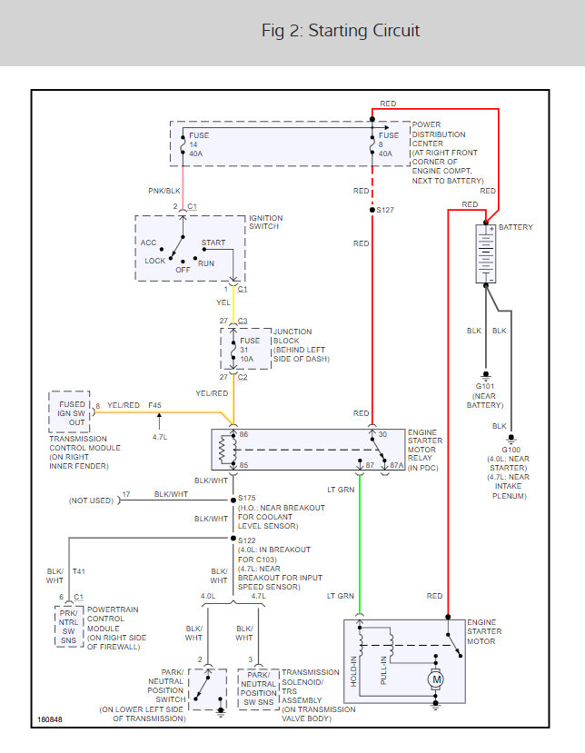
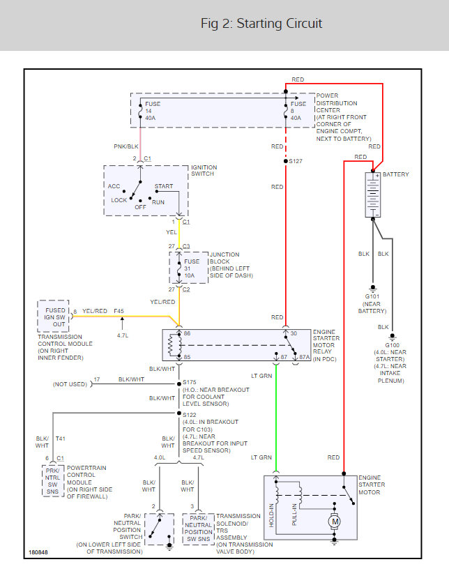
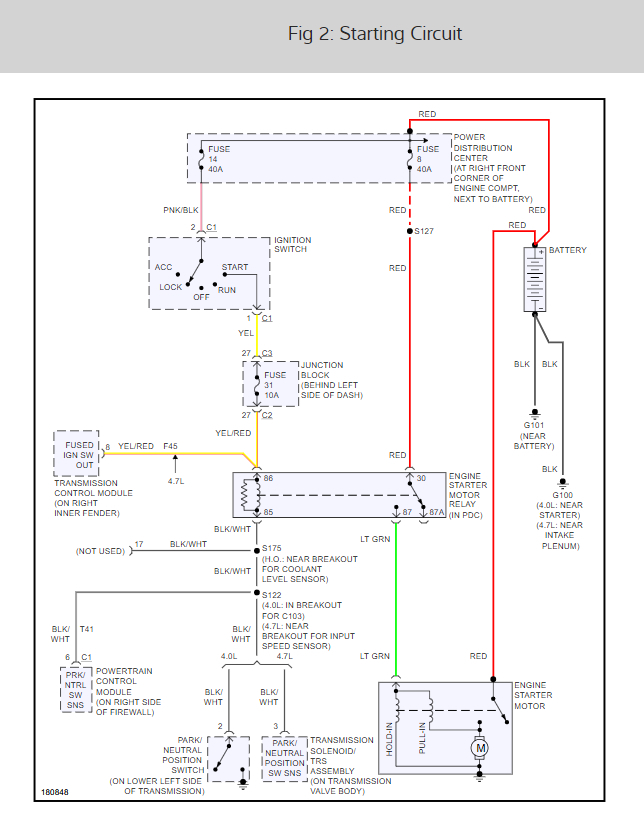
Tried new relay and new starter. have power first time i changed relay it ran for a day. you can hear relay click. fuse is good. looked for the safety neutral switch couldn't fine it just the 2 speed sensor. tried to start it nothing. starting system is pretty cut and dry, but it has me stumped. only thing i haven't done to check neutral switch is put E brake on and put vehicle in reverse see if reverse lights come on to test neutral switch.
Jun 27, 2019 at 2:24 PM
