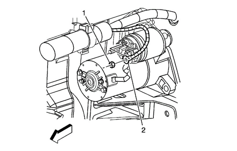
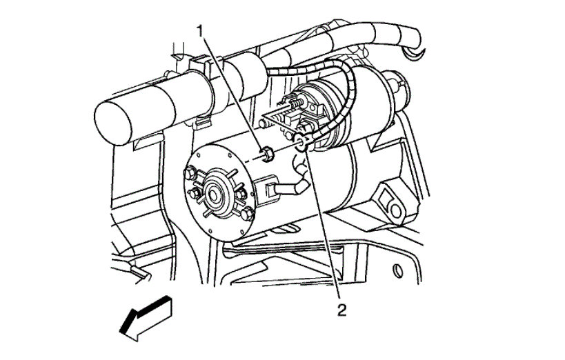
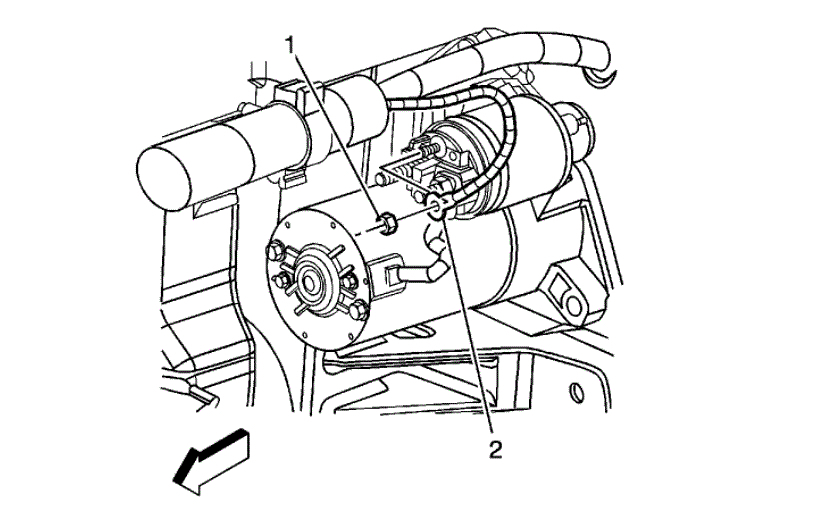
So I need a new starter. Have been trying to remove the old one. All bolts and electrical connections are disconnected. Started moves but will not come out of housing.
Aug 12, 2020 at 11:28 AM

