Intermittent issue of the starter not working properly?

1994 ISUZU TRUCK
145,000 MILES
Avatar
ANDREW0727
  • MEMBER
  • 2 POSTS
When I press in my clutch and turn the key over you can hear the starter solenoid click which suggests power going to it, but my starter doesn’t turn over. It’s an on again off again issue. Sometimes it works, sometimes it doesn’t. The starter is brand new and has been tested for both battery and starter power along the power supply lines.
Starter is brand new and the battery is brand new.
Oct 12, 2022 at 5:54 PM
Advertisement
Avatar
JACOBANDNICKOLAS
  • CERTIFIED EXPERT
  • 110,175 POSTS
Hi,

I'm not sure which engine you have. Is it a 2.3L or 2.6L? What you described sounds like a weak connection issue. Are the battery terminals tight, clean, and free of corrosion? Also, have you checked grounds such as the one to the engine from the battery?

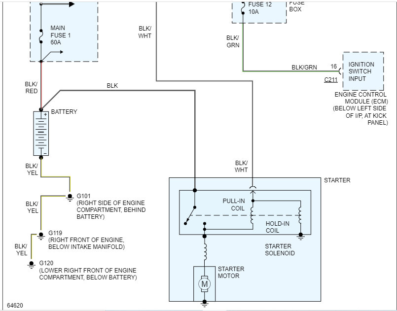
I attached a wiring schematic below of the 2.3L starter circuit so you have a reference. Check to see if there are any wiring concerns.

Let me know.

Joe

See pics below.
Oct 12, 2022 at 9:14 PM
Avatar
ANDREW0727
  • MEMBER
  • 2 POSTS
Everything’s free of corrosion. I’ve checked fuses as well I’ll test the schematic you posted today and post another reply any other insight is greatly appreciated.
Oct 16, 2022 at 8:39 AM
Advertisement
Avatar
JACOBANDNICKOLAS
  • CERTIFIED EXPERT
  • 110,175 POSTS
Hi,

Did the prior starter motor which was replaced do the same thing? Also, which engine does this vehicle have? Is it the 2.3L or 2.6L?

Joe
Oct 16, 2022 at 7:15 PM