Hi,
Something is sending power directly to the starter. Did you notice anything that may have indicated something melting or burning? Were there any problems prior to the battery going dead?
Electrical problems like this take some time to identify. Since we know there is power direct to the starter engaging it, we need to identify where it's coming from. So, I want you to remove the starter relay and see if it still engages. If it does, then we know the short is after the relay.
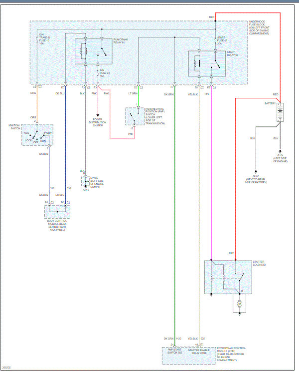
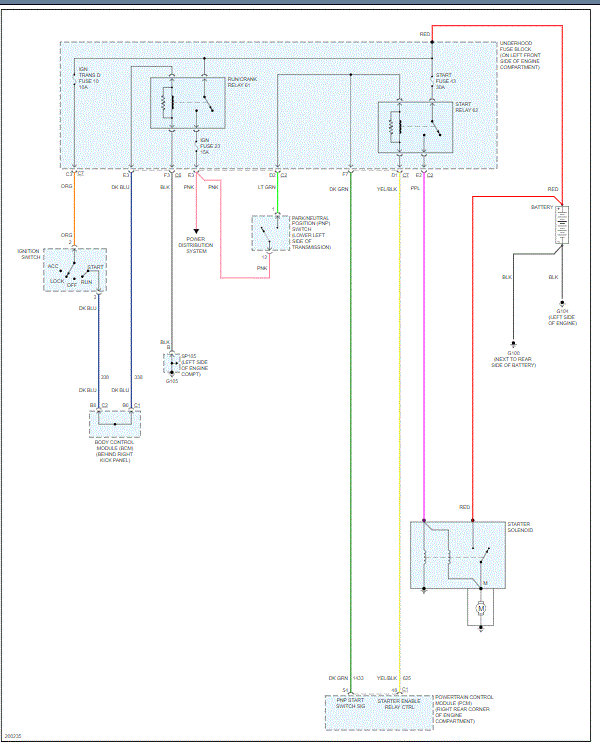
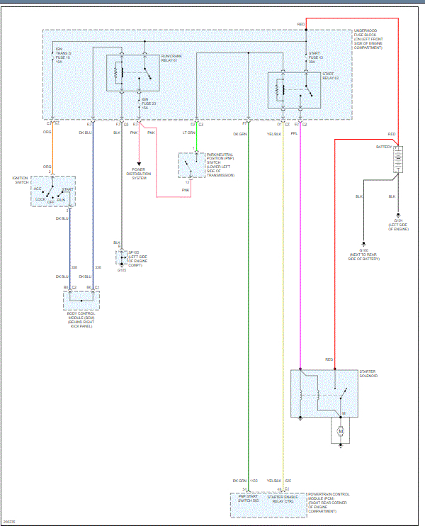
I attached two pics below. First, I highlighted the relay in the wiring schematic. The second pic is the entire starting schematic for your reference.
Do this and let me know what you find. Note: If it doesn't crank with the relay pulled, inspect the connectors and wiring from the relay and switch the relay with a known good one to see if it makes a difference.
Let me know.
Joe
Images (Click to enlarge)
Jan 31, 2021 at 5:59 PM