Single click when I turn the key

2001 FORD F-150
80,000 MILES • 5.4L • 6 CYL • 2WD • AUTOMATIC
Avatar
CATHY VAUGHN
  • MEMBER
  • 1 POST
I had my starter rebuilt, a new solenoid put on the starter and a new solenoid switch put the starter in. turn the key lights come dinging when doors are open, windows work, but when I turn the key, I hear one single click sound.
Jun 14, 2022 at 12:32 PM
Advertisement
Avatar
JACOBANDNICKOLAS
  • CERTIFIED EXPERT
  • 110,175 POSTS
Hi,

If you get one click from the starter, either the starter is bad, or you have a loose connection. Most commonly, a battery terminal is loose or corroded. Have you checked that? Also, when you installed the starter, is everything tight especially the main power supply on the starter?

Also, is the click coming from the starter motor? Was the starter tested before the installation?

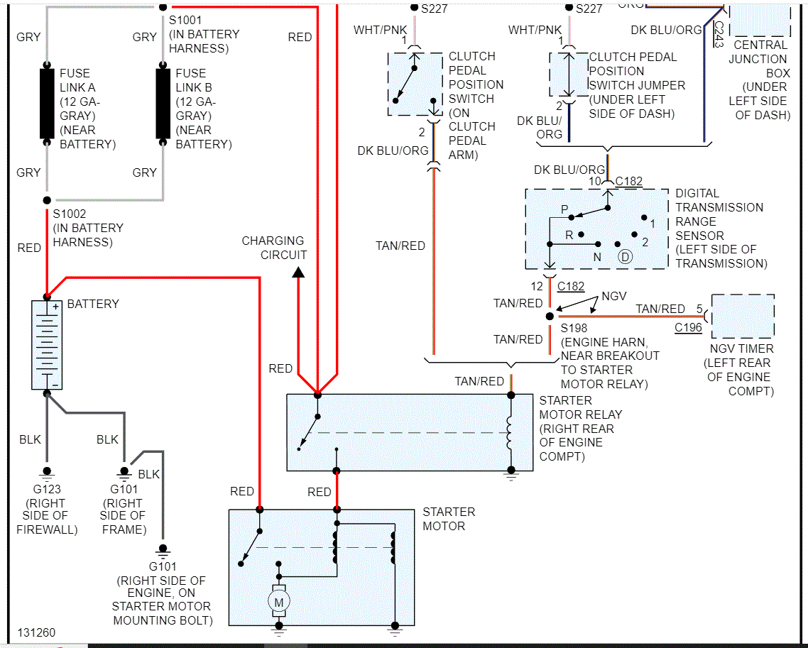
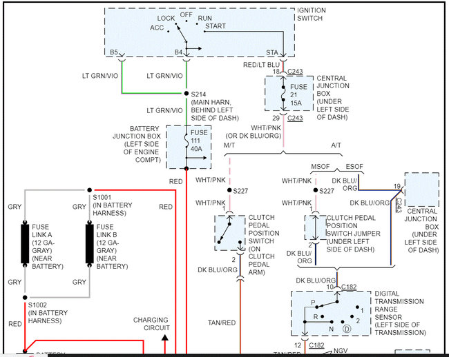
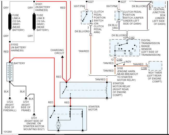
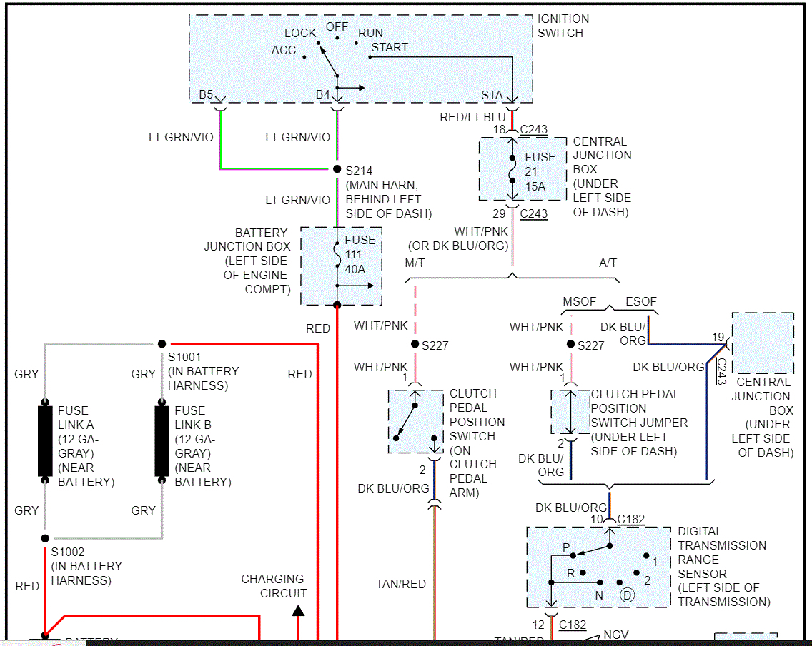
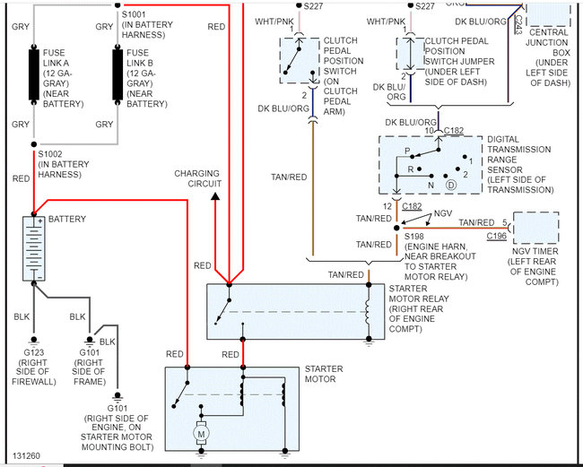
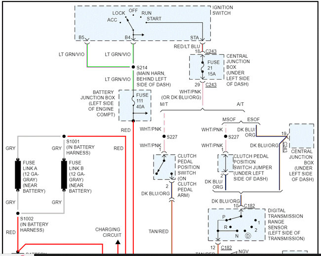
I attached the wiring schematic below for the starter circuit. At the starter, there will be a heavy gauge wire and one that is smaller. The smaller one should only have power when the key is in the start position. The larger wire has B+ at all times.

Check to make sure the larger one does have power. If it does, have a helper turn the key to the start position while you check for voltage to the smaller wire.

Let me know what you find.

Joe

See pics below.



Jun 14, 2022 at 9:40 PM