Need to find a starter after swapping an Allison transmission from a manual to automatic?
2001 CHEVROLET SILVERADO
189,000 MILES • 8.1L • V8 • 2WD • AUTOMATIC
NORMA A. MINJARES
MEMBER
3 POSTS
FOLLOW
I have the truck listed above 2500 hd 8.1 Allison transmission that was swapped from a manual to auto and I can't find starter that fits.
Jan 15, 2023 at 9:54 PM
Advertisement
STEVE W.
CERTIFIED EXPERT
15,113 POSTS
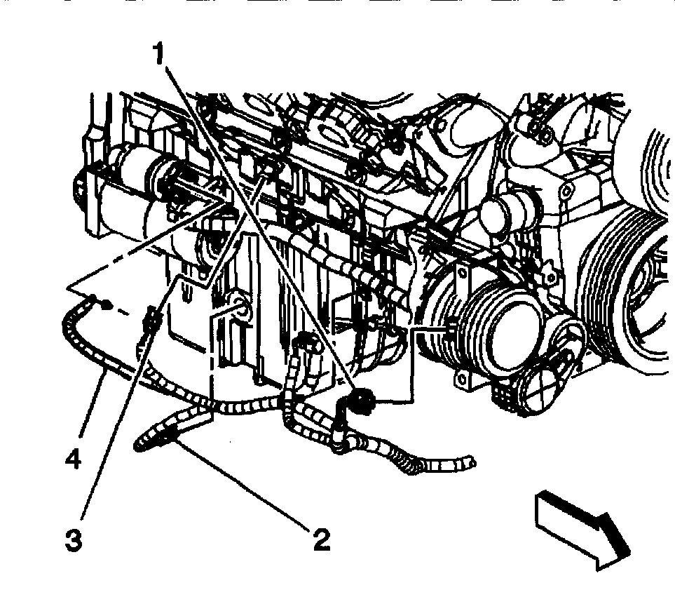
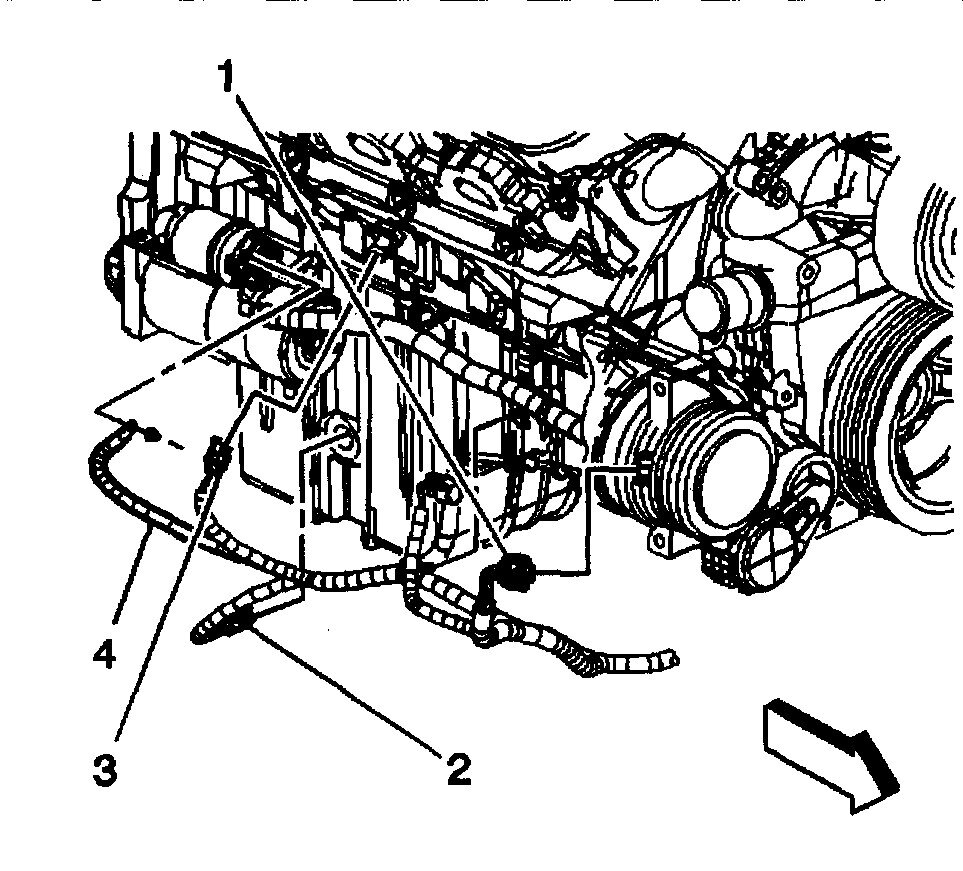
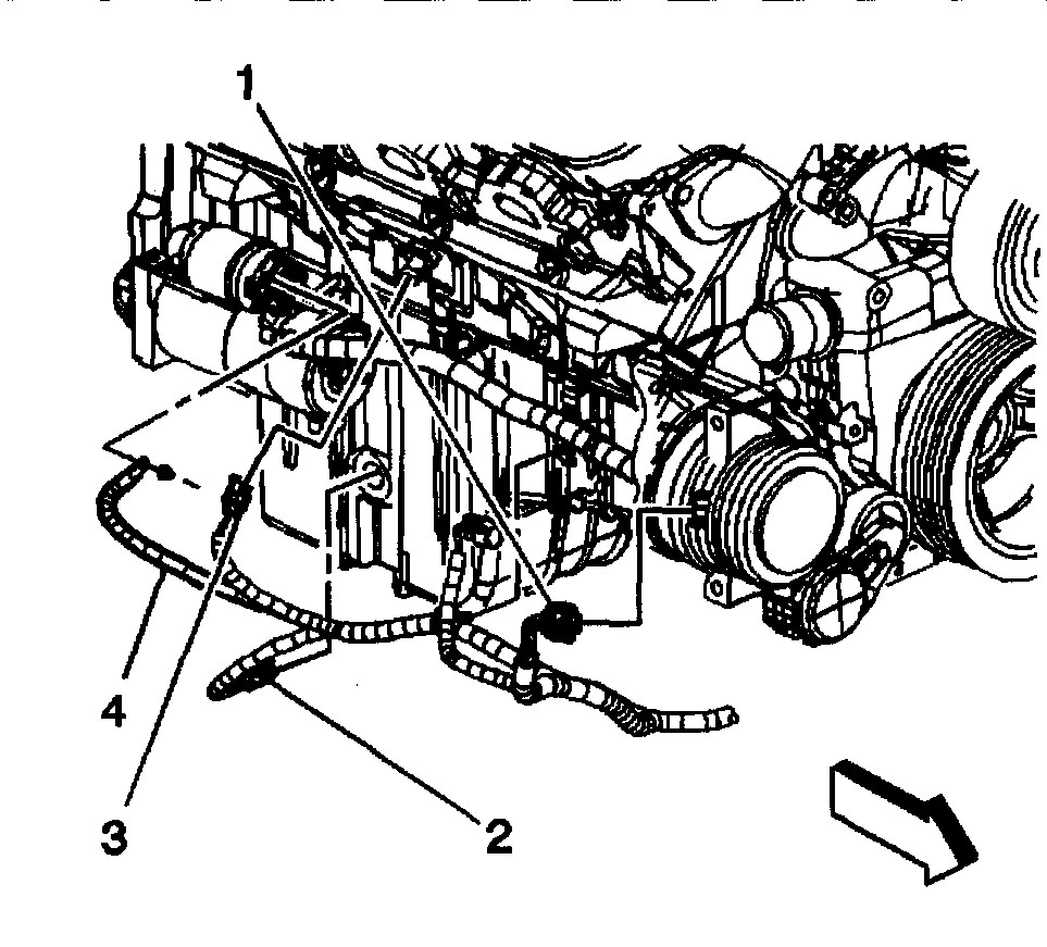
The starter bolts to the block and it's the same part for a manual or automatic GM
10465167. What is the problem with the ones you have tried? Grinding, won't engage?
Replacement shouldn't be difficult as you just remove the harness, then the two bolts and lower the starter.
Image (Click to enlarge)
Jan 16, 2023 at 4:03 AM
NORMA A. MINJARES
MEMBER
3 POSTS
It won't engage.
Jan 17, 2023 at 12:27 PM
Advertisement
NORMA A. MINJARES
MEMBER
3 POSTS
It won't engage
Jan 17, 2023 at 12:30 PM
STEVE W.
CERTIFIED EXPERT
15,113 POSTS
Okay, so you bolt it on and hit the key and it just spins free? Or does the starter pinion hit the ring gear and grind instead of sliding into place? What happened with the original starter? You say this was a swap, was the Allison from another 8.1? Just trying to determine where the issue is. GM used a single starter on the 8.1 but they used a different flex plate on other uses of that transmission. The one you need would be a 14.5" 168 tooth part.