☰
Login
Join
×
Home
Answered Questions
Repair Topics
Repair & Service Guides
Popular Questions
Warning Lights
Trouble Codes
How It Works
Testing / Diagnostics
Symptoms
Videos
Login
Become a Member
Home
Toyota
Yaris
Engine
Symptoms
Not Running
Not starting
2008 TOYOTA YARIS
220,500 MILES • 1.3L • 4 CYL • 4WD • AUTOMATIC
SALIH ALSHAMRANI
MEMBER
1 POST
FOLLOW
Does not started despite of present electricity?
Oct 16, 2020 at 7:03 PM
Advertisement
KASEKENNY
CERTIFIED EXPERT
18,907 POSTS
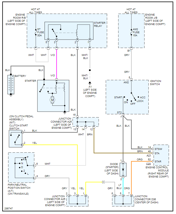
If you have voltage at the starter on both wires when cranking the engine then the starter is the issue.
https://www.2carpros.com/articles/starter-not-working-repair
https://www.2carpros.com/articles/how-to-replace-a-starter-motor
Take a look at all this information and confirm that you have voltage on the black and purple wire when the engine is cranking and if so, I would replace it.
Let me know what questions you have.
Images (Click to enlarge)
Oct 17, 2020 at 8:14 AM