starter

2008 FORD RANGER
200,000 MILES • 4 CYL • 2WD • MANUAL
Avatar
PATTY SAINT
  • MEMBER
  • 4 POSTS
unable to start truck with the key no clicking noise no turn over. able to start with a push. put in new starter and that didnt do it. battery is good. before had some problems with the wiring.
Dec 21, 2019 at 12:21 PM
Advertisement
Avatar
JACOBANDNICKOLAS
  • CERTIFIED EXPERT
  • 110,175 POSTS
Hi,

The first thing we need to do is check if power is where it needs to be. First, confirm there is 12v to the larger wire on the starter at all times.

Next, have a helper turn the key to the start position and see if there is power to the smaller wire on the starter (s terminal). The smaller wire should only get 12v when the key is in the start position. Here is a link to help:

https://www.2carpros.com/articles/starter-not-working-repair

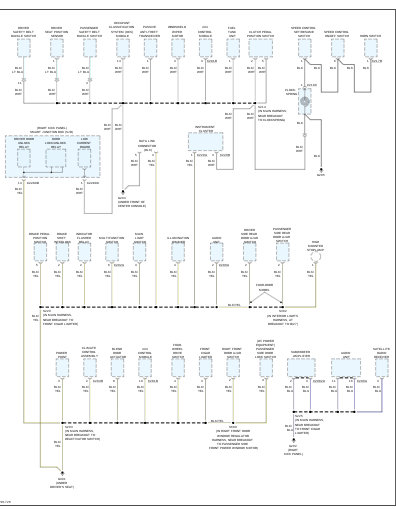
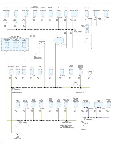
Next, there is a switch on the clutch pedal that prevents the vehicle from starting if the clutch isn't depressed. Have you checked that? Take a look at pic 1 below. It shows the wiring to the clutch switch. The green /. brown wire should receive power when you turn the key to the start position. Power should then come out from the black / white wire to ground.

Next, check and confirm fuse 21 is good. See pic 2 Additionally, check the two fuses in pic 4.

Last, check the starter relay. See pic 3 for location. If there is another relay with the same part number, switch them to see if anything changes. If there isn't, I will include directions for testing in the following links.

_______________________________________

Here are a few links you may find helpful:

https://www.2carpros.com/articles/how-a-car-fuse-works

https://www.2carpros.com/articles/how-to-check-a-car-fuse

https://www.2carpros.com/articles/how-to-check-an-electrical-relay-and-wiring-control-circuit

https://www.2carpros.com/articles/how-to-use-a-voltmeter

https://www.2carpros.com/articles/how-to-check-wiring

_____________________________________________

I realize this seems like a lot, but it won't take too long. Let me know the results of the tests. If you find something that seems out of the ordinary, let me know. Also, let me know what kind of wiring issues you were having prior.

Take care,
Joe
Dec 22, 2019 at 7:55 PM
Avatar
TOUGHDIVER
  • CERTIFIED EXPERT
  • 224 POSTS
Hi
A good way to check if your Starting problem Is to check for a voltage drop by turning the headlamps on. Try to start your vehicle and watch the headlamps, If the headlamps go out or dim you have a battery or chassis ground problem. Check your battery with a know good battery draw tester. Check your battery connections and starter connections. If your battery is good and connections are tight, (Replace your starter) NOTE make sure you disconnect your battery first.
If your head lamps stay bright you have an ignition starter circuit problem. Check your clutch safety switch it is mounted on the clutch pedal. It is a ground circuit and is open when the clutch pedal is in the up position and closed when in down position. ( Use extreme caution vehicle can start in gear if you jump the circuit for testing.) Replace switch if faulty.
If clutch safety switch is good, Check your fuses and starter relay, I'm attaching schematics and wiring diagrams below and you can reference as needed. If you need anymore information please let use know and we will get it to you.
(Please let us know if we was helpful and what fixed your starting problem so we can help others.)

Thank you
Joe Terwilliger


Dec 22, 2019 at 9:34 PM
Advertisement
Avatar
PATTY SAINT
  • MEMBER
  • 4 POSTS
truck needed some fuses and there was a loose wire on the safety switch. Nice fixed just in time for Christmas. Thank you
Dec 23, 2019 at 6:12 PM
Avatar
JACOBANDNICKOLAS
  • CERTIFIED EXPERT
  • 110,175 POSTS
Glad you got it fixed. Take care and let us know if you have questions in the future.

Merry Christmas,
Joe
Dec 23, 2019 at 10:44 PM