How do you find a wiring diagram to replace starter?

1997 DODGE RAM
1,890,000 MILES
Avatar
LISA RANKIN
  • MEMBER
  • 1 POST
Wiring diagram to replace starter needed.
Aug 23, 2022 at 7:59 AM
Advertisement
Avatar
STRAILER
  • CERTIFIED EXPERT
  • 53,854 POSTS
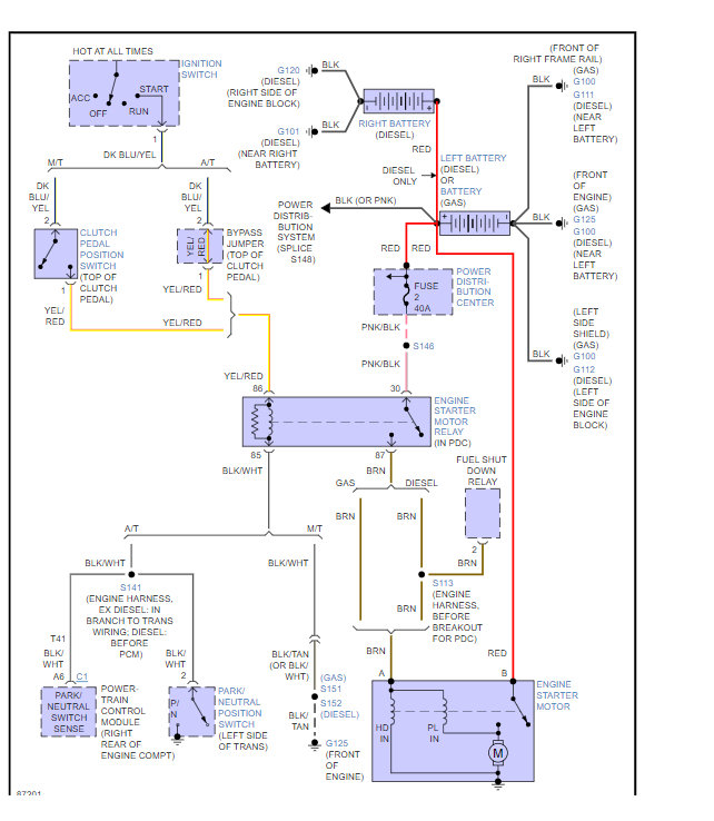
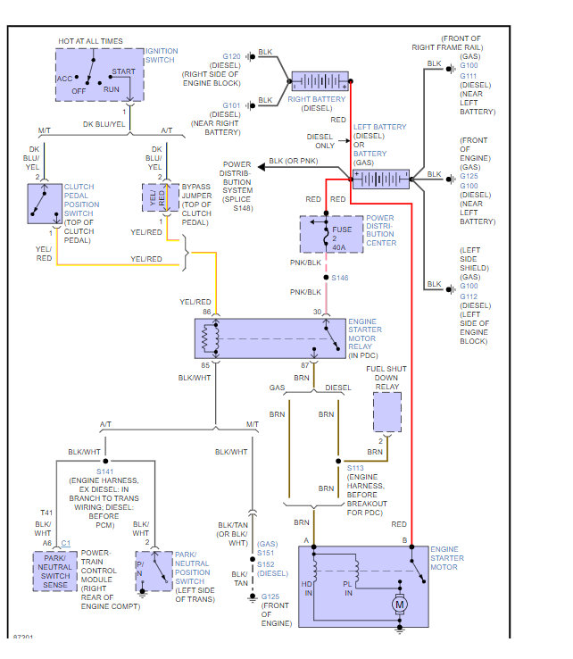
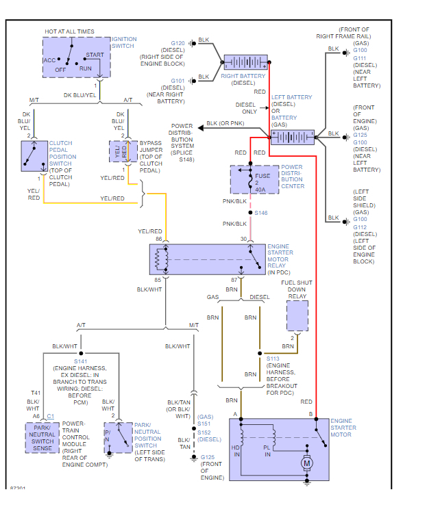
Here is how you can change out the starter and the starter wring diagram to help you understand the system and how to connect the wires in the images below. Also, this generic guide can help you understand what you are getting yourself into when doing the job:

https://www.2carpros.com/articles/how-to-replace-a-starter-motor

Check out the diagrams (below). Please let us know if you need anything else to get the problem fixed.

Aug 23, 2022 at 11:00 AM