It sounds like the battery needs to be replaced or the starter motor has gone out, will the engine crank while in neutral? If so, the gear range sensor is bad. I would take the battery out and have it load tested at the auto parts store and if okay we need to test for power at trigger wire of the starter, this guide will help you and I have included the starter location and how to replace it if needed.
https://www.2carpros.com/articles/starter-not-working-repair
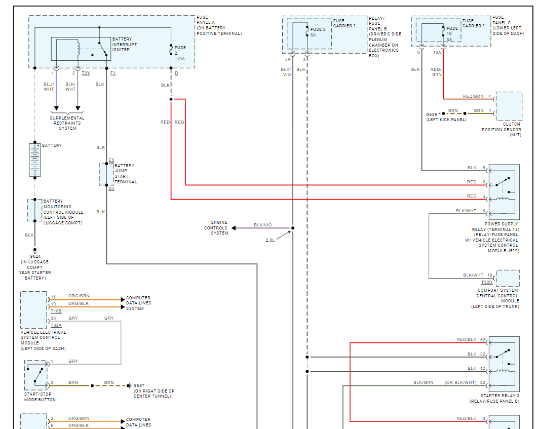
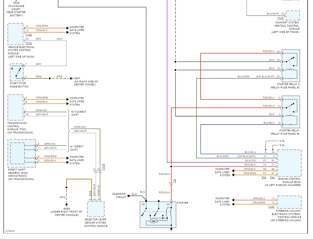
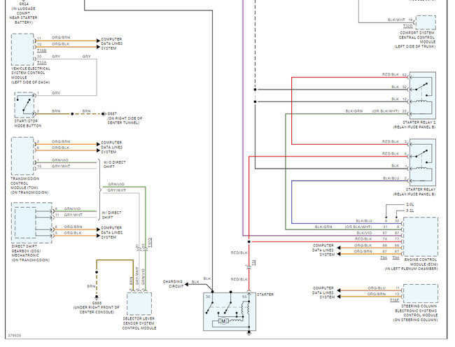
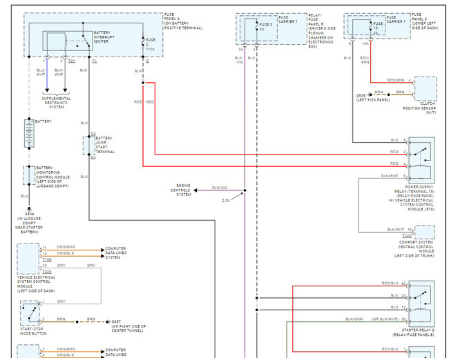
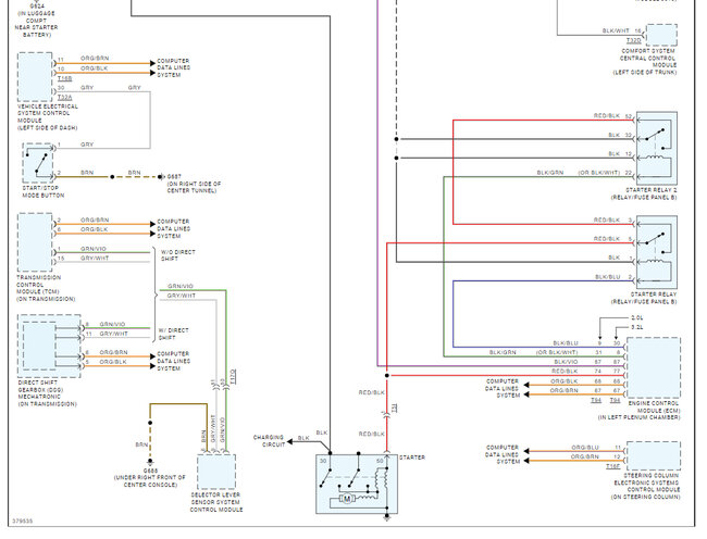
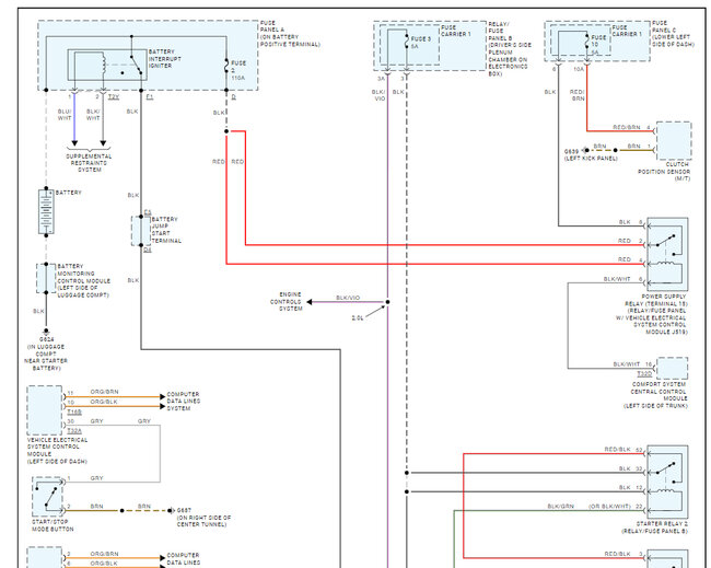
Check out the images (below). Please let us know what happens. The wire is red/blk in case you want to tap into the harness, the starter is under the turbo and hard to get to. Here are the wiring diagrams as well so you can see how the system works.
Images (Click to enlarge)
Oct 20, 2024 at 6:29 PM