Hello Techs,
I have read many previous forums on this site (all good,
and informative regarding similar issues, btw!!)
I am trying to isolate whether I have two separate problems or one.
The vehicle runs smooth with proper idle 1.000 cold startup/800 rpm's normal.
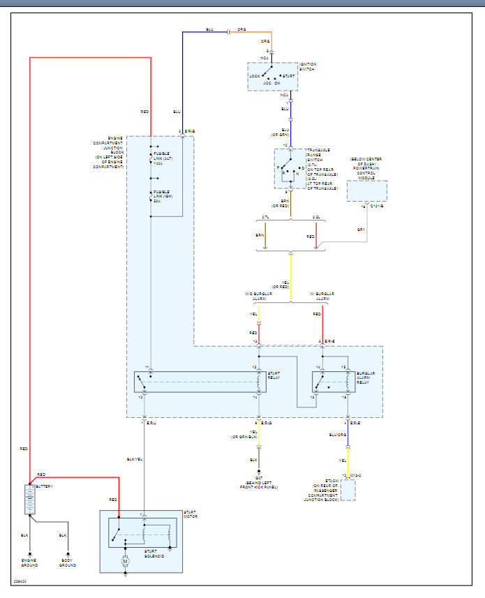
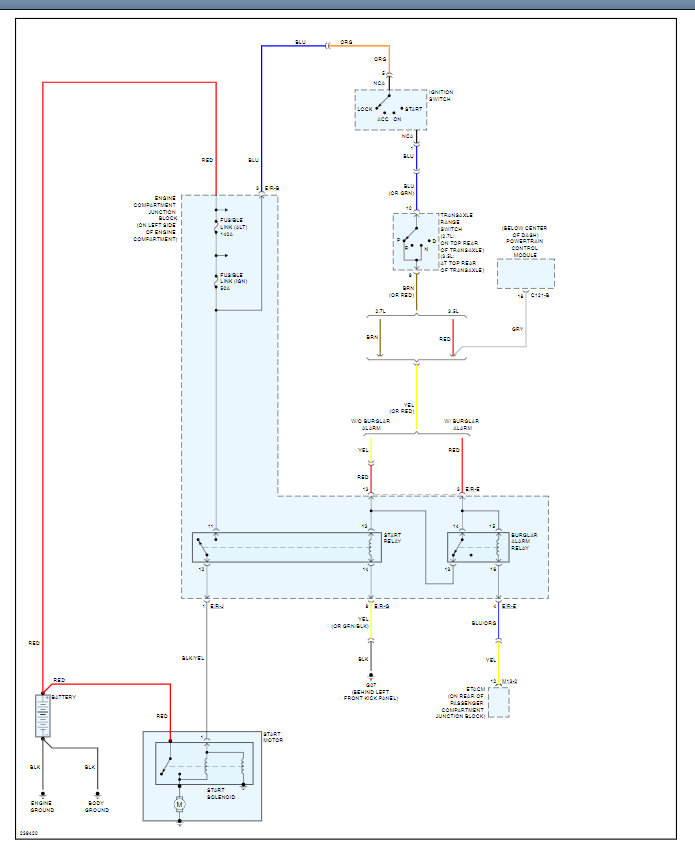
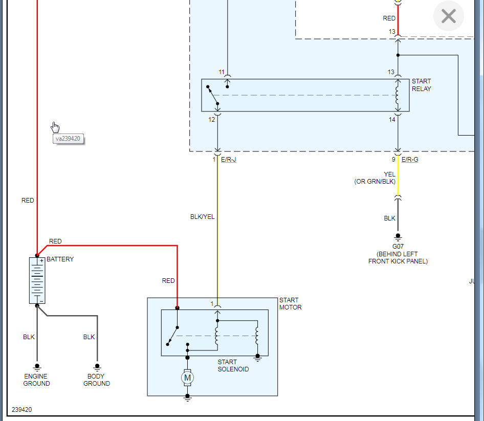
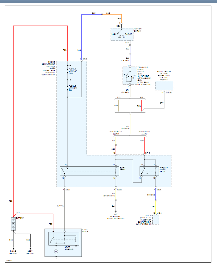
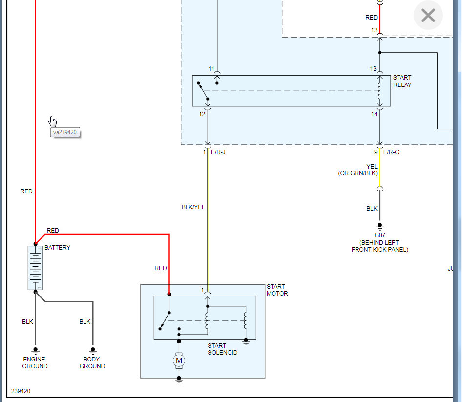
1) intermittently under either condition the keyed response on startup : power to acc and lights , but will not produce a crank over. I can either wait, remove and replace the positive battery terminal and the vehicle keyed turnover happens.
2) Again, (but never the same time as #1) intermittently while driving the vehicle will stall, I can typically change from (D) to (N) while in motion and turnover the ignition and the restore power/fuel.
During this entire ordeal I have no constant check engine light for diagnosis code capture.
This problem has been going on for quite some time , getting worse , but I would like to resolve due to traffic safety concerns .
number (1) issue I have replaced keyed ignition switch on column due to moving it up and down and re-ignition would occur, but that was a false positive.
It does appear that previous owners may have already replaced the CPS as harness connector up top looks to be newer (HEC) stickered.
It does not matter on stall out , I can be under no pedal pressure or pedal metal and it will still stall in drive.
To all in advance appreciate any thoughts of proactive solutions.Thank you kindly .
I have read many previous forums on this site (all good,
and informative regarding similar issues, btw!!)
I am trying to isolate whether I have two separate problems or one.
The vehicle runs smooth with proper idle 1.000 cold startup/800 rpm's normal.
1) intermittently under either condition the keyed response on startup : power to acc and lights , but will not produce a crank over. I can either wait, remove and replace the positive battery terminal and the vehicle keyed turnover happens.
2) Again, (but never the same time as #1) intermittently while driving the vehicle will stall, I can typically change from (D) to (N) while in motion and turnover the ignition and the restore power/fuel.
During this entire ordeal I have no constant check engine light for diagnosis code capture.
This problem has been going on for quite some time , getting worse , but I would like to resolve due to traffic safety concerns .
number (1) issue I have replaced keyed ignition switch on column due to moving it up and down and re-ignition would occur, but that was a false positive.
It does appear that previous owners may have already replaced the CPS as harness connector up top looks to be newer (HEC) stickered.
It does not matter on stall out , I can be under no pedal pressure or pedal metal and it will still stall in drive.
To all in advance appreciate any thoughts of proactive solutions.Thank you kindly .
Nov 4, 2020 at 1:07 PM

