Engine shuts off after driving twenty to thirty minutes

1991 MAZDA B2600
240,000 MILES • 2.6L • 4 CYL • 4WD • MANUAL
Avatar
JAKE TC
  • MEMBER
  • 20 POSTS
Truck starts idles perfect runs and drives for twenty to thirty minutes then stalls out. Changed temperature sensor, coil, plugs basically everything except ECU.
Dec 11, 2018 at 4:45 PM
Advertisement
Avatar
JACOBANDNICKOLAS
  • CERTIFIED EXPERT
  • 110,175 POSTS
Hi and thanks for using 2CarPros.

When it fails to start, I need you to check for spark and fuel to the engine. One will be missing and I feel it may be spark. Here are two links that show in general how to check both:

https://www.2carpros.com/articles/how-to-check-fuel-system-pressure-and-regulator

https://www.2carpros.com/articles/how-to-test-an-ignition-system

Now, if you find there is no spark, I suspect the crank angle sensor may be bad. Look through this link:

https://www.2carpros.com/articles/symptoms-of-a-bad-crankshaft-sensor

If you find no spark when it fails to run, that is my first suspect. However, the crank angle sensor on your truck is in the distributor. Here is the description of the ignition system.


The distributor, mounted to the left front side of the cylinder head and driven by the camshaft, directs high voltage ignition coil output to the spark plugs in proper sequence (firing order). To accomplish this, a rotor on the driven shaft acts as a rotary contact, directing ignition coil voltage to each spark plug terminal as it turns inside the distributor cap.

The distributor utilizes a photo-diode type crank angle sensor consisting of a slotted disc that turns with the distributor shaft and a stationary pick-up assembly. As the disc rotates past the pick-up, the slots (one for each cylinder) alternately pass and block photo-diode light transmission. Signals generated are interpreted by the ECU to determine crank angle (#1 cylinder TDC) and engine rpm. To calculate ignition timing, the ECU uses this input together with several others related to vehicle operating conditions. Except for the initial setting, ignition timing is under ECU control.

_____________________________-

I attached a picture of the distributor assembly. Next, I suggest checking for diagnostic trouble codes. Although this is an OBD1 system, it still can be checked. Go to this site:

https://www.2carpros.com/articles/diagnostic-trouble-codes-for-1995-and-earlier-mazda-cars-obd1

Also, here are the directions specific to checking fuel pressure on your truck. Also, the fuel specs are included in the steps. The last two pics correlate with these directions.

FUEL PRESSURE TEST
1. Relieve fuel system pressure by starting engine with fuel pump relay (circuit open relay) disconnected and let run until engine dies, then slowly and carefully remove hose on outlet side of fuel filter. Cover with a clean rag while removing hose, to avoid spraying fuel in your face.

Checking Fuel Pressure

2. Using an extra piece of injector hose, connect fuel pressure gauge as shown in illustration.

Fuel Pump Test Connector

3. Energize fuel pump by bridging the terminals of the yellow fuel pump test connector (located near the firewall below the windshield wiper motor, see illustration) and turning ignition "ON" .

4. Pinch off hose between gauge and pulsation damper with a clamp.

5. Observe fuel pressure on gauge (this will be the maximum fuel pressure available from the fuel pump).

64 - 85 psi (441 - 589 kPa)

If pressure is higher than the maximum specified, replace fuel pump. If pressure is lower than the minimum specified, check fuel filter. If filter is OK, replace pump.

6. Disconnect jumper wire from test connector and turn ignition "OFF". Wait 5 minutes, then observe fuel pump residual pressure on gauge.

Minimum 50 psi (343 kPa)

If residual pressure is less than specified, fuel pump pressure relief valve is leaking - replace pump.

7. Remove pinch clamp from hose between gauge and pulsation damper.

8. Start engine and let idle.

9. Observe fuel pressure on gauge (this is the system operating pressure).

28 - 37 psi (196 - 255 kPa)

If pressure is higher than the maximum specified, check fuel return line for kinks or restriction. If pressure is lower than the minimum specified, check fuel filter. If filter and return line are OK and pressure is still not within the specified range, replace pressure regulator.

10. Disconnect vacuum hose from fuel pressure regulator with engine idling.

^ Fuel pressure should increase when vacuum hose is removed.

38 - 46 psi (265 - 314 kPa)

If not, replace pressure regulator.

11. Shut engine "OFF" and wait 5 minutes, then observe residual pressure on gauge.

Minimum 21 psi (147 kPa)

If not, check for leaking fuel injectors. If injectors are not leaking, replace pressure regulator.

If all test results are OK, fuel pump and pressure regulator are OK.
_______________________________________________________

Let me know if any of this helps or if you have questions.

Take care,
Joe
Dec 12, 2018 at 7:49 PM
Avatar
JAKE TC
  • MEMBER
  • 20 POSTS
Okay guys, everything checked out I put new distributor in truck idles perfect until it gets to running temperature then shuts off. turn heater fan on and it starts again shut fan of it shuts off. I can keep it running with fan off for a bit it stumbles and backfires when you try to give it some gas. I am lost.
Dec 20, 2018 at 9:14 PM
Advertisement
Avatar
JAKE TC
  • MEMBER
  • 20 POSTS
I’m a little confused though about fuel pressure I have gauge tied in when my truck is running. how much pressure should I have on gauge?
Dec 20, 2018 at 9:39 PM
Avatar
JAKE TC
  • MEMBER
  • 20 POSTS
I’m testing fuel pressure just like it says to do and I’ve repeated it three times and it checks out. I’ve now taken off the throttle body cleaned it and cleaned the air control. Also, I’ll be putting them back on tomorrow would it be the ECU plus I haven’t changed the oxygen sensor yet either.
Dec 20, 2018 at 9:45 PM
Avatar
JAKE TC
  • MEMBER
  • 20 POSTS
Tested MAF sensor it checked out, but with engine idling if I disconnect the tires plug what should happen to idling.
Dec 20, 2018 at 9:52 PM
Avatar
JAKE TC
  • MEMBER
  • 20 POSTS
MAF plug not tire plug.
Dec 21, 2018 at 9:50 AM
Avatar
JACOBANDNICKOLAS
  • CERTIFIED EXPERT
  • 110,175 POSTS
Hi and welcome back:

Have you checked the crankshaft position sensor? If it fails, it can cause these issues. I attached a picture of the sensor. It is in the distributor on this vehicle. It's number 4 in the picture.

The engine should most likely stall if you disconnect the sensor. Here are the directions for testing the sensor: (picture 2)

AIR FLOW METER/SENSOR
Testing Air Flow Meter

See pic 2

1. Remove rubber boot from air flow sensor connector.
2. Check terminal voltages as follows:


TERMINAL

B/Y (Power supply)
G/O (Burn-off)
G/B (Air flow mass)
G/Y (Ground)
B/O (Ground)

IGNITION ON

B/Y - Approx. 12V
G/O - 0V
G/B - 1.0 - 2.0V
G/Y - Approx. 0V
B/O - Approx. 0V

ENGINE RUNNING

B/Y - Approx. 12V
G/O - 0V
G/B - 1.9 - 5.0V
G/Y - Approx. 0V
B/O - Approx. 0V


3. If not as specified, check wiring harness for an open or short circuit. If harness is okay, check burn-off operation. Refer to OUTPUT DEVICES, BURN-OFF CONTROL SYSTEM.
4. If burn-off operation is as specified, replace airflow sensor.

_______________________________

When the engine shuts off, check to see if spark is lost.

_____________________________

Let me know what you find or if you have other questions.

Take care,
Joe
Dec 21, 2018 at 5:13 PM
Avatar
JAKE TC
  • MEMBER
  • 20 POSTS
Not losing spark when engine running and accelerate it stumbles turn the fan on and it runs smooth.
Dec 21, 2018 at 6:00 PM
Avatar
JACOBANDNICKOLAS
  • CERTIFIED EXPERT
  • 110,175 POSTS
Are you referring to the blower motor fan?
Dec 21, 2018 at 8:24 PM
Avatar
JAKE TC
  • MEMBER
  • 20 POSTS
Yes the heater fan.
Dec 21, 2018 at 8:28 PM
Avatar
JACOBANDNICKOLAS
  • CERTIFIED EXPERT
  • 110,175 POSTS
Have you checked battery voltage with the engine running, fan off and then on? If not, do that and let me know what you find. We may have an alternator overcharging. Turning the fan on isn't going to affect the grounds for ignition or fuel, but it will place a load on the alternator.
Dec 21, 2018 at 8:34 PM
Avatar
JAKE TC
  • MEMBER
  • 20 POSTS
12.5 to 14.1 nothing turned on goes to 13.8 with lights on and fan on high.
Dec 22, 2018 at 9:59 AM
Avatar
JAKE TC
  • MEMBER
  • 20 POSTS
14 with lights and fan off.
Dec 22, 2018 at 10:00 AM
Avatar
JAKE TC
  • MEMBER
  • 20 POSTS
Would purge valve solenoid do this? I had key turned on engine not running testing some components and the solenoids started clicking after a few minutes. top one according to the book is the purge control solenoid with plug and two air hose ports. the one port was plugged and broke off so air hose won’t fit on it.
Dec 22, 2018 at 11:17 AM
Avatar
JACOBANDNICKOLAS
  • CERTIFIED EXPERT
  • 110,175 POSTS
Hi:

The purge solenoid controls the flow of fuel vapors from the charcoal canister. It could be a problem and could cause poor running conditions or and this is a stretch, stalling.

You mentioned one of the air hoses and one is broke. If it opens and draws fresh air into the system, then you have a lean fuel mixture.

Let me know if that helps.

Joe
Dec 22, 2018 at 12:05 PM
Avatar
JAKE TC
  • MEMBER
  • 20 POSTS
Okay, any other suggestions?
Dec 22, 2018 at 12:08 PM
Avatar
JACOBANDNICKOLAS
  • CERTIFIED EXPERT
  • 110,175 POSTS
At this point, lets see if the valve changes anything. The voltage you listed is perfect, so that isn't a problem. However, and I'm being honest, you have me stumped on it running better with the heater fan on.
Dec 22, 2018 at 12:19 PM
Avatar
JAKE TC
  • MEMBER
  • 20 POSTS
Ya me too. only thing else is fuel relay or ECU.
Dec 22, 2018 at 12:42 PM
Avatar
JAKE TC
  • MEMBER
  • 20 POSTS
Okay, I’m just testing fuel pressure again. I have gauge tied in like the picture. I disconnected fuel relay started truck until it shut off. jumpered yellow terminal turned key on pump started. I only have 40 psi. is that enough?
Dec 22, 2018 at 1:04 PM
Avatar
JAKE TC
  • MEMBER
  • 20 POSTS
Engine is at operating temperature.
Dec 22, 2018 at 1:05 PM
Avatar
JAKE TC
  • MEMBER
  • 20 POSTS
Still don’t know what fan has to do with this.
Dec 22, 2018 at 1:05 PM
Avatar
JAKE TC
  • MEMBER
  • 20 POSTS
Just took truck for drive as long as heater fan switch on little truck lights it up in three gears. runs awesome go figure.
Dec 22, 2018 at 2:26 PM
Avatar
JACOBANDNICKOLAS
  • CERTIFIED EXPERT
  • 110,175 POSTS
Hi again.

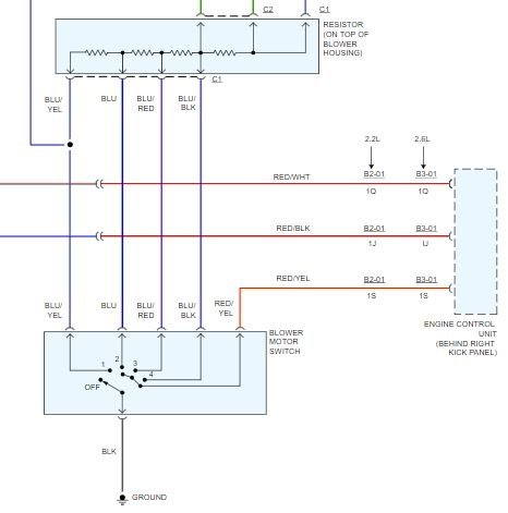
I just spent an hour looking through schematics and I may have an idea. Power to the blower motor originates at the opposite end. In other word, when you turn the switch on, power is allowed to pass through supply (fuse), through the blower motor, then the resister, and enter the switch, which provides a ground. See picture 1

With that in mind, the switch is also connected with the ECU to operate the AC. When the blower motor switch is in the off position, there is no ground provided. However, as soon as you turn it on at any speed, a ground is provided. With that in mind, I feel we have a ground issue.

What I need you to do is start cleaning and inspecting grounds under the hood and in the passenger compartment. Also, check around the battery for body grounds as well as the main ground strap.

What are your thoughts on my theory?

Let me know.

Joe

Dec 22, 2018 at 6:20 PM
Avatar
JAKE TC
  • MEMBER
  • 20 POSTS
I’m in because grounding is the first thing I look at when it comes to electrical.
Dec 22, 2018 at 8:55 PM
Avatar
JACOBANDNICKOLAS
  • CERTIFIED EXPERT
  • 110,175 POSTS
Let me know what you find. I wish I was there to help. I love a good challenge. LOL
Dec 23, 2018 at 5:58 PM
Avatar
JAKE TC
  • MEMBER
  • 20 POSTS
I will but won’t be for a week. I like a challenge too.
Dec 23, 2018 at 6:01 PM
Avatar
JACOBANDNICKOLAS
  • CERTIFIED EXPERT
  • 110,175 POSTS
Take care and I hope you have a nice Christmas. Let me know.

Joe
Dec 23, 2018 at 8:05 PM