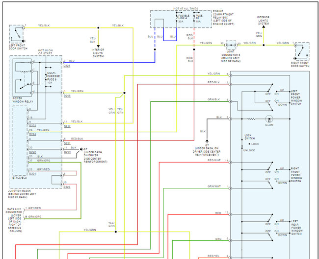
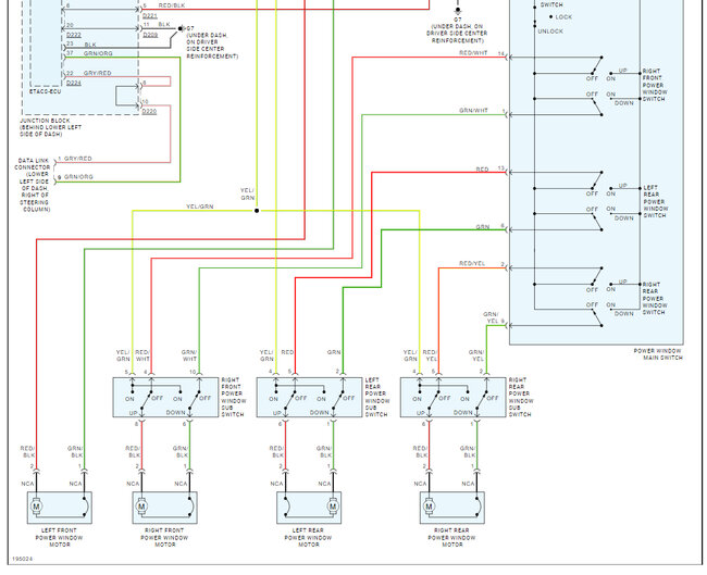
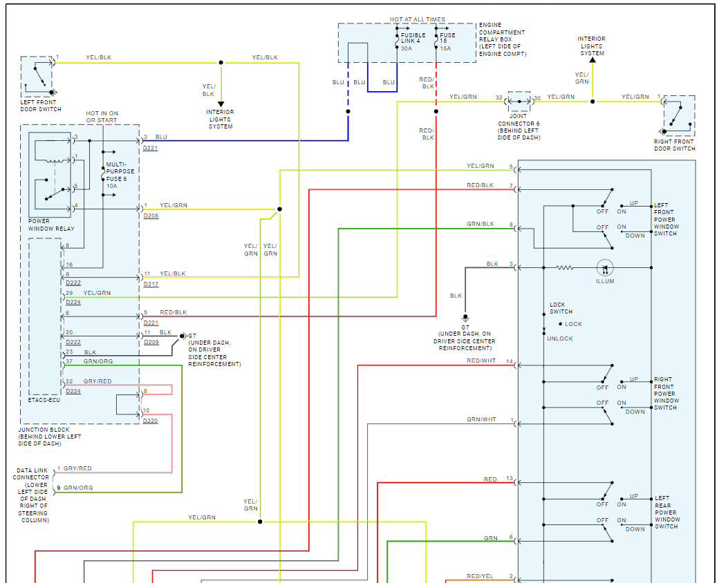
Passenger side door not going up or down. I powered it directly to battery and it went up and down. Swap switch from back to front that was going but didn't still work there. Please, what should I do next to locate and fix the problem? I'm stocked.
Oct 24, 2024 at 10:59 AM


