Stalling randomly

1999 SATURN SC2
102,400 MILES • 1.9L • 4 CYL • 2WD • AUTOMATIC
Avatar
GRANT5320
  • MEMBER
  • 3 POSTS
Got this car with 84,000 miles no issues. About 6,000 miles later it randomly stalled and I found a blown fuse (#3 of the starter red 10) replaced it an all good. Then about 3,000 miles later it kept doing it an left me stranded. Came back a day later ran fine but randomly does it. But if I start it then take the red 10 out it will not shut off. I got codes for knock sensor and some other things but I don't know where to start.
Feb 3, 2021 at 6:37 PM
Advertisement
Avatar
ASEMASTER6371
  • CERTIFIED EXPERT
  • 52,796 POSTS
Good morning,

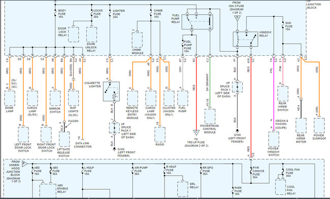
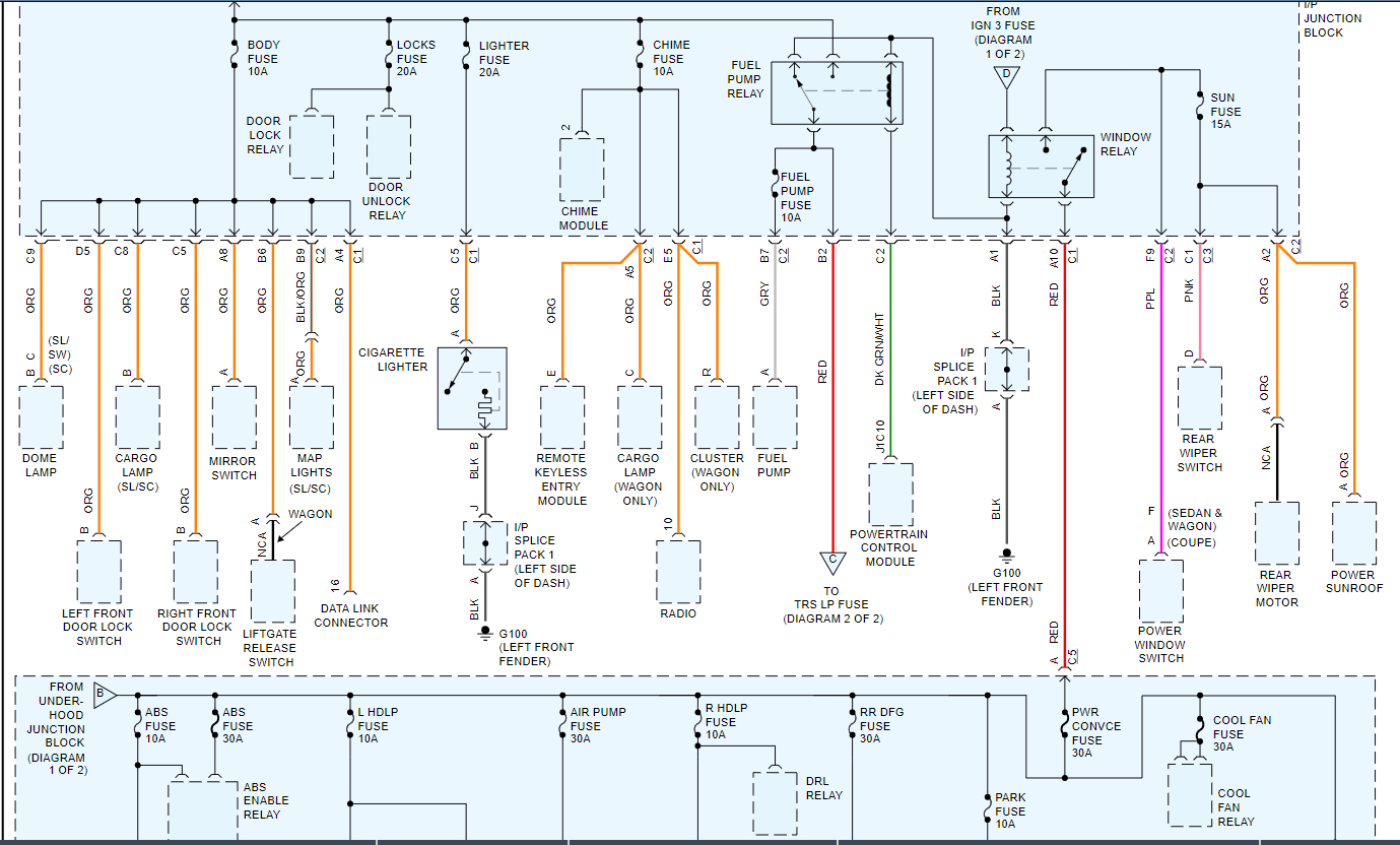
I attached the fuse diagram for you to view. Can you please identify the fuse you remove and the one that failed?

https://www.2carpros.com/articles/how-to-check-a-car-fuse

https://www.2carpros.com/articles/stall-at-idle

https://www.2carpros.com/articles/engine-stalls

I attached some guides for the stalling for you to review.

Once I identify the fuse failing, I can help you narrow the reason for the stalling.

Roy
Feb 4, 2021 at 2:28 AM
Avatar
GRANT5320
  • MEMBER
  • 3 POSTS
I currently have a P0341 crankshaft position sensor code, and the fuse that I take out when it stalls controls the chime also.
May 23, 2021 at 1:33 PM
Advertisement
Avatar
ASEMASTER6371
  • CERTIFIED EXPERT
  • 52,796 POSTS
I need to know the fuse that is failing so we can proceed.

Roy
May 24, 2021 at 2:02 PM
Avatar
GRANT5320
  • MEMBER
  • 3 POSTS
It’s the 10 amp chime fuse.
May 24, 2021 at 6:56 PM
Avatar
ASEMASTER6371
  • CERTIFIED EXPERT
  • 52,796 POSTS
I attached the fuse diagram. That fuse controls all the items highlighted. You will need to disconnect the items one at a time and see which one is causing the fuse to fail. As you disconnect each item, replace the fuse and see if it fails.

Roy
May 26, 2021 at 6:48 AM