stale gasoline and spark plugs

1989 FORD E-SERIES VAN
60,000 MILES • 7.5L • V8 • 2WD • AUTOMATIC
Avatar
TONYNEAL
  • MEMBER
  • 37 POSTS
I have so many questions, I acquired a Mobile Traveler Class C Motorhome with a Ford Econoline 350, beautiful in and out. but,
it has two starter solenoids (why? and how do they work?) and there’s two transistor relays on the firewall with two terminals on each, I don’t know what they are for, I’ve seen one on cars but never two (why would there be two?).
okay, but my issues are with it starting, because it wont!
When I got it home, out of curiosity, I cranked it over and it sounded like it wanted to start but didn’t. It was full of stale gas, so I disconnected the fuel pump so no gas would get to the engine, and I poured good gas directly into the throttle body and cranked it over but this time it didn't even try to start.
Could the stale gas have put a coating on the plugs to hinder their spark?
What might be going on here?
And does anybody know where I can find a free download of a manual for this beast.
Oct 15, 2020 at 6:36 PM
Advertisement
Avatar
JACOBANDNICKOLAS
  • CERTIFIED EXPERT
  • 110,175 POSTS
Hi,

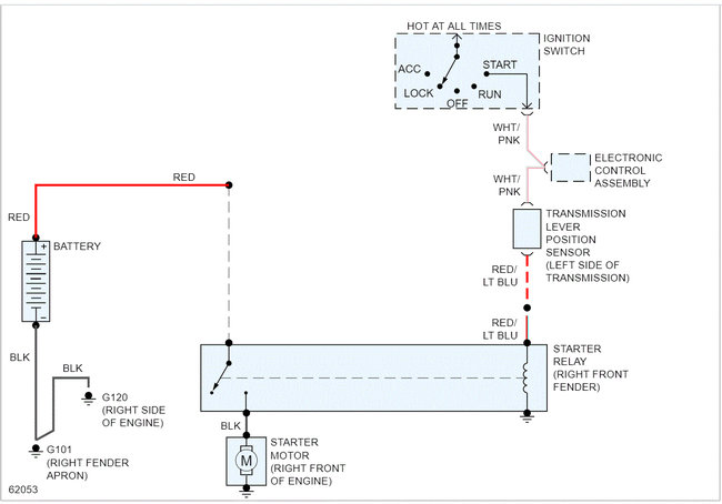
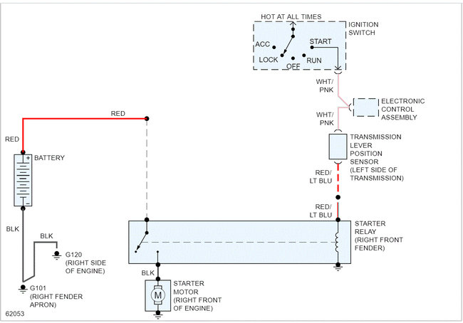
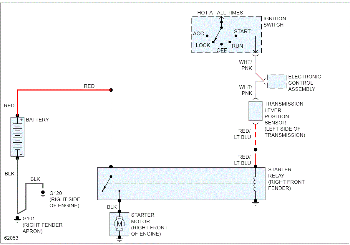
I attached the starter system wiring schematic. It shows one relay on the right front inner fender. See the attached schematic. If there are two, chances are it is for something that was added by the body company.

As far as what is on the fire wall, can you take a pic of them and upload them for me to see? It sounds like you are describing a ballast resistor. That would be part of the ignition system

What you need to keep in mind is the body company that made it has made many modifications to turn it into an RV. It started as a cab and chassis from Ford.

As far as the no start, have you checked for ignition spark? If you put gas in the throttle body and it didn't even try to start, it seems you lost spark. Check that first and let me know what you find. Here is a link you may find helpful. It explains how to check for spark.

https://www.2carpros.com/articles/how-to-test-an-ignition-system

Here is a link that explains how to check a crank no start condition:

https://www.2carpros.com/articles/car-cranks-but-wont-start

Start with checking ignition spark and let me know what you find. Even if the fuel in the tank was old, it still should have tried to start when you put fuel to it manually.

Let me know what you find or if you have other questions.

Take care,
Joe
Oct 15, 2020 at 7:59 PM
Avatar
TONYNEAL
  • MEMBER
  • 37 POSTS
I drained all the old gas, cleaned and checked the gap on all the plugs, but 1 and 5, and I got it to run, misses like hell, but it runs now without having to be jumped, even without plugs 1 and 5 being cleaned,
So I figure if I can check and clean those two plugs, 1 and 5, it’ll maybe run without missing.
I can get to plug number 5 through the fender well with extensions etc. but I don’t know how to get to plug number 1, any ideas?
Oct 20, 2020 at 8:42 PM
Advertisement
Avatar
JACOBANDNICKOLAS
  • CERTIFIED EXPERT
  • 110,175 POSTS
Hi,

Because of the body changes, I'm not sure what to say about cylinder 1. Can you take a few pics or a short video showing and explaining your concerns?

Joe
Oct 21, 2020 at 7:17 PM