SRS light remains on

2003 ACURA TL
140,000 MILES • 3.2L • V6 • 2WD • AUTOMATIC
Avatar
KAMCMAH
  • MEMBER
  • 3 POSTS
Possible diagnosis is the BCM. If it is the BCM, where is it located on this vehicle?
Jul 31, 2018 at 2:19 PM
Advertisement
Avatar
ASEMASTER6371
  • CERTIFIED EXPERT
  • 52,796 POSTS
Good afternoon.

No, it is not.

The SRS is the seat belt restraints. There is a fault code stored in the system. I need that code to help you narrow the area of failure.

You can get the code read for free at a parts store.

Roy
Jul 31, 2018 at 2:36 PM
Avatar
KAMCMAH
  • MEMBER
  • 3 POSTS
Thanks for the quick response, Roy. Yes, I tried to see if AutoZone could get an error code, but they said that just like my own OBD II device, they could not see the SRS codes. I currently have the car in a shop that said they could see the SRS error codes, but it may be a couple days before I get results. I would not replace the BCM unless the codes indicated it was a problem. I only wanted to know where to find the BCM in the event it was. Thanks again.
Jul 31, 2018 at 4:21 PM
Advertisement
Avatar
ASEMASTER6371
  • CERTIFIED EXPERT
  • 52,796 POSTS
Okay, I get a picture for but it is not the BCM at all. Besides codes do not tell you a component failure just the system failure. Diagnostics need to be done to determine the failure.

Roy
Jul 31, 2018 at 4:29 PM
Avatar
KAMCMAH
  • MEMBER
  • 3 POSTS
Thanks.
Jul 31, 2018 at 5:47 PM
Avatar
STRAILER
  • CERTIFIED EXPERT
  • 53,854 POSTS
Hello,

Here is a video showing how to pull the SRS codes. There is not BCM on this car just the SRS control module to run the airbag system.

https://youtu.be/gnSGfEqrf_w

Nine times out of ten it is the clock spring in the steering wheel. Here is a guide to help test it and the airbag wiring diagrams to show you how the system works:

https://www.2carpros.com/articles/how-to-check-wiring

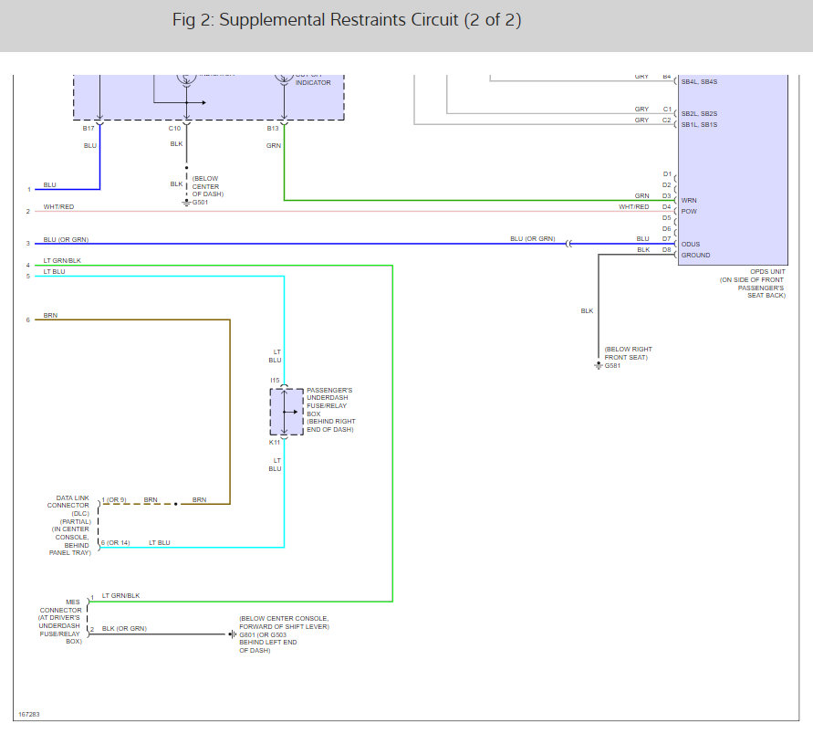
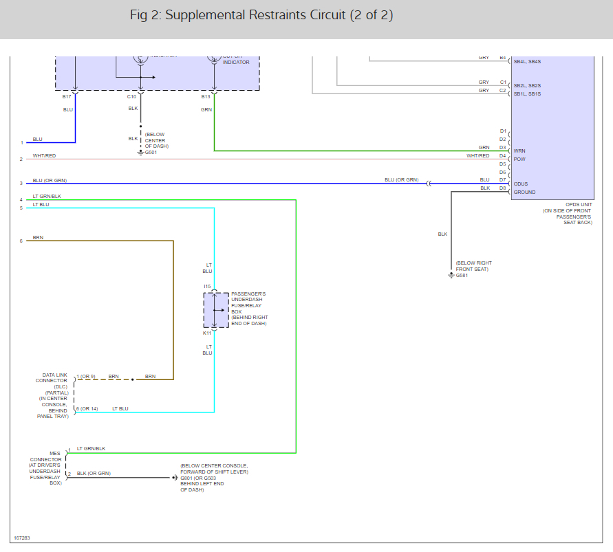
Check out the diagrams (below). Please let us know what you find.

Cheers, Ken
Jul 31, 2018 at 6:39 PM