☰
Login
Join
×
Home
Answered Questions
Repair Topics
Repair & Service Guides
Popular Questions
Warning Lights
Trouble Codes
How It Works
Testing / Diagnostics
Symptoms
Videos
Login
Become a Member
Home
Ford
Crown Victoria
Electrical
BCM
Codes
B2296
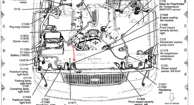
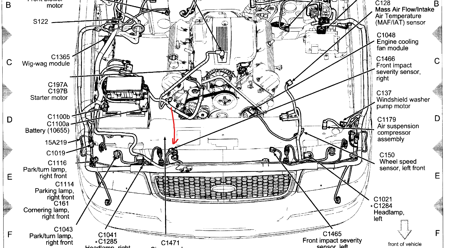
SRS Code B2296, where is the Passenger side front Impact sensor located?
2006 FORD CROWN VICTORIA
230,000 MILES • 4.6L • V8 • 2WD • AUTOMATIC
DBAYBOY
MEMBER
3 POSTS
FOLLOW
I believe this refers to Passenger side front Impact sensor. Where is this sensor located on my 2006 P71 Crown Victoria?
Aug 31, 2024 at 9:33 AM
Advertisement
STRAILER
CERTIFIED EXPERT
53,854 POSTS
Here are both right side airbag system impact sensors in case you need them. Check out the images (below). Let us know if you need anything else.
Images (Click to enlarge)
Aug 31, 2024 at 5:21 PM
DBAYBOY
MEMBER
3 POSTS
I'll go check in my car.
Sep 2, 2024 at 11:45 AM
Advertisement
STRAILER
CERTIFIED EXPERT
53,854 POSTS
Okay, let me know if you have any trouble.
Sep 2, 2024 at 5:00 PM
DBAYBOY
MEMBER
3 POSTS
Awaiting Passenger side impact sensor to arrive in the mail. Will let you know if this corrects error message.
Sep 4, 2024 at 10:22 AM