Squealing sound

2007 CHEVROLET IMPALA
131,000 MILES • 3.5L • 6 CYL • 4WD • AUTOMATIC
Avatar
STEVIE12
  • MEMBER
  • 55 POSTS
While driving I hear squealing sound, also hear sound when I press the brakes.
Jun 10, 2018 at 1:42 PM
Advertisement
Avatar
JACOBANDNICKOLAS
  • CERTIFIED EXPERT
  • 110,175 POSTS
Hi and thanks for using 2CarPros.com

It sounds like the brake sensor is touching the rotor. That is the first thing I would check. Here are general directions for replacing pads if you determine they are bad:

https://www.2carpros.com/articles/how-to-replace-front-brake-pads-and-rotors-fwd

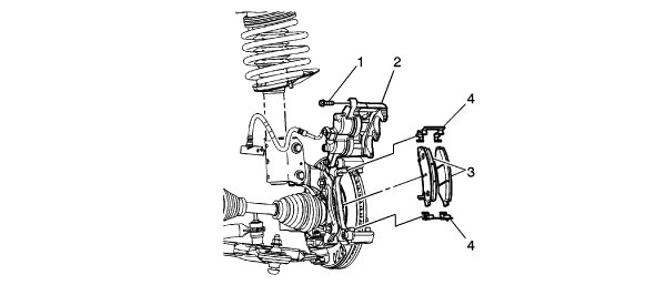
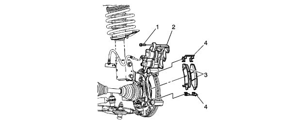
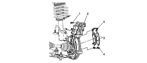
Specific directions for your vehicle are listed in picture 2.

Let me know if you need help, have any questions or need additional information.

Take care,
Joe
Jun 10, 2018 at 7:46 PM