Spider fuel injector

1999 CHEVROLET BLAZER
199,543 MILES • 4.3L • 6 CYL • 4WD • AUTOMATIC
Avatar
ROCKY GIST
  • MEMBER
  • 2 POSTS
My truck was running then it just shut off. I replaced the spider fuel injector the coil pack distributor the rotor ECM the CPU and the fuel injector. still will not fire. what could be causing this? they do have power to them they're just not getting a signal. I can pour gas down the intake it will start up and run.
Jan 18, 2021 at 11:05 PM
Advertisement
Avatar
STEVE W.
  • CERTIFIED EXPERT
  • 15,113 POSTS
You say you can pour fuel in and it will start and run, how long does it run? Only as long as the fuel you added or will it run until you turn off the key?

If it only runs until the fuel is gone then the first step would be to verify that the ECM B fuse is good, It powers a few things including the fuel pump relay. If that fuse is good the next step is to test the fuel pressure, the pump in them has a bad habit of failing or the wiring to it going bad. Get a fuel pressure gauge and connect it to the the port on the fuel line at the rear of the intake. You want to see 55 pounds of pressure with the key on and engine not running. If the pump is running okay the pressure should jump up fast, then when the prime cycle stops it should hold pressure for at least 20 minutes or longer.

https://www.2carpros.com/articles/how-to-check-fuel-system-pressure-and-regulator

The regulator test won't work on that truck as it is inside the manifold and when they leak it usually causes extra fuel and not the issue you have.
If you have low or no fuel pressure then the next step would be to drop the fuel tank and check the wiring harness for power at the pump connector. They have a bad habit of the pump starting to fail which makes it draw more power, that causes the connections to get warm, then a chain reaction starts where the pump still draws more power but the connectors start to get loose from the heat. I have seen the connectors get hot enough that they melt and the pump stops. It's why most of the newer pumps include the harness pigtail.

Now if you test or have tested the pressure with a gauge then the next steps are different depending on what you found.
You listed all of the parts you swapped, have you tried putting any back in?
Jan 19, 2021 at 1:09 AM
Avatar
ROCKY GIST
  • MEMBER
  • 2 POSTS
No, they are all brand new parts. I checked them before I put them in to make sure they were good. I have good fuel pressure and my fuel pumps good. I'm getting spark as I said I was getting power all the way up to the Spider injector. I'm just not getting a signal. all my fuses are good.
Jan 19, 2021 at 3:08 AM
Advertisement
Avatar
STEVE W.
  • CERTIFIED EXPERT
  • 15,113 POSTS
How does it run when you put gas in it, does it run for 5-10 seconds then quit or does it run until you turn off the key?
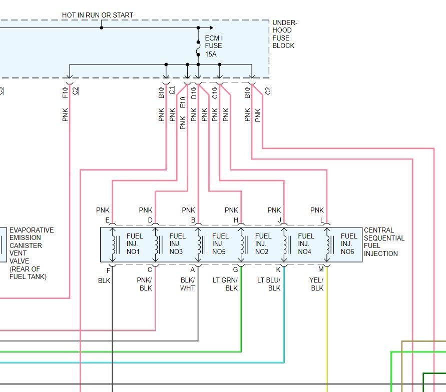
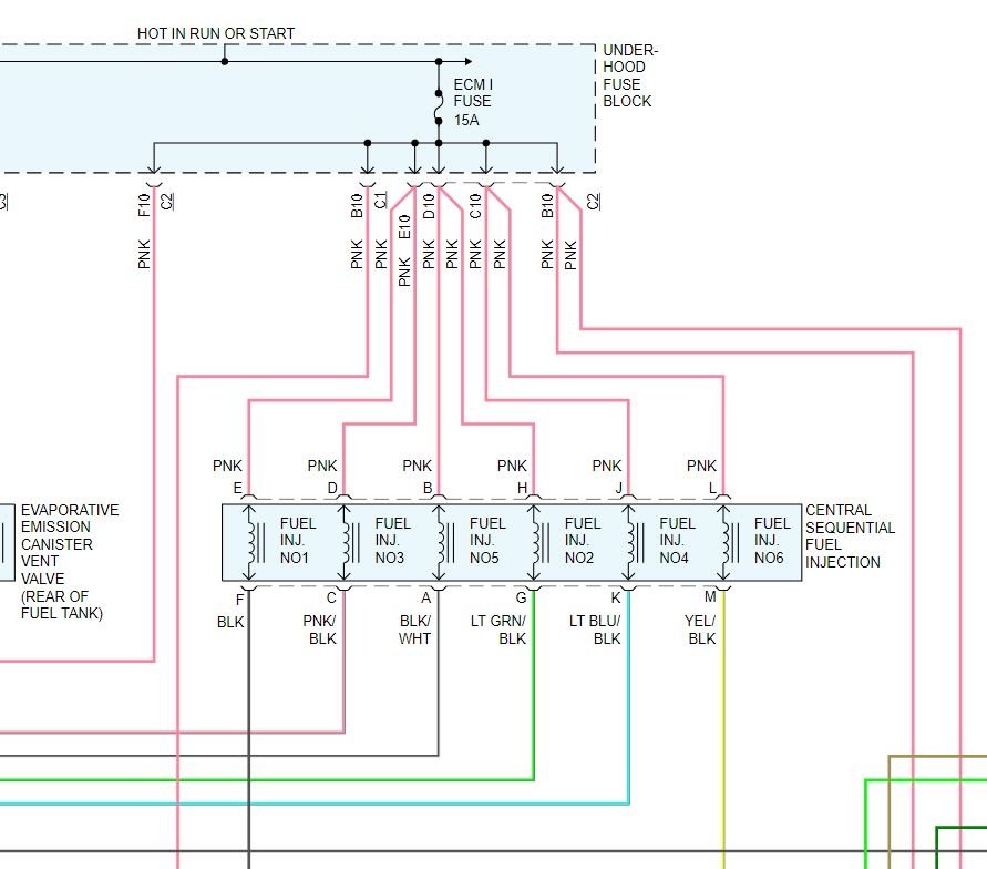
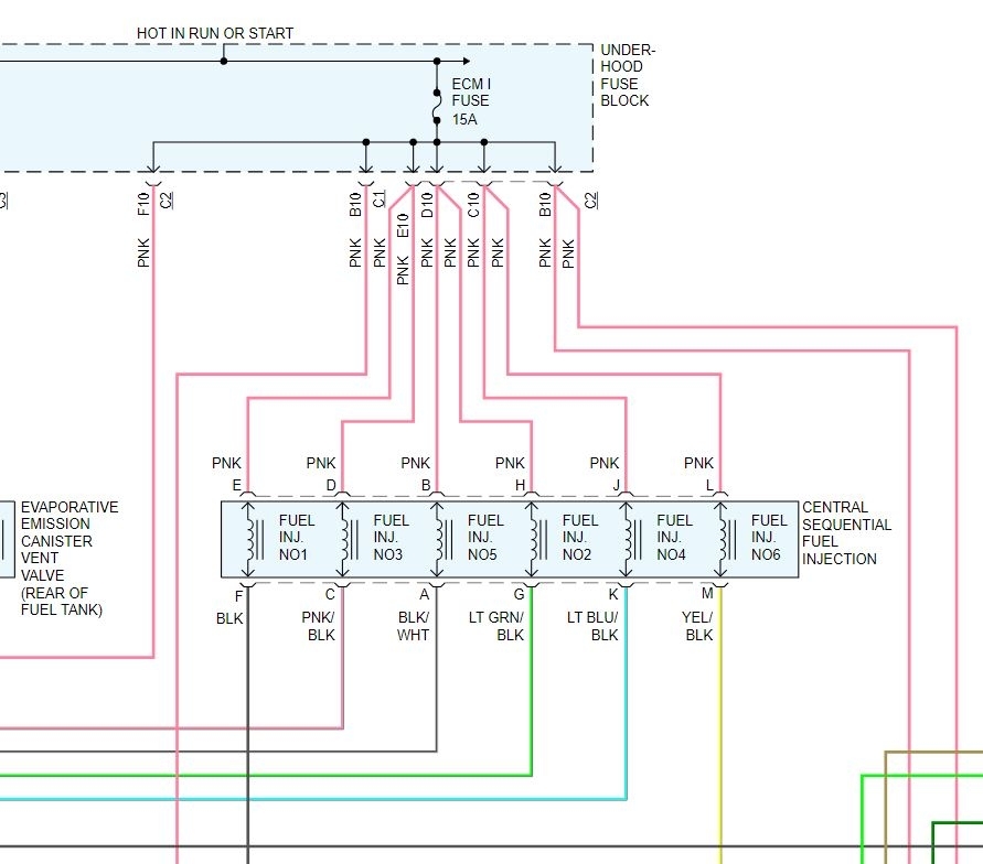
The spider injector is switched on the ground side directly from the PCM with each cylinder having its own trigger wire. So if there is no ground signal from the PCM it's either a bad PCM or it has a ground that isn't secure. The likelihood of it being in the wiring harness and all 6 wires being broken is very slim unless the harness was cut.
However to test it isn't hard. Go to the PCM and look at connector 2, Then find pins 8, 9, 15, 16, 31 and 32, each one controls an injector by switching the ground on/off. So take a test light connected to battery positive and using a pin, put the pin in so the end makes good contact with the back of the terminal in the connector and have someone try to start it. If you see the light flashing then there is a control signal. Test all 6. If you have the signal at the PCM, then go to the injector and see if you have it there as well. If it has the control signal at each one but the injectors are not firing there is an internal issue with the injector unit.
Jan 19, 2021 at 4:39 AM