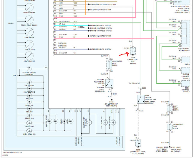
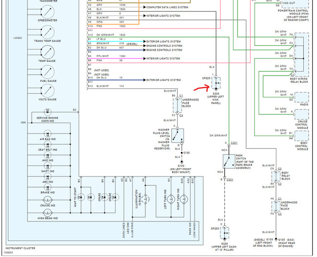
I was driving along when all of a sudden, my speedometer went haywire and then proceeded to not work. I've looked at a couple of different fuses and they looked fine. Where should I go from there
Mar 15, 2025 at 8:45 AM






