Speedometer and fuel gauge not working

2005 BUICK LESABRE
190,000 MILES
Avatar
JUGGALO45
  • MEMBER
  • 87 POSTS
Just bought this car for $500.00. Runs great but I notice the fuel gauge after driving 30 miles didn't go off of full. Now 2 days later after my wife cleaned it up really good because it did sit in garage for a year unproven that the speedometer is stuck on 100 MPH and fuel gauge hasn't moved. Previous owner said everything worked when parked and he's a friend so I believe him. What's going on? Did wife get it wet perhaps while cleaning?
Aug 31, 2021 at 5:55 PM
Advertisement
Avatar
KASEKENNY
  • CERTIFIED EXPERT
  • 18,907 POSTS
It is possible that this is a cluster issue. You have a logic board in the cluster which is just a fancy way of saying a circuit board with algorithm in it to take data and display it in the cluster.

What I would suggest doing is starting with the fuel level issue. That is a simple sensor on the fuel pump that tells the PCM what the current fuel level is. Then the PCM sends a signal to this logic board and that tells the gauge what the fuel level position is.

So the easiest way to figure out which the issue is, the sensor, PCM, cluster, or gauge is to hook up a scan tool and read what the fuel level is in the PCM.

If the PCM is reading the same as the gauge then we know the gauge, cluster or wiring are not the issue.

That leaves the sensor or PCM. For this we need to check the voltage at the sensor to find out if it is telling the PCM the incorrect info.

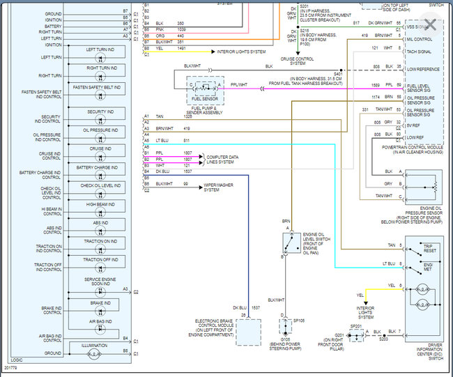
https://www.2carpros.com/articles/how-to-check-wiring

Basically the purple and white wire are going to change voltage level based on the amount of fuel.

We need to check the voltage and then add fuel to see if the voltage is changing. If it does not then the sensor is the issue.

I attached the wiring diagram below for this. I would suggest testing this at the PCM but let me know what questions you have and we can work through this.

If you fix the fuel issue and it does not fix the speedometer then we can move onto that. However, if we prove this is a cluster issue for the fuel then that will most likely fix the other issue as well .
Sep 1, 2021 at 7:42 PM
Avatar
JUGGALO45
  • MEMBER
  • 87 POSTS
Okay, I found out that the fuel gauge is reading correct spite what I thought only because I went to add fuel. because I did not know if it was right and it only took $7.00 and it was topped off. So I did buy the car with a full tank. Bonus for me, lol. The speedometer did work when I got the car and 2 days later it didn't. It has gone down to reading 60 MPH instead of 100 MPH . So what should i check next?

PS: you guys are the best. You helped me out before and your steps are clear and trustworthy. You really know your cars. Just wanted to let you know I appreciate the time you spend helping people out with their car problems.
Sep 2, 2021 at 2:41 PM
Advertisement
Avatar
KASEKENNY
  • CERTIFIED EXPERT
  • 18,907 POSTS
Thank you for the kind words. We try our best to help.

I am attaching the info about the speedometer as that is great news about the fuel.

So the way the cluster operates is it defaults to 0 MPH when it is able to talk to the PCM.

However, when it looses the signal from the PCM it just holds the last known MPH. That means either someone was driving 100 MPH and then when you drove it 60 MPH it was able to get that signal so it moved there and has lost signal again and it is holding that MPH.

So this means we have one of three issues. Either a PCM, wiring, or cluster issue.

I am putting my money on a cluster issue but we can pretty much rule out wiring as the tachometer is sent the same way as the MPH from the PCM to the cluster and that is working. So that means the wiring is most likely just fine.

The issue with this is this info is sent by a coded message and so either the PCM is sending a faulty code and the cluster does not recognize it. Or the the cluster is not receiving it correctly.

We need to find out what the PCM is seeing as the MPH from the speed sensor and make sure it is seeing the correct speed. At that point, I would go ahead and replace the cluster. There is a chance this is a speed sensor issue but if there are no codes then that is unlikely.

No codes with this issue normally means the cluster is the issue because that is not a system that has a "check" in it to turn a light on.

Have we checked for codes?

https://www.2carpros.com/articles/checking-a-service-engine-soon-or-check-engine-light-on-or-flashing

Let us know what questions you have on this. Thanks
Sep 3, 2021 at 9:19 AM