Speedometer and tachometer also the gear shift light not working

1995 GMC TRUCK
155,000 MILES • 5.7L • V8
Avatar
FARMBOY63
  • MEMBER
  • 2 POSTS
After the truck warms up. The speedometer and tachometer zeros out. And it won't go into Overdrive, or it does want to down shift. I changed the VSS ST $105.00. No luck. Any ideas?
Feb 26, 2022 at 5:31 PM
Advertisement
Avatar
KASEKENNY
  • CERTIFIED EXPERT
  • 18,907 POSTS
You are correct that this sounds like a vehicle speed sensor issue.

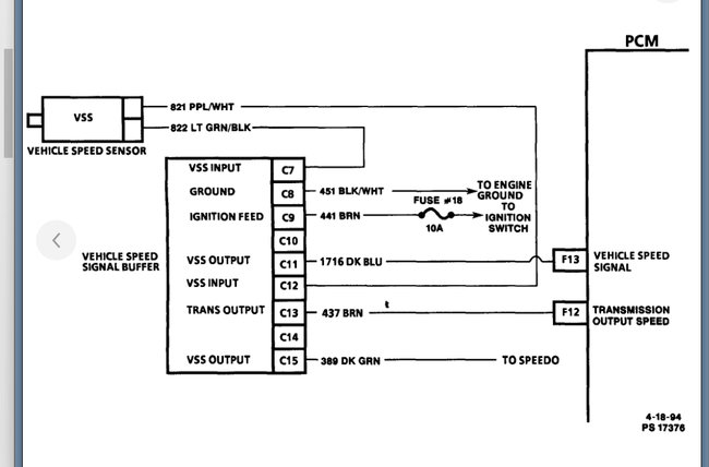
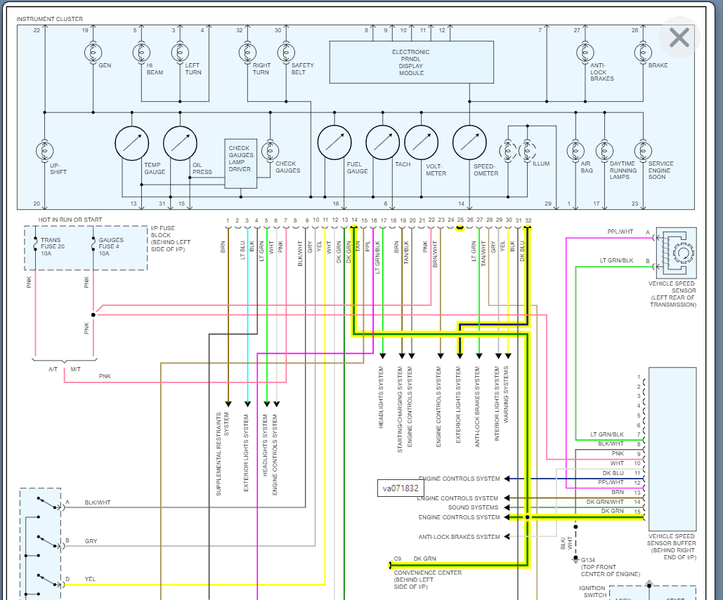
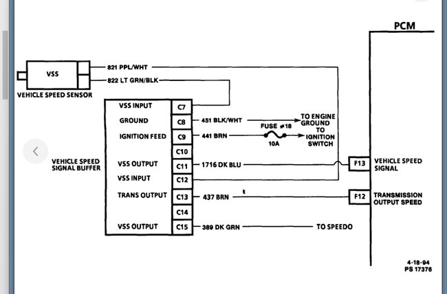
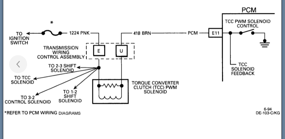
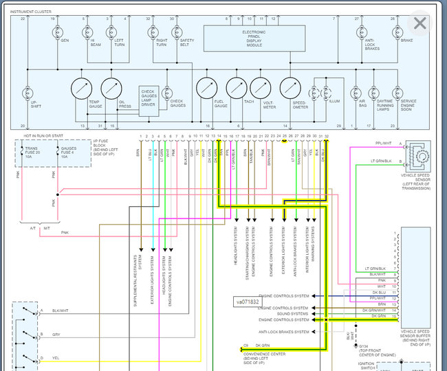
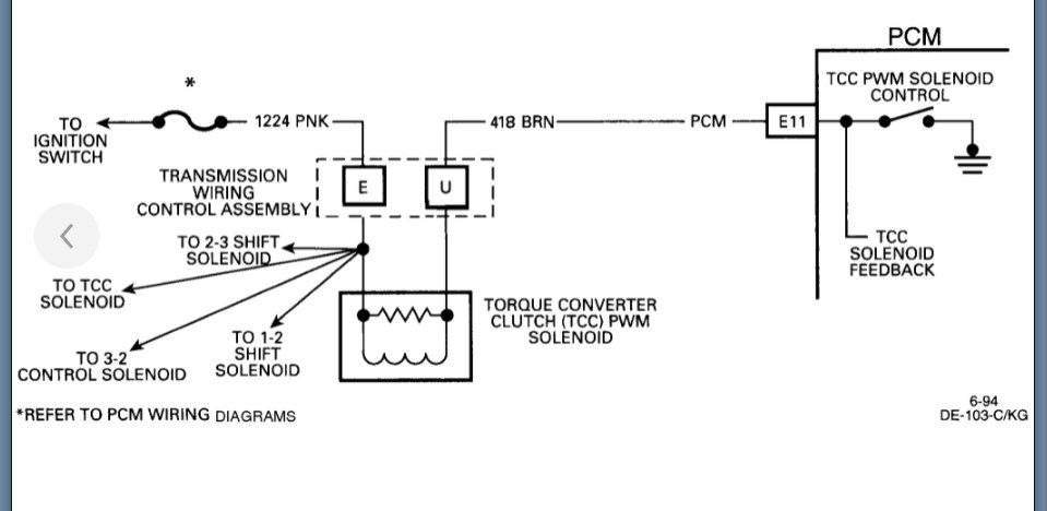
However, take a look at the wiring diagram below. This system has a buffer that is basically something that converts the speed signal and sends it to the cluster and PCM.

More than likely this buffer is failing when it gets hot, so we need to check the voltage on the dark green wire and see if this goes away when it gets hot.

Here is a guide that will help with this:

https://www.2carpros.com/articles/how-to-check-wiring

Basically, this circuit feeds the speedometer and then the PCM as well. The PCM then sends this message to the tach so if this wire is losing voltage, then that explains these issues.

Please let me know what you find with this.
Feb 27, 2022 at 6:47 PM
Avatar
FARMBOY63
  • MEMBER
  • 2 POSTS
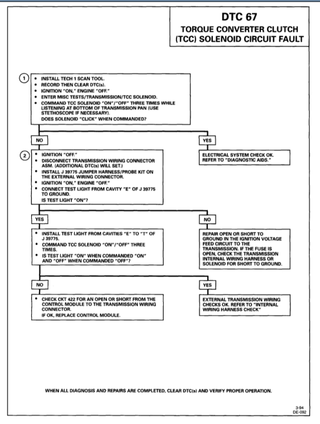
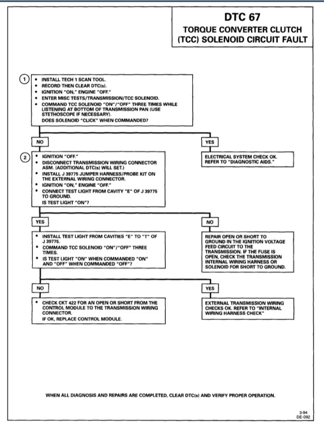
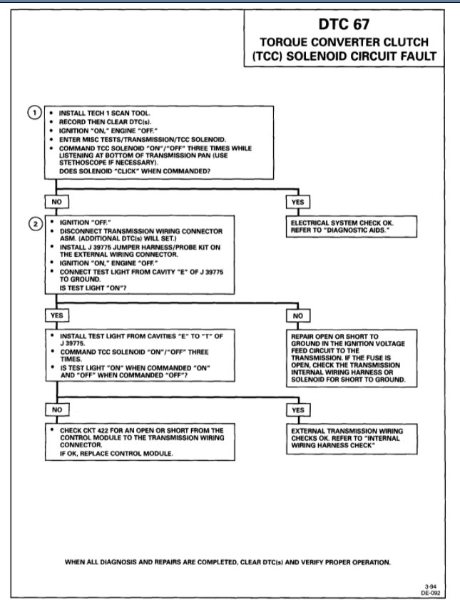
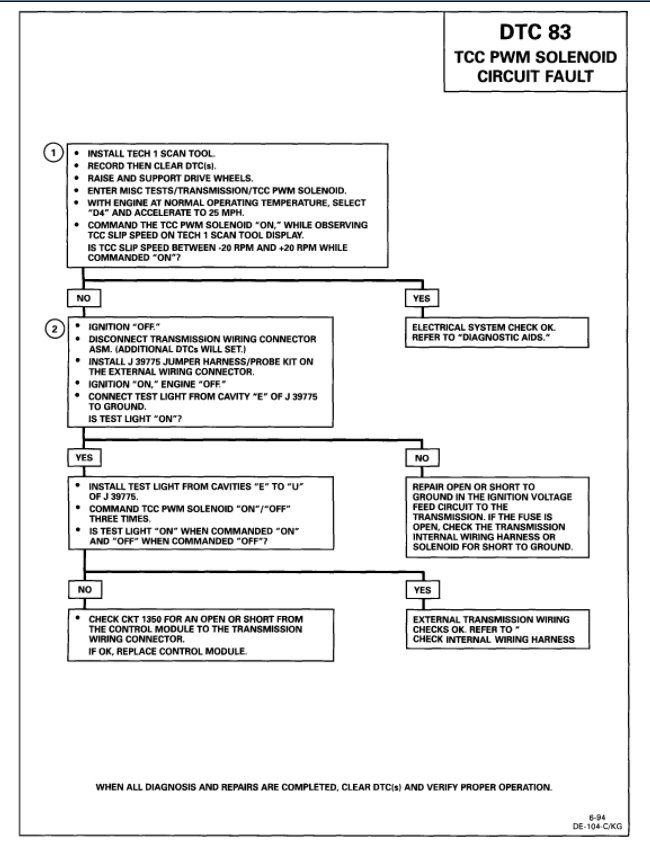
Hey Thanks Kenny K.I have since found out it has a code 6 7.TCC Solenoid is bad. I will check both out this evening.
Feb 28, 2022 at 10:22 AM
Advertisement
Avatar
KASEKENNY
  • CERTIFIED EXPERT
  • 18,907 POSTS
Okay. Sounds good. Please let us know how it turns out.

Thanks for the update.
Feb 28, 2022 at 11:21 AM
Avatar
FARMBOY63
  • MEMBER
  • 2 POSTS
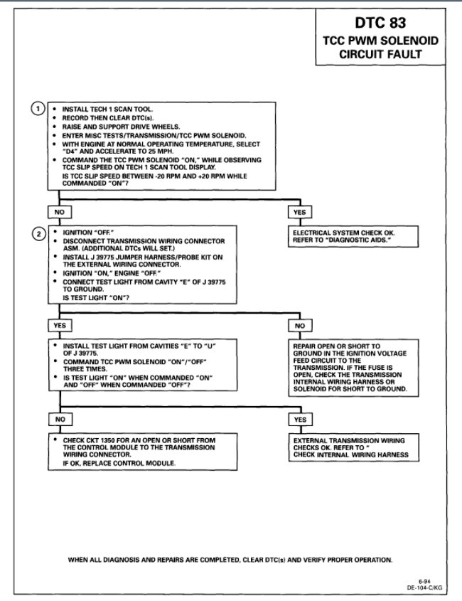
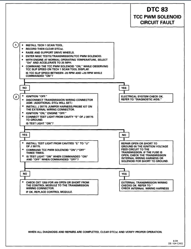
Hey Kenny K. Farmboy 63 again i changed the TCC. And the other solenoid beside it was the same part. Now the truck won't go in gear and I'm getting codes 6 6 67 and 83. Could the ECU be the whole problem?
Mar 1, 2022 at 4:12 PM
Avatar
KASEKENNY
  • CERTIFIED EXPERT
  • 18,907 POSTS
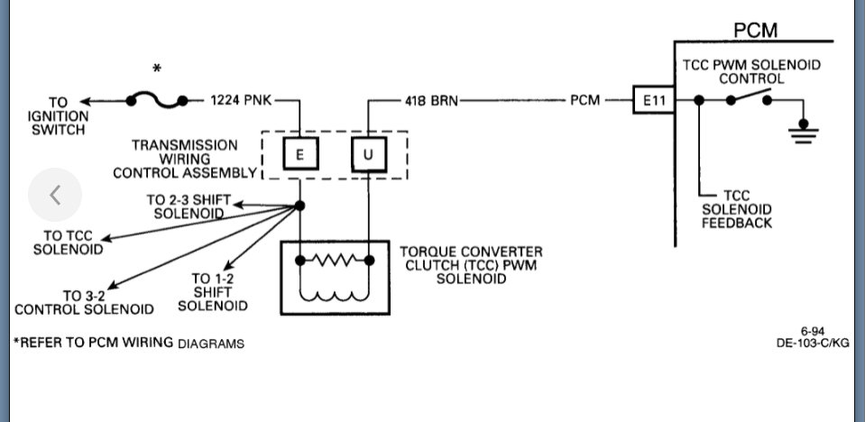
It could be and so we need to run through the testing that we will need to confirm this. It is a pretty simple circuit because the PCM just grounds the solenoid when it should be on so let's run through this testing and let me know what questions you have on this.

Thanks
Mar 2, 2022 at 5:48 AM